Friday, June 20th, 2025 AT 7:30 AM
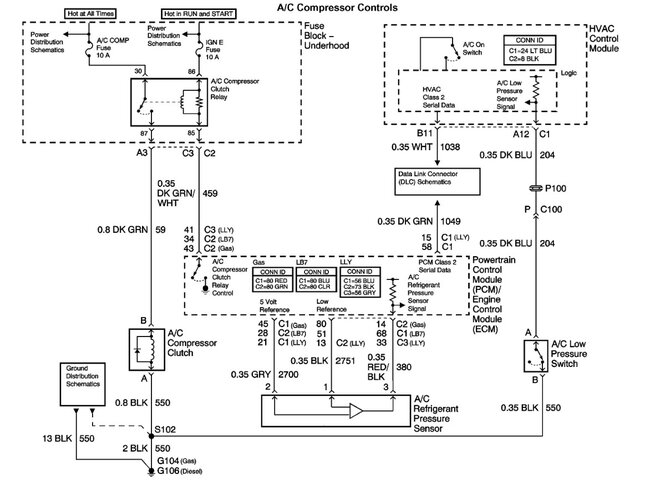
I've replaced: compressor, high- and low-pressure switches, both high- and low-pressure switch pig tails, accumulator/drier and the orifice tube and filter. Gassed the system up with 26 oz of 134-a. (Crew cab truck with front A/C only.) When I press the ac button on the control panel the compressor clutch will engage for 1-2 seconds and then kick out. It will engage and run continuously if I jump the pins in the relay. So, I checked the voltage to the pressure switches, low side has 12V to one terminal and 0 on the other. Does polarity matter on the low side switch? And on the high side (3 wire) I have 4.9v on the green wire and neither of the other two (red and black) have continuity to ground. I'm looking to see if there is a wiring diagram for these pressure switches or if I've missed something else.


