Wednesday, September 27th, 2017 AT 3:33 PM
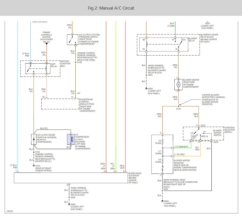
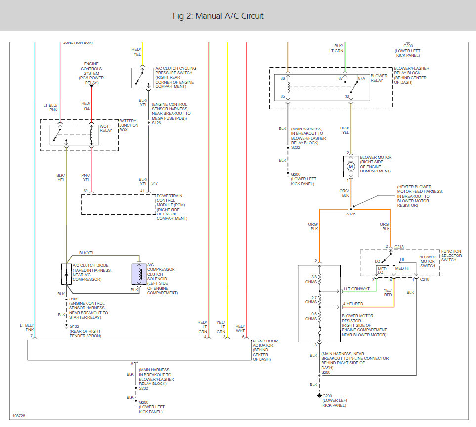
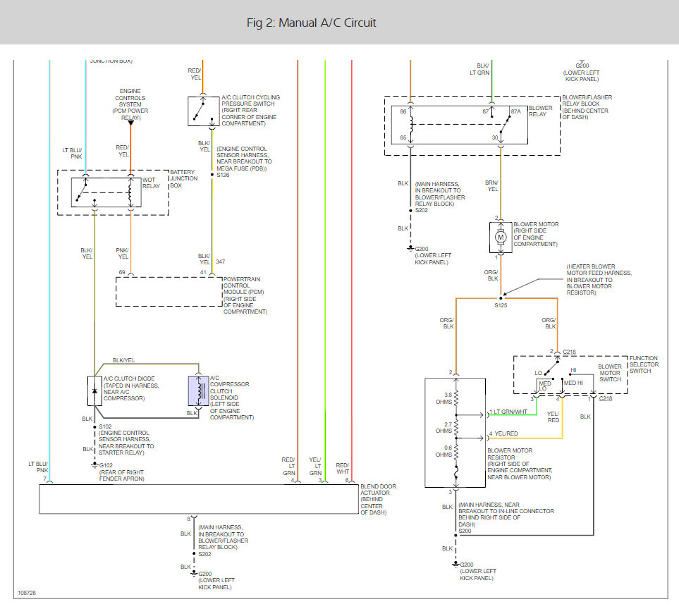
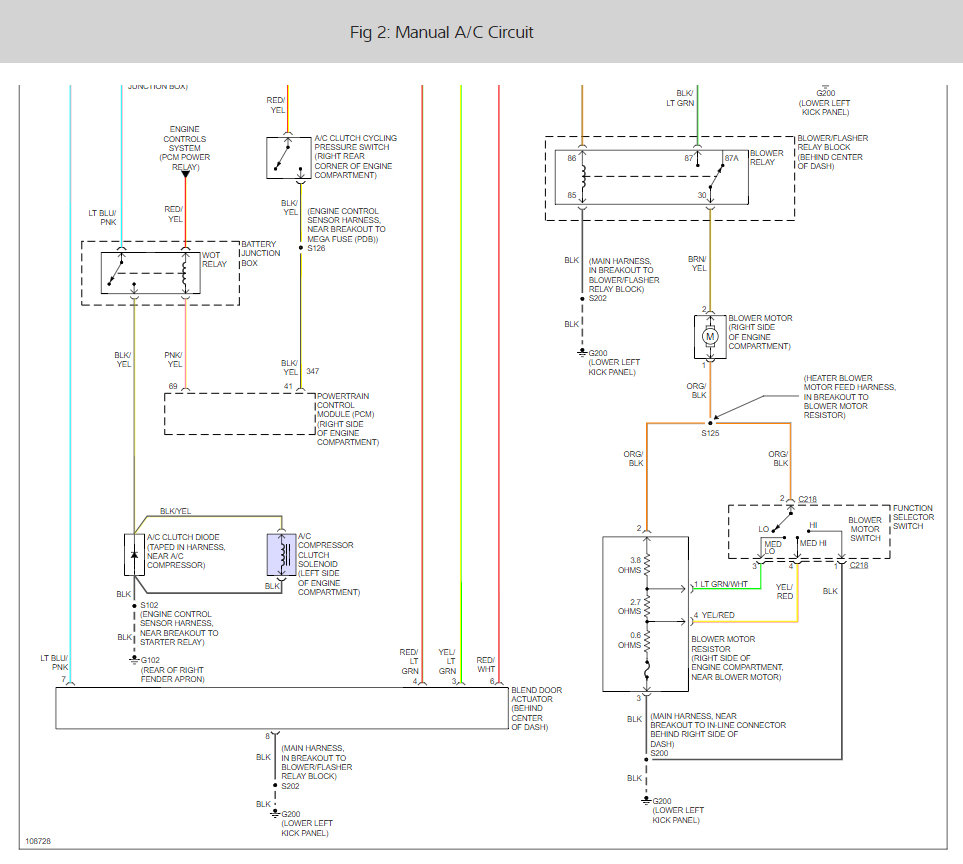
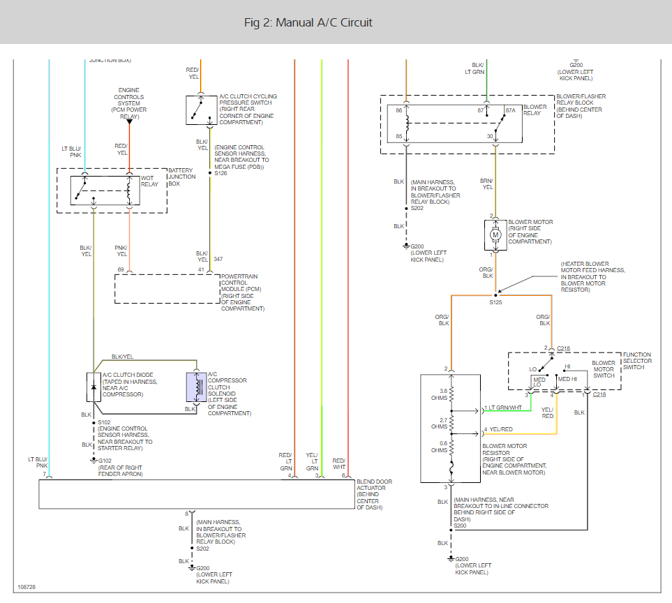
I want to wire the clutch to the correct wires. The present wires are cut off and I do not know where the wires are located that I need to reconnect the compressor.




