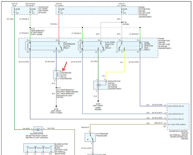
Tuesday, June 10th, 2025 AT 5:55 AM
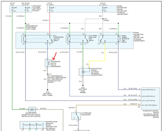
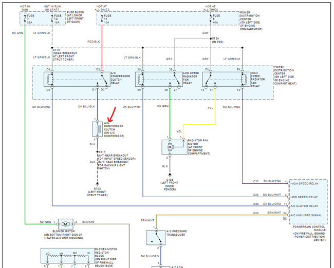
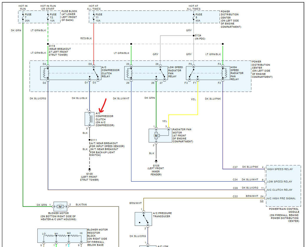
The clutch doesn't engage when I turn the A/C ~ Heat dial to A/C. I'm looking for somewhere, other than on my back, to test the circuit with my ohm/volt meter.



