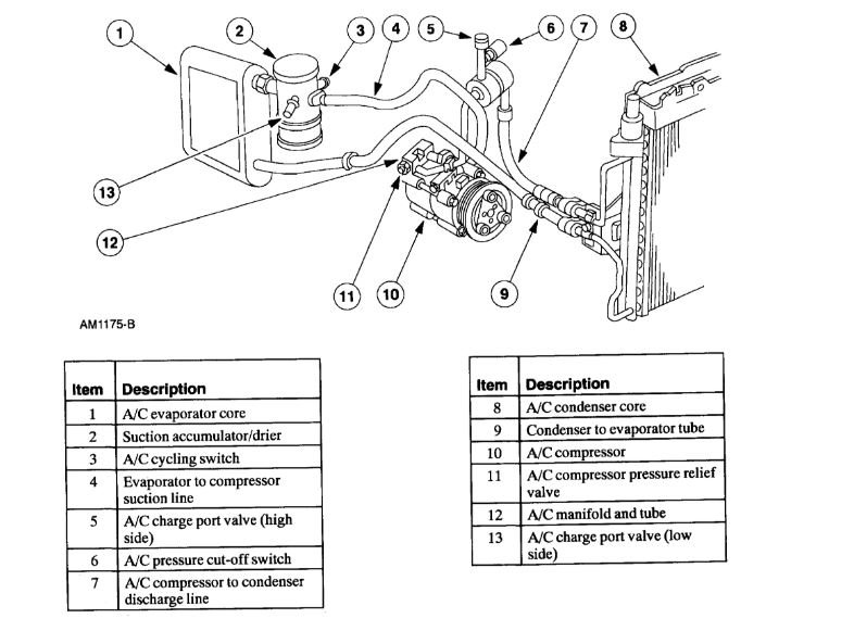
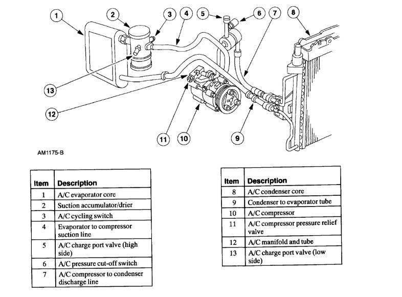
A/C charge port

Tiny
CHUCK187
  • MEMBER
  • 2000 FORD CROWN VICTORIA
  • 135,000 MILES
While attempting to add Freon to car I noticed the low pressure port on the accumulator is corroding and has a small whole in it. When I attach hose it leaks. Can the low pressure port be replaced? If so can I do it myself, and how?

Thank you
Friday, July 3rd, 2020 AT 3:56 PM

1 Reply

Tiny
ASEMASTER6371
  • MECHANIC
  • 52,796 POSTS
Good evening,

There is a core in the port that is like a tire valve for your ties. That part can be changed only.

If the rest of it has corrosion, then no, it cannot be replaced.

https://www.2carpros.com/articles/air-conditioner-leak-detection

As far as replacing the core, the system needs to be recovered and vacuumed down for 15 minutes before you can change the valve. The tool is something you can get at a parts store.

Roy
Was this
answer
helpful?
Yes
No
Friday, July 3rd, 2020 AT 4:24 PM

Please login or register to post a reply.