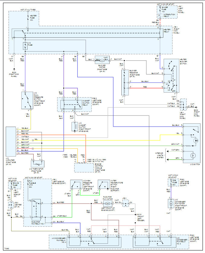
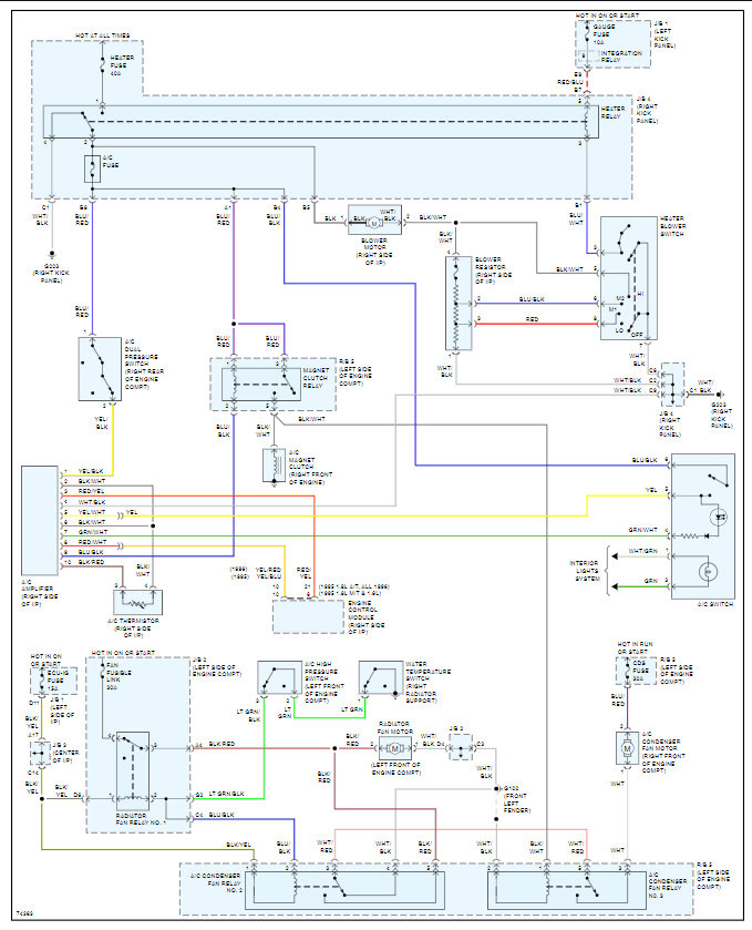
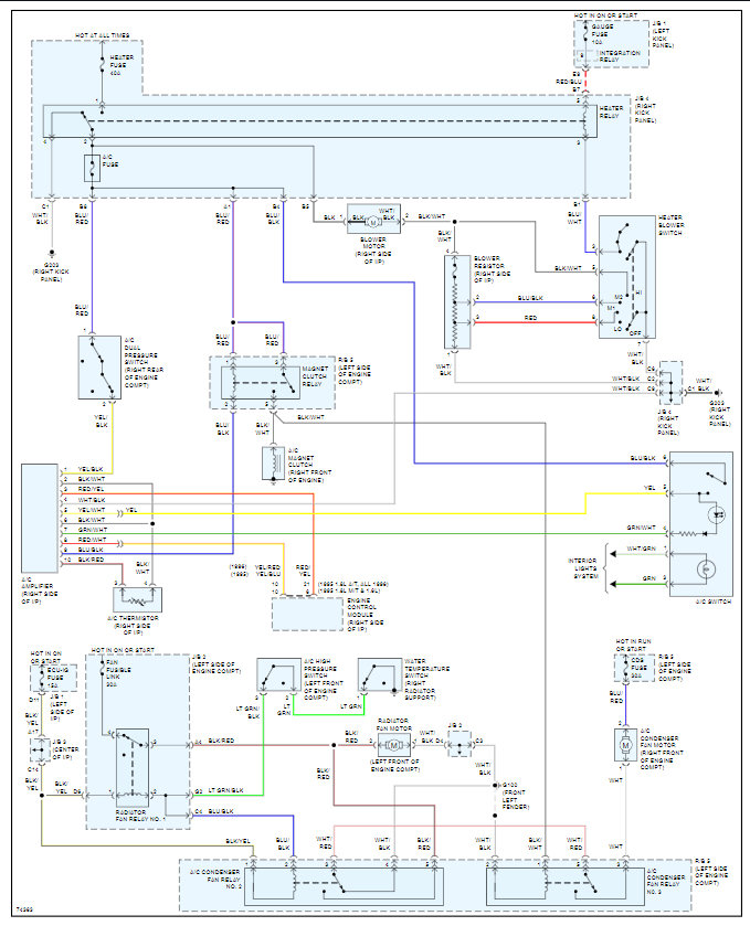
I replaced the A/C fan, and it did not fix the issue. The light on the A/C button still blinks for a fraction of a second when you first turn it on. At this point I assumed it was a relay or fuse, checked the 10A fuse in the right kick panel and it's good. Changed all of the relays under the hood in the AC relay area as well as the actual A/C button module itself (A/C button is removable and slots into the climate control center on this model) just in case. Still nothing.
Finally my mechanic suggested it could be a bad low pressure switch. He jumped the compressor to the battery just to be certain it isn't the clutch or compressor and it cut right on and blew ice cold air. Bought a replacement trinary switch and chucked it on. Nothing.
I have now replaced everything I can think of short of the A/C amp, the ECM, climate module, or the wires. I jumped the compressor to the battery myself and it cuts on. Jumped the MGC relay and it cuts on both the A/C fan as well as the clutch and compressor.
Is this the amp?
Tuesday, July 28th, 2020 AT 2:05 PM



