Saturday, September 29th, 2018 AT 2:57 PM
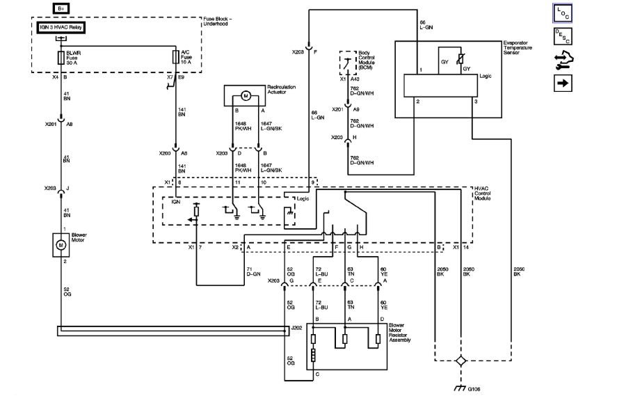
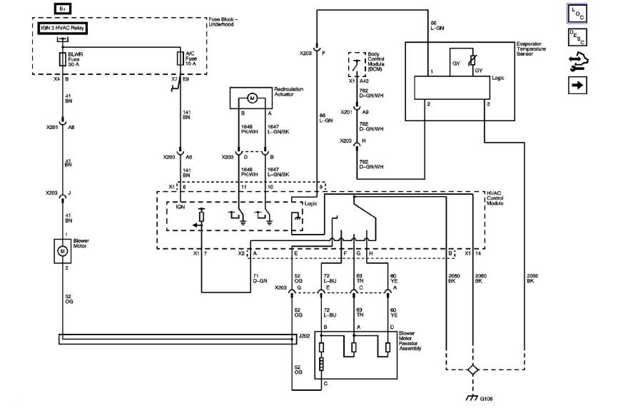
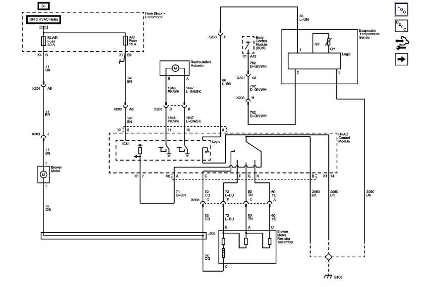
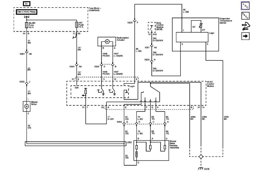
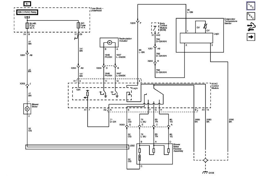
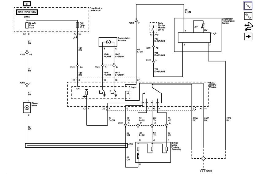
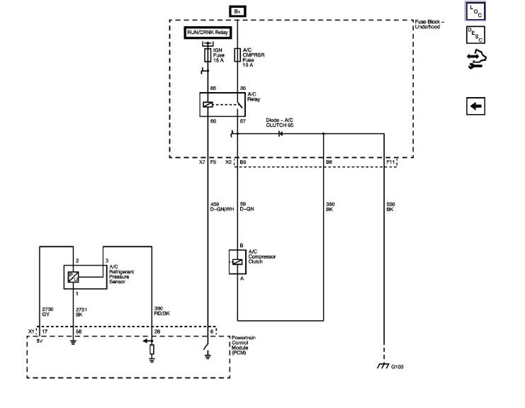
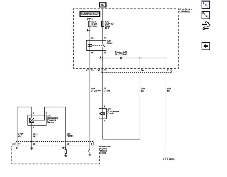
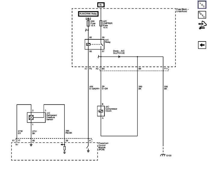
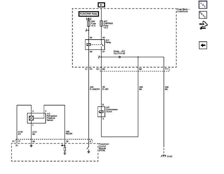
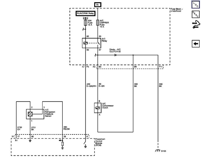
Every morning about three miles of driving the temperature gauge stops working, at the same time my AC stops working. I can pull over and pull my negative battery cable off and it resets something and AC and temperature gauge works again until engine cools totally down.



