Sunday, November 26th, 2023 AT 12:28 PM
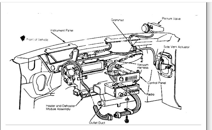
I need your help. I have the pickup listed above, with A/C and heater. The cable that opens the vent that lets in cold air or heat is stuck in the cold air position. I pulled out the control assembly. As I pulled out the control assembly, I forgot about the vacuum harness assembly, it pulled off. I need to know in what position the vacuum harness plugs back on. I am enclosing four (4) photos of the control assembly. Please help with any information you might have, thank you, Bill H. Comfort, Texas. Pictures would be very helpful also.








