Tuesday, August 29th, 2023 AT 6:34 AM
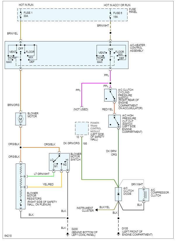
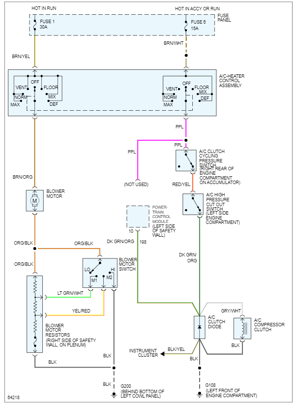
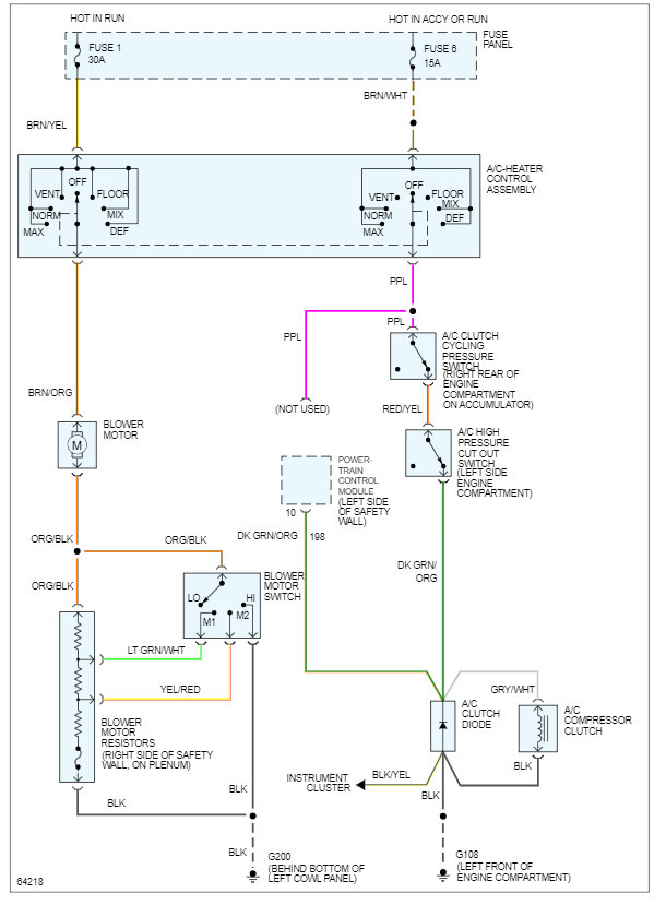
I need to wire in a trinary switch to my A/C for electric fans. I have Ford factory electrical manual, it shows a R/Y and P coming from cycling switch. I have a B/Y and P (this is factory). Is the B/Y going to be the same as the R/Y in the manual?



