Tuesday, May 12th, 2020 AT 3:14 PM
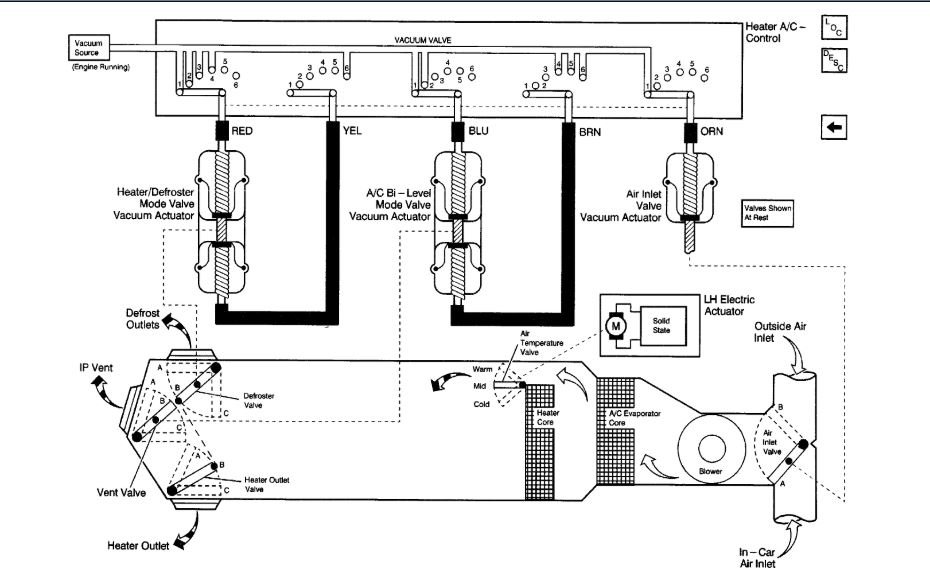
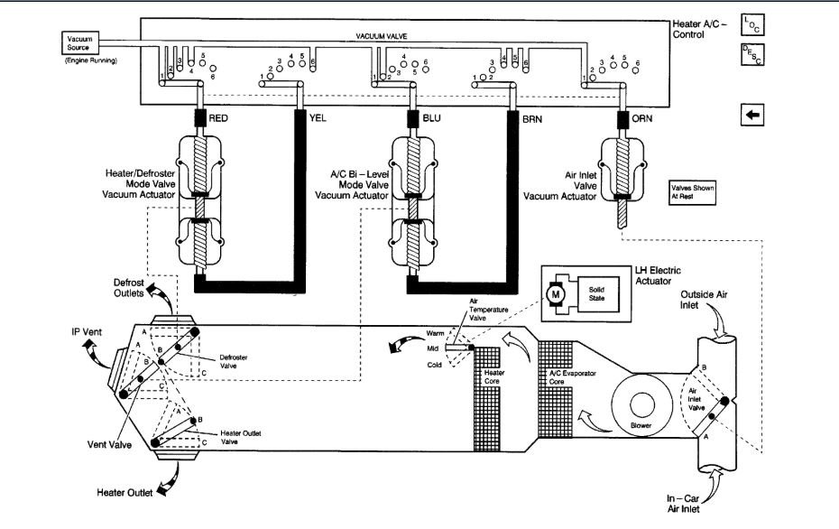
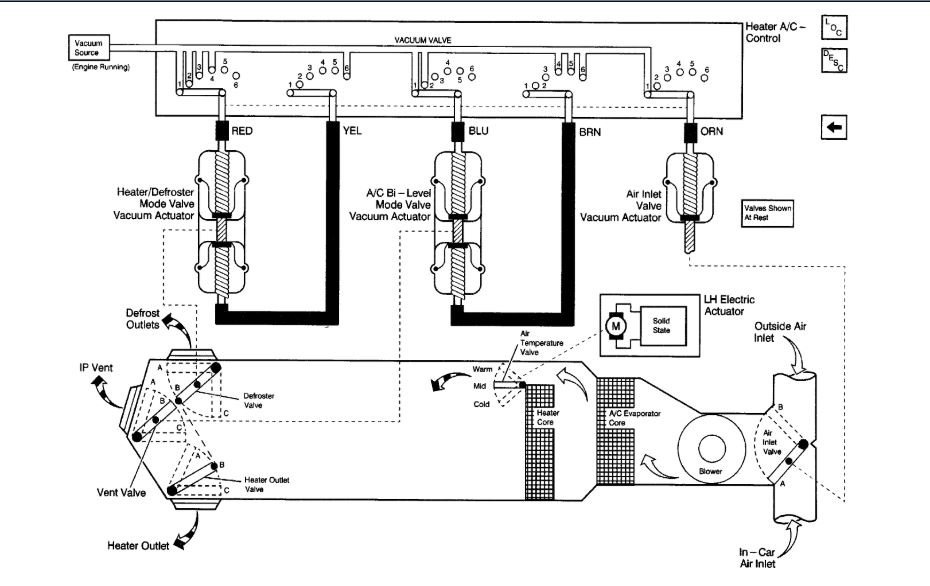
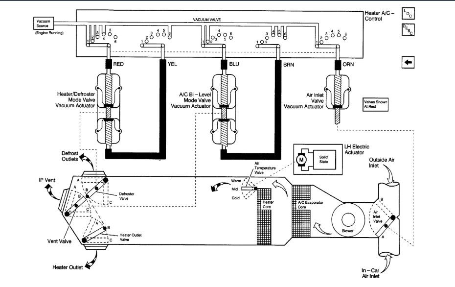
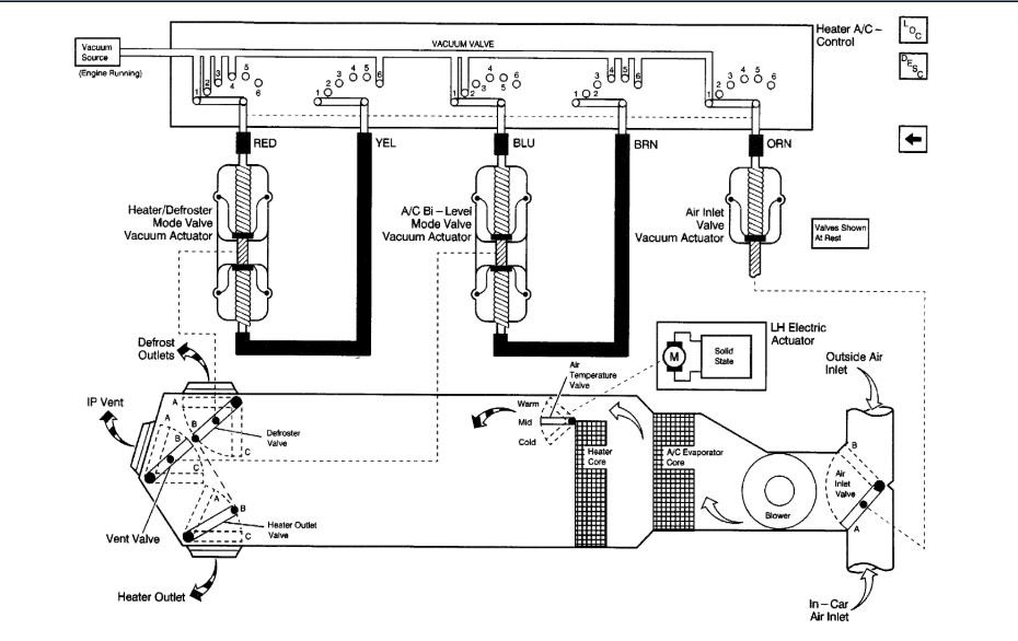
I just changed the radiator in my car listed above GTP and my A/C was running fine before and now it is blowing air through all the vents; meaning the defrost vent, the floor vent and the front vents. It’s weak as well. Plus the A/C is not as cold as it use to be.I was wondering if I mess something up when I unplugged my PCM before I unplugged my battery? It’s weird because I cannot change the mode to have it blowing just from the front vents. Please help.






