A/C and heat not changing over on driver's side

Tiny
MROULET1
  • MEMBER
  • 1999 CADILLAC DEVILLE
  • 4.6L
  • V8
  • 2WD
  • AUTOMATIC
  • 125,000 MILES
So my A/C and heat would not always change over on passenger side. I replaced the HVAC air door actuator. Now the same problem switched over to my driver side and the passenger switches just find. What can be the issue?
Saturday, August 22nd, 2020 AT 11:45 AM

10 Replies

Tiny
JACOBANDNICKOLAS
  • MECHANIC
  • 110,194 POSTS
Hi,

Did it happen as soon as you replaced the passenger side? Have you tried replacing the driver's side as well? Here are the directions. The attached picture correlates with the directions.

_______________________________

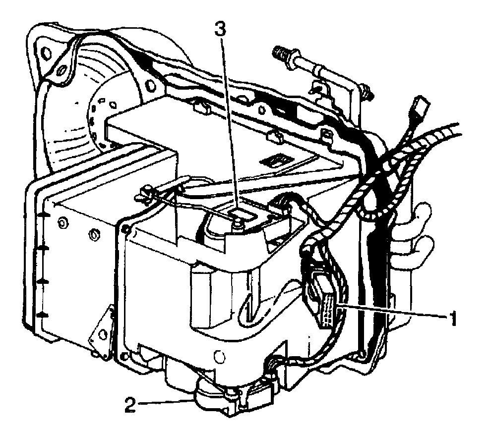
1999 Cadillac DeVille V8-4.6L VIN Y
Air Mix Actuator Replacement - Driver
Vehicle Heating and Air Conditioning Air Door Actuator / Motor Service and Repair Procedures HVAC System - Automatic Air Mix Actuator Replacement - Driver
AIR MIX ACTUATOR REPLACEMENT - DRIVER

pic 1

REMOVAL PROCEDURE
1. Remove the right sound insulator.
2. Remove the instrument panel compartment.
3. Unsnap the rod from the plastic retainer on the actuator arm.
4. Remove the two screws from the actuator (2).
5. Disconnect the electrical connector (1).
6. Remove the actuator (2).
7. Inspect the air mix door for free travel.

INSTALLATION PROCEDURE

IMPORTANT: After replacing the actuator (2), re-calibrate the actuator (2) for proper travel. Cycle the ignition ON for 3 minutes to allow the programmer and the actuator (2) to re-calibrate for proper travel.

1. Install the actuator (2).
2. Connect the electrical connector (1).

NOTE: Refer to Fastener Notice in Service Precautions.

3. Install the two screws to the actuator (2).

Tighten
Tighten the screws to 1.2 N.M (12 lb in).

4. Snap the rod to the plastic retainer on the actuator arm.
5. Install the instrument panel compartment.
6. Install the right sound insulator.

_____________________________

Let me know.
Joe
Was this
answer
helpful?
Yes
No
Saturday, August 22nd, 2020 AT 8:53 PM
Tiny
MROULET1
  • MEMBER
  • 79 POSTS
I was unaware that it have two. The one I replaced was under the glove box. Where is the other one located?
Was this
answer
helpful?
Yes
No
Saturday, August 22nd, 2020 AT 10:05 PM
Tiny
MROULET1
  • MEMBER
  • 79 POSTS
When I look it up I only see that part that I replaced and a air inlet vacuum.
Was this
answer
helpful?
Yes
No
Saturday, August 22nd, 2020 AT 10:06 PM
Tiny
JACOBANDNICKOLAS
  • MECHANIC
  • 110,194 POSTS
1999 Cadillac DeVille V8-4.6L VIN Y
Actuator Description
Vehicle Heating and Air Conditioning Air Door Actuator / Motor Description and Operation Components HVAC System - Automatic Actuator Description
ACTUATOR DESCRIPTION
ACTUATOR DESCRIPTION
The air temperature is controlled by the movement of an actuator. A dual zone system (CJ2) has the following 2 actuators:

The actuator on the bottom of the heating, ventilation, and air conditioning (HVAC) module assembly controls the temperature for the driver.

The actuator on the top of the module assembly controls the temperature for the passenger.

After replacing an actuator, re-calibrate the actuator for proper travel. Cycle the ignition "on" for 3 minutes in order to allow the programmer and the actuators to re-calibrate for proper travel.

Let me know if that helps.
Was this
answer
helpful?
Yes
No
Sunday, August 23rd, 2020 AT 5:56 PM
Tiny
MROULET1
  • MEMBER
  • 79 POSTS
I had did the one on the bottom, but when I did it I didn’t allow it to re-calibrate. Not sure if I messed it up. So I returned it got a new one re-calibrate it. So far so good.
Was this
answer
helpful?
Yes
No
Monday, August 24th, 2020 AT 7:11 PM
Tiny
JACOBANDNICKOLAS
  • MECHANIC
  • 110,194 POSTS
Excellent! I'm glad to hear it's working. If you didn't re-calibrate the new one, it will cause issues. However, if you would have disconnected it, reconnected it and re-calibrated it, that should have taken care of it.

Regardless, it's working. That's what we wanted. Please feel free to come back anytime in the future if you need anything or simply have a question.

Take good care of yourself,
Joe
Was this
answer
helpful?
Yes
No
Monday, August 24th, 2020 AT 8:49 PM
Tiny
MROULET1
  • MEMBER
  • 79 POSTS
So when you re-calibrate is the A/C on or off? It was working find at first. So now that it started getting cold when I had to use the heat and went back to 60 it blow a little warm on the driver side now and still blow 60 on the passenger side. Also I have the control on the passenger side. It lights up but does not work. Can’t change your temperature like you should.
Was this
answer
helpful?
Yes
No
Saturday, September 26th, 2020 AT 8:00 PM
Tiny
JACOBANDNICKOLAS
  • MECHANIC
  • 110,194 POSTS
Hi,

The recalibration process doesn't require the A/C to be on or off. Basically, the system is resetting the travel distance.

Have you done this yet?

Joe
Was this
answer
helpful?
Yes
No
Saturday, September 26th, 2020 AT 9:45 PM
Tiny
MROULET1
  • MEMBER
  • 79 POSTS
Yes. Like said, It was working fine since the last time you told me what to do. I was changing temp and all that. It got cold I had to turn up the heat n now the passenger charges. So like if I put it on 60 passenger side blows at 60 driver side just a lil warm. Also why the control on the passenger door for the temp don’t work?
Was this
answer
helpful?
Yes
No
Sunday, September 27th, 2020 AT 7:20 AM
Tiny
JACOBANDNICKOLAS
  • MECHANIC
  • 110,194 POSTS
Hi,

As far as the control on the passenger side, it is likely a wiring issue.

The idea that the actuator is causing issues again is interesting. Have you rechecked your work to make sure nothing is loose or damaged?

Joe
Was this
answer
helpful?
Yes
No
Sunday, September 27th, 2020 AT 6:18 PM

Please login or register to post a reply.