Rear A/C making loud blowing sound from vent

Tiny
DHILL73
  • MEMBER
  • 2011 NISSAN ARMADA
  • V8
  • 4WD
  • AUTOMATIC
  • 95,000 MILES
When the rear A/C is turned on I can hear a loud blowing sound coming from the vent looking area in the trunk space of the vehicle where the rear blend door actuator is located. I can hear it form the front seat. It is not a clicking or knocking sound but a forceful sounding air flow.
Monday, April 8th, 2019 AT 9:22 AM

1 Reply

Tiny
KEN L
  • MASTER CERTIFIED MECHANIC
  • 55,538 POSTS
Hello,

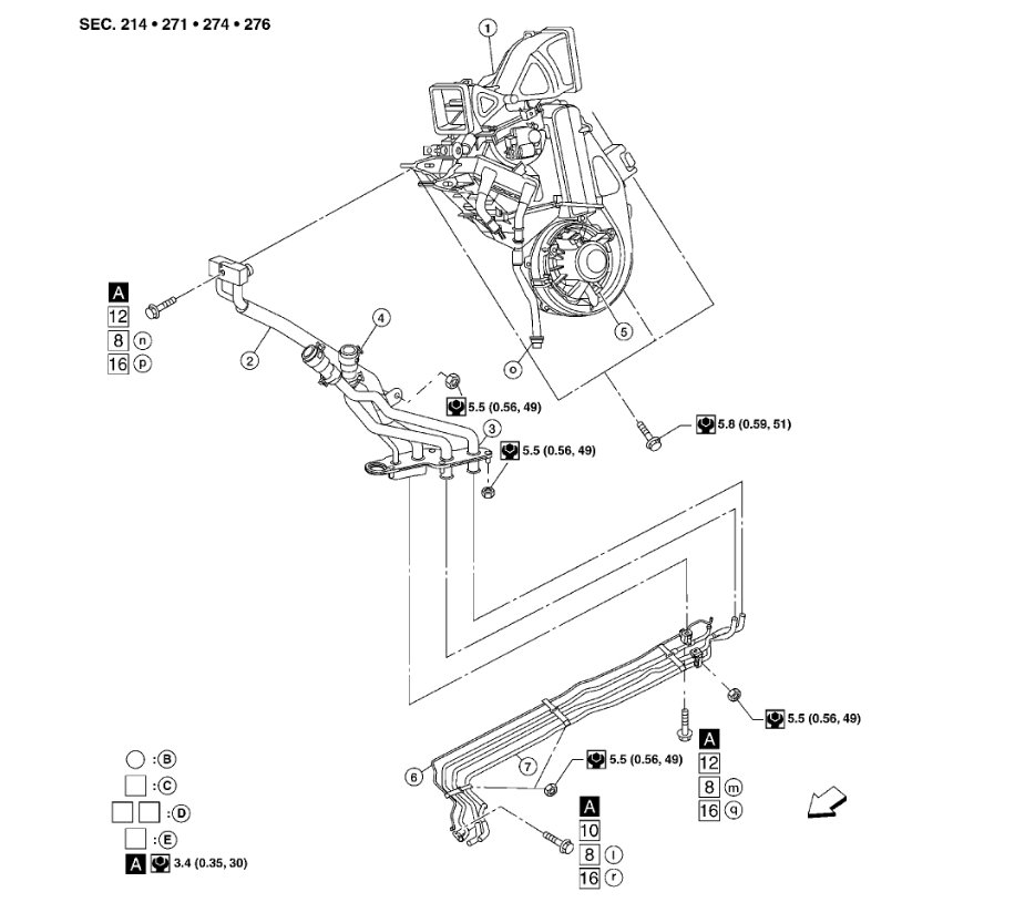
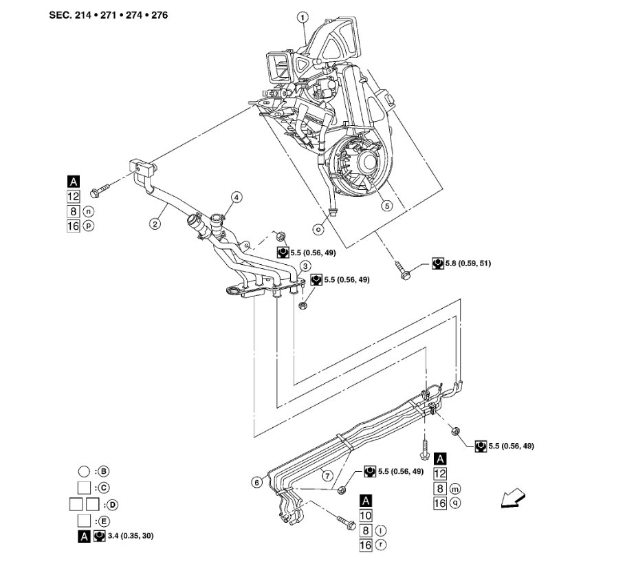
Is sounds like the rear blower motor is going out or something is stuck inside the fan or in the inlet. Can you please shoot a quick video with your phone so we can hear the noise? That would be great. You can upload it here with your response. Here is a diagram of the rear AC system so you can see how it works. I would start by removing the blower motor.

REAR BLOWER MOTOR

Removal
1. Remove the rear heater and cooling unit assembly. See: Housing Assembly HVAC > Removal and Replacement > Removal And Installation.
2. Disconnect the rear blower motor electrical connector.
3. Remove the three screws and remove the rear blower motor.
4. Remove the blower motor wheel as necessary to transfer to the new blower motor.

Installation is in the reverse order of removal.

Check out the diagrams (below). Please let us know what you find. We are interested to see what it is.
Was this
answer
helpful?
Yes
No
Tuesday, April 9th, 2019 AT 12:51 PM

Please login or register to post a reply.