A/C clutch always on

Tiny
DZINH BUI
  • MEMBER
  • 1996 NISSAN PATHFINDER
  • 3.2L
  • 6 CYL
  • 4WD
  • 200,000 MILES
Hi,

After adding Freon the clutch always on. It was not like that before Freon added. Is it support to be always engage? What would cause it always engage?

Thank you
Saturday, July 21st, 2018 AT 9:47 AM

5 Replies

Tiny
KEN L
  • MASTER CERTIFIED MECHANIC
  • 55,248 POSTS
When the key is off and the engine is not running can you ranch down and turn the clutch?

Please let us know what happens.

Cheers, Ken
Was this
answer
helpful?
Yes
No
Sunday, July 22nd, 2018 AT 12:54 PM
Tiny
DZINH BUI
  • MEMBER
  • 3 POSTS
Yes, I can turn the clutch with the engine off. Engine on and A/C on the clutch is engage. A/C off the clutch disengage. I would like to know what cause the clutch always engage when A/C on. This happened after added Freon. This was not happened before Freon add. I do not think that I over charged the system. I followed the instruction on the Freon can with the gauge included. Gauge show a bit over 40 psi in low side. Engine on and A/C on max the gauge show about 35 psi. Engine run to 2,000 rpm gauge show 30psi on the low side. I do not know how high on the high side. I do not have gauge to the the high side. Out side temp 87 degree. A/C temperature 39 degree while driving 55 mile. RPM a bit over 2,000. Hope this information helps. Thank you.
Was this
answer
helpful?
Yes
No
Sunday, July 22nd, 2018 AT 3:12 PM
Tiny
KEN L
  • MASTER CERTIFIED MECHANIC
  • 55,248 POSTS
Even if the system is overcharged it should not keep the compressor engaged when the system is off. Lets try pulling the dual pressure switch connectors to see if it is keeping the system on.

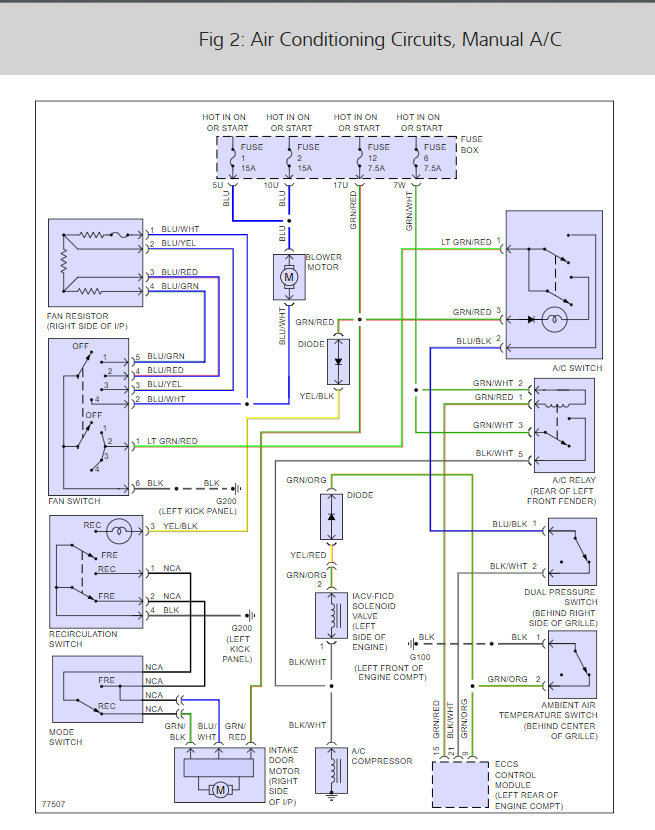
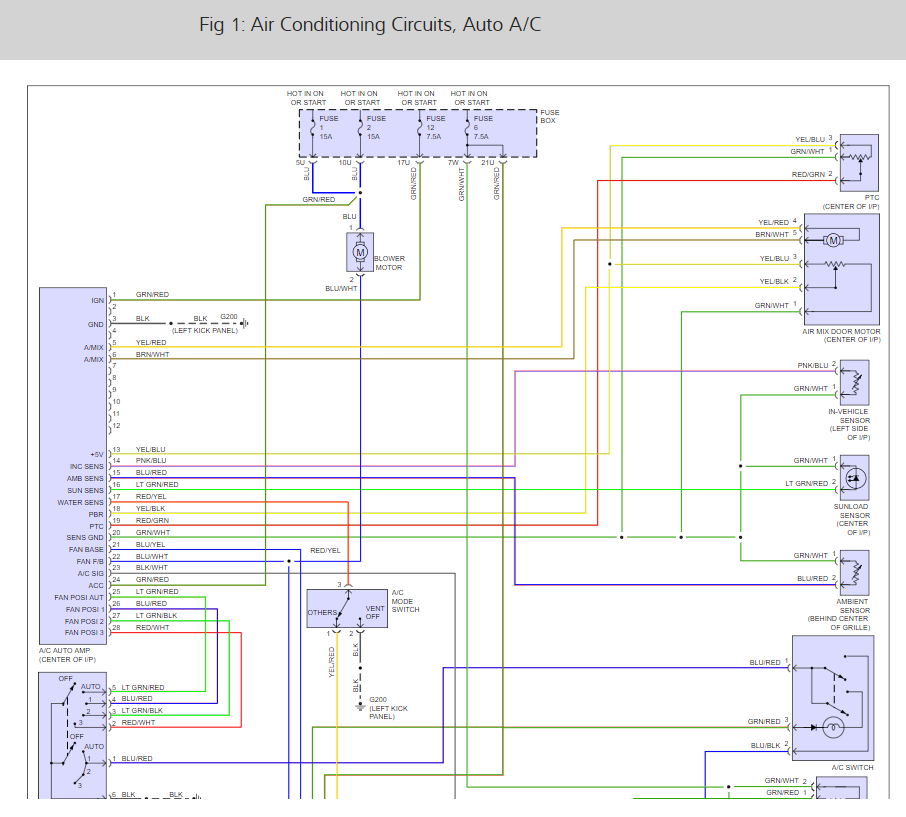
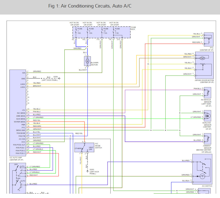
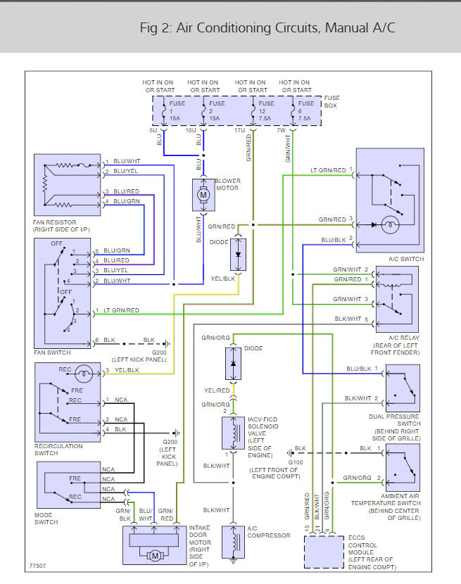
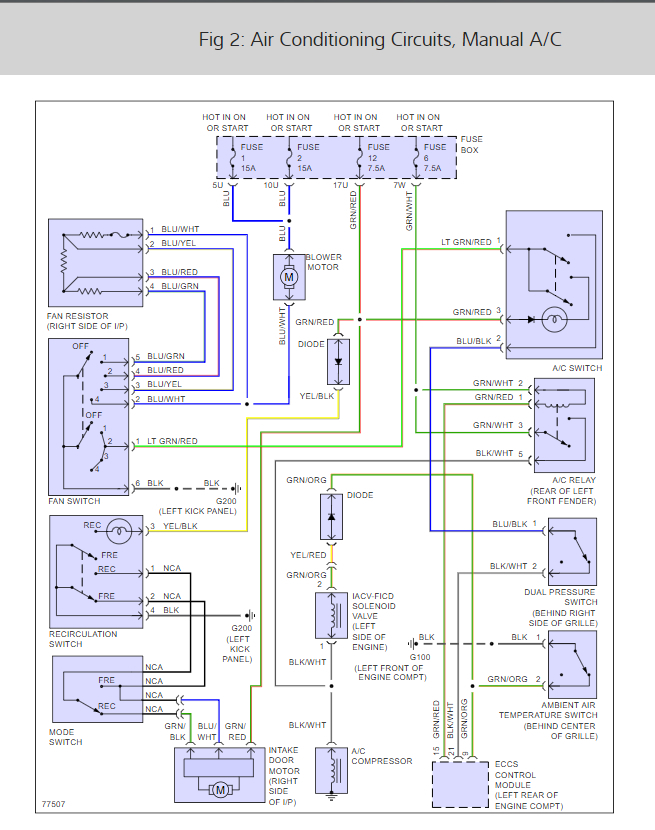
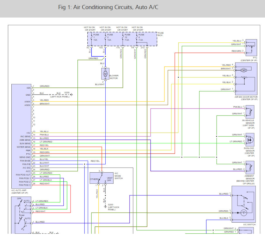
Here are the air conditioner wiring diagrams so we can see how the system works, and pressure switch location. Check out the diagrams (below). Please let us know what happens.

Cheers, Ken
Was this
answer
helpful?
Yes
No
Monday, July 23rd, 2018 AT 9:59 AM
Tiny
DZINH BUI
  • MEMBER
  • 3 POSTS
I pulled the pressure switch the A/C clutch off. Checked relay is good. I need to get high and low gauge to check the pressure on both high and low. I would like to know what changed after charged refrigerant?
Was this
answer
helpful?
Yes
No
Monday, July 23rd, 2018 AT 8:32 PM
Tiny
KEN L
  • MASTER CERTIFIED MECHANIC
  • 55,248 POSTS
When you pulled the pressure switch did the clutch disengage? The problem could be a coincidence but you should check the high side pressure to be sure. Let me know what happens.
Was this
answer
helpful?
Yes
No
Tuesday, July 24th, 2018 AT 11:03 AM

Please login or register to post a reply.