No rear lights?

Tiny
KEN L
  • MASTER CERTIFIED MECHANIC
  • 55,450 POSTS
Can you upload picture of what you are talking about?
Was this
answer
helpful?
Yes
No
Tuesday, January 31st, 2023 AT 10:34 AM
Tiny
MANUELD1977
  • MEMBER
  • 52 POSTS
Hello there, sorry I haven't been in touch lately. Stopping in to give you an update on the truck and lighting issue I was having. The lights are working, and all functioning as they are supposed to. So, I have complete light function in my rear lights everything from taillights brake lights, turn signals, and reverse lights all working properly.
And so as for what I was asking you about in regard to the fuse panel box under the hood on the driver's side. What I was asking is another person had switched out the fuse box under hood with another one they ordered online and installed but it was slightly different. Same exact layout except for the original fuse panel box wasn't wired for the brake lamp relay switch. And I know for a fact the relay isn't used in this truck and still can't understand how its working exactly just yet. But really, I am not trying to move too much around since I have lights working properly. The fuse box with all the wires attached to it is the fuse box dude put in. Now the one with the cut wires on it is the original one that was in truck. An as you can see upon examine the fuse box connected to truck has brake lamp relay in hood area wired in the box and the original fuse box from under hood does not have the brake lamp relay wiring or anything in the slots the relay is connected in old box. I was wanting to know if I'm correct of what I'm thinking, be fine to go head n do. Since the relay is not used on original fuse box it would be same if relay wasn't used now?
But I figured it out and do not know how but brake lamp relay isn't wired up except for the red n black wires from relay they are connected now the light blue wire and white wire are not attached to anywhere at all I just have them taped off really good. I do not know how it is, but all the lights are working properly and as they are wired up to do. And thanks again for the help n keeping in touch with this adventure going through.
Was this
answer
helpful?
Yes
No
Saturday, February 11th, 2023 AT 4:40 AM
Tiny
KEN L
  • MASTER CERTIFIED MECHANIC
  • 55,450 POSTS
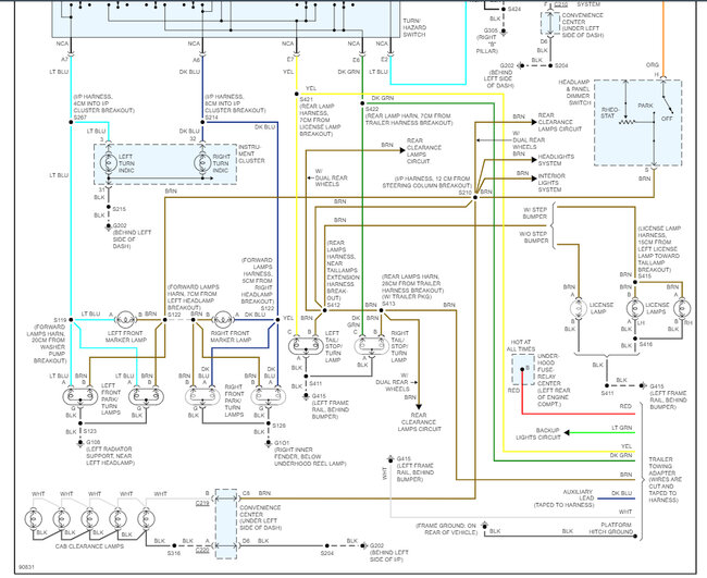
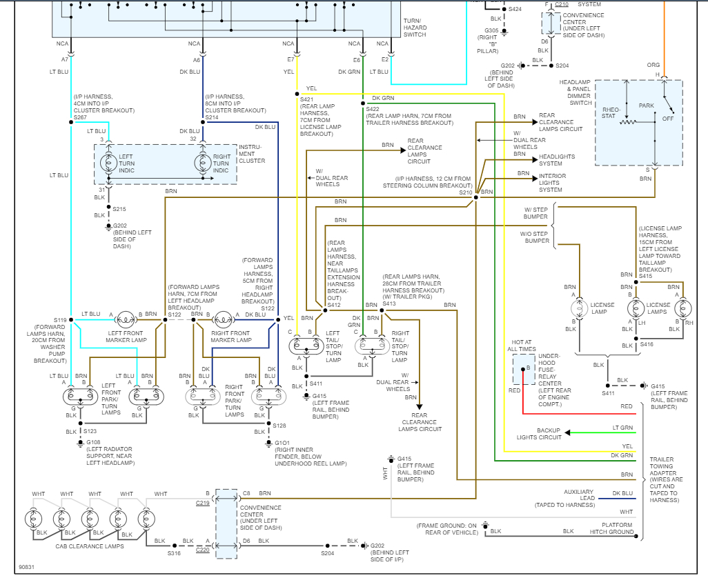
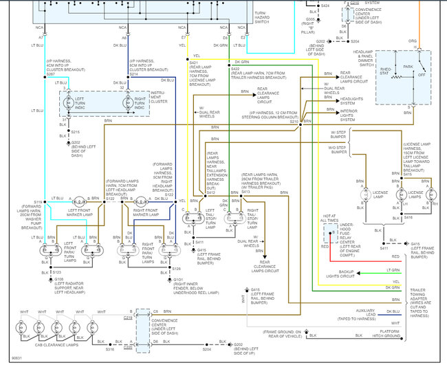
Thanks for the images. Yep, they are slightly different, if we have too, we can wire in a relay for the brake lights. Here are the wiring diagrams for the brake light circuit so you can complete the job. Check out the images below.
Was this
answer
helpful?
Yes
No
Saturday, February 11th, 2023 AT 1:59 PM
Tiny
MANUELD1977
  • MEMBER
  • 52 POSTS
I was going to say as of right now the job is complete, I have all rear lights working properly as they should. And the reason I say it that way is because the white wire and light blue wire coming from fuse box under brake light relay isn't connected but I got all my lights I swapped out the brake light switch and harness and they are working now. Will send you pictures and video showing lights working and wires not connected and see if you guys can tell me how they work.
Was this
answer
helpful?
Yes
No
Saturday, February 11th, 2023 AT 5:34 PM
Tiny
MANUELD1977
  • MEMBER
  • 52 POSTS
I have brake lights when hit brake have taillights reverse lights and turn signals working also an 3rd light is working as should. Going to do video in few so it be more visible in the night instead of the day time.
Was this
answer
helpful?
Yes
No
Saturday, February 11th, 2023 AT 6:07 PM
Tiny
KEN L
  • MASTER CERTIFIED MECHANIC
  • 55,450 POSTS
Sounds good, the wiring diagrams show how the system works which are pretty straight forward but let me know if you have any questions.
Was this
answer
helpful?
Yes
No
Sunday, February 12th, 2023 AT 1:12 PM

Please login or register to post a reply.