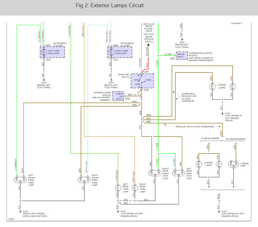
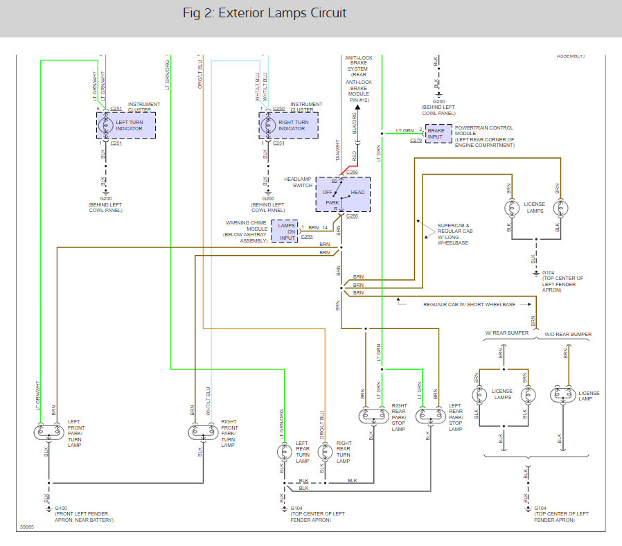
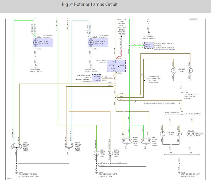
Sunday, October 28th, 2018 AT 9:36 AM
Blinkers just randomly stopped working today. I bought a brand new blinker fuse and still nothing. My hazards also don't work. I have very little mechanic knowledge. :(






















