-wipers
-parking lights
-turn signals
-power windows
-a/c or heat blower fan (entire climate control is black/blank)
however, the emergency blinkers do work! And the car seems to start/run/drive just fine.
in the past when this occurred, I tried jiggling the fuse box (in the engine bay by the driver) and it would usually fix this.
this makes me believe there is a faulty ground wire somewhere in the fuse box.
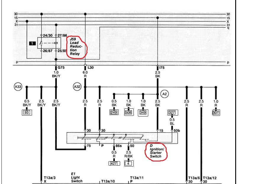
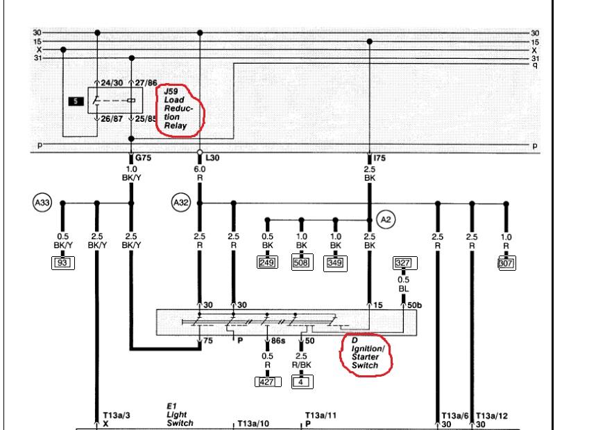
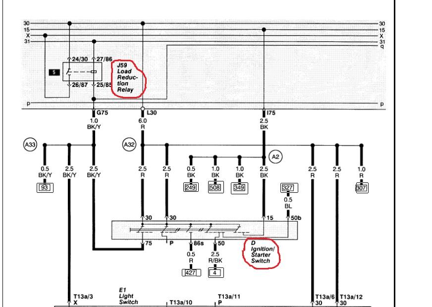
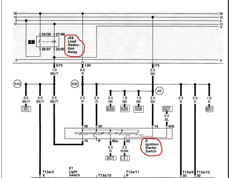
i've tried to find an electrical diagram for this car, but it doesn't seem to exist, does anyone know where I could get such a diagram?
thanks to all in advance!
Sunday, October 13th, 2013 AT 6:43 PM


