Saturday, September 12th, 2020 AT 9:20 PM
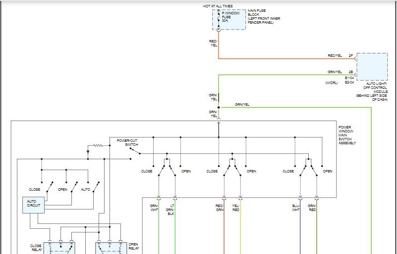
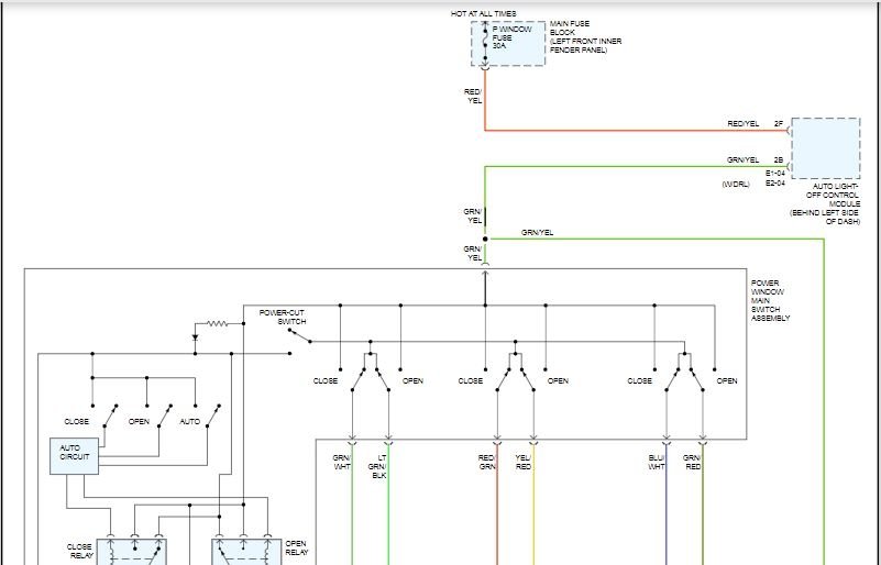
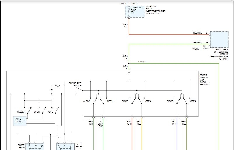
Something is blowing out the fuses for the ETC, hazard, the TCM and the power window fuse. I order a short and open end finder and it looks like there is also no power in the harness going to the alternator. Also I didn't mention I found an active short which was pulling the battery down over night which was a interior light fuse and remove it. Over the five years that I've had this car I've had to replace the alternator 4 times. I don't know if they were bad or it was part of something going on that got worse. Hope you have a solution.


