When switching from 4WD to 4WL it just blinks?

Tiny
STEVE620
  • MEMBER
  • 2007 GMC ENVOY
  • 4.2L
  • 6 CYL
  • 4WD
  • AUTOMATIC
  • 127,000 MILES
I've been having a problem when trying to put truck in 4WD but not all the time. When I put in 4H no problem, AWD no problem When I go from 4WD to 4WL it just blinks and does not go in and light on cluster for traction control does not light. When I restart the engine and try and put it in everything works, When I do attempt to put in in any of the modes, I stop the car and put it in neutral. I was thinking that it could be the Transfer case encoder.
Thanks
Wednesday, February 12th, 2025 AT 5:35 AM

11 Replies

Tiny
KEN L
  • MASTER CERTIFIED MECHANIC
  • 55,322 POSTS
Yep, you are on the money with that one, I would replace the transfer case encoder because the motor can get weak and not fully actuate the transfer case. Here is the location and how to replace the part which should fix the problem. You must make sure the encoder is "clocked" correctly, which the instructions explain how. Check out the images (below). Let us know how it goes.
Was this
answer
helpful?
Yes
No
+1
Wednesday, February 12th, 2025 AT 10:16 AM
Tiny
STEVE620
  • MEMBER
  • 71 POSTS
Thank you.
Was this
answer
helpful?
Yes
No
Wednesday, February 12th, 2025 AT 10:49 AM
Tiny
KEN L
  • MASTER CERTIFIED MECHANIC
  • 55,322 POSTS
You are welcome, let us know if you need anything else.
Was this
answer
helpful?
Yes
No
Thursday, February 13th, 2025 AT 9:06 AM
Tiny
STEVE620
  • MEMBER
  • 71 POSTS
I just replaced the encoder for my 4wheel drive, but now I'm getting all kinds of codes.
B0775, B0785, B0790, B2725, C0321 and the selector switch stays lit on AWD but it's not really in AWD, plus the encoder does not work. I even replaced the selector switch, but it does the same thing.
Was this
answer
helpful?
Yes
No
Monday, May 5th, 2025 AT 5:00 PM
Tiny
KEN L
  • MASTER CERTIFIED MECHANIC
  • 55,322 POSTS
It sounds like you have a defective encoder, can I ask which brand you bought?

B0775 - Transfer Case Shift Control Switch Signal Circuit (Open/Short to Ground)
B0785 - Transfer Case Neutral Indicator Circuit
B0790 - Transfer Case Shift Motor Circuit
B2725 - ATC Mode Switch Circuit Malfunction
C0321 - Transfer Case Lock Circuit Malfunction

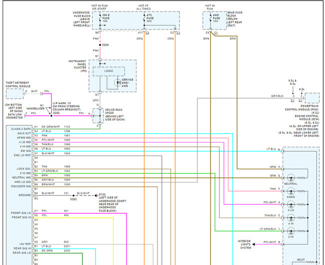
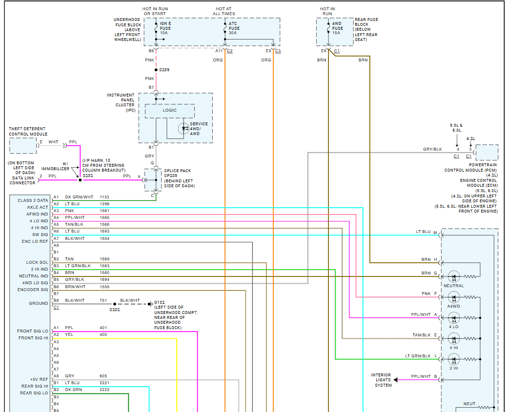
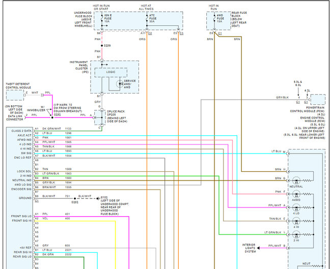
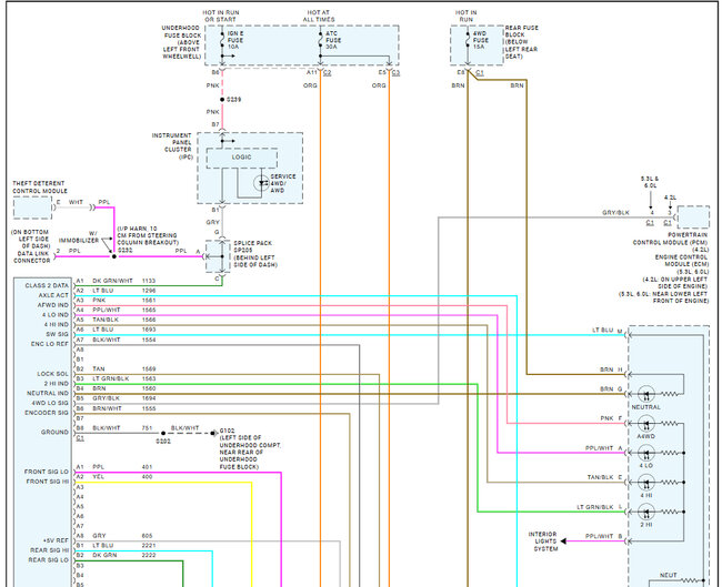
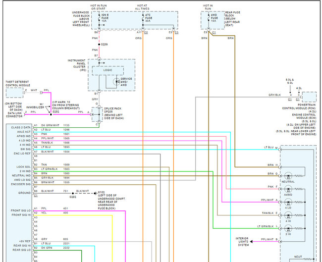
I have also seen the front differential axle actuator cause the system not work as well, here is the location so you can check it out. I also found the wiring diagrams so you can see how the system works. Check out the images (below). Let us know what you find.
Was this
answer
helpful?
Yes
No
+1
Tuesday, May 6th, 2025 AT 10:02 AM
Tiny
STEVE620
  • MEMBER
  • 71 POSTS
I'm not sure if I replied to your question. The encoder I purchased was a Dorman 600-903.
Was this
answer
helpful?
Yes
No
Tuesday, May 6th, 2025 AT 11:11 AM
Tiny
KEN L
  • MASTER CERTIFIED MECHANIC
  • 55,322 POSTS
If you did have the codes before the replacement, I would get another one or try an AC Delco unit.
Was this
answer
helpful?
Yes
No
+1
Thursday, May 8th, 2025 AT 9:29 AM
Tiny
STEVE620
  • MEMBER
  • 71 POSTS
I think I might have a lead on my problem I would like to know what you think, I starting checking out everything I could, I found the Transfer case module under the dash I was able to get a screwdriver to it, All of a sudden the selector switch was doing funny stuff. Every time I would restart the engine it would select another drive by itself. I was going to clean up the plugs and reinstall it to see if I get lucky. If not I will purchase one. Thee following numbers are what I found on the case of the modules:
GM P/N:24233673
NVG P/N: 51060
There are two scan Bars on it also.
Top Scan Bar: HU3673
Bottom Bar: THUN16563YOTO
I was able to match all the numbers, but the bottom bar would you have any idea what that means?
Thanks for all the help.
Was this
answer
helpful?
Yes
No
Friday, May 16th, 2025 AT 2:18 PM
Tiny
KEN L
  • MASTER CERTIFIED MECHANIC
  • 55,322 POSTS
Because you have this code:

B2725 - ATC Mode Switch Circuit Malfunction

I would replace the switch which I have had problems with in the past.
Was this
answer
helpful?
Yes
No
+1
Sunday, May 18th, 2025 AT 5:37 PM
Tiny
STEVE620
  • MEMBER
  • 71 POSTS
Already ready replaced the switch with no difference at all. Ordered new Control Module.
Was this
answer
helpful?
Yes
No
Monday, May 19th, 2025 AT 12:07 PM
Tiny
KEN L
  • MASTER CERTIFIED MECHANIC
  • 55,322 POSTS
Yep, that would be the next step.
Was this
answer
helpful?
Yes
No
Tuesday, May 20th, 2025 AT 8:41 AM

Please login or register to post a reply.