4wd not engaging

2009 TOYOTA LANDCRUISER
80,000 MILES • 4.5L • V8 • TURBO • 4WD • AUTOMATIC
Avatar
TOM 71
  • MEMBER
  • 1 POST
Car won’t engage 4 low or center differential.
Dec 29, 2019 at 3:47 PM
Repair Safety Notice: This information is for general instructional purposes only. Vehicle repair can be dangerous. Verify all information, follow manufacturer service procedures, use proper tools and safety equipment, and consult a qualified repair shop when needed.
Advertisement
Avatar
TOUGHDIVER
  • CAR REPAIR CONTRIBUTOR
  • 224 POSTS
Hi Tom,

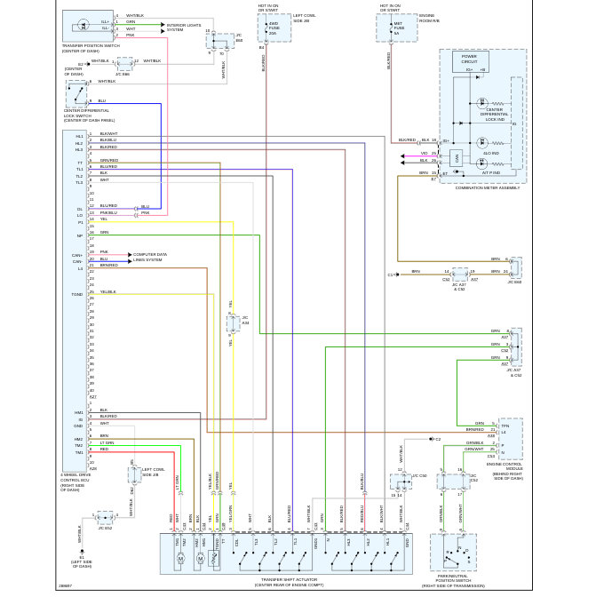
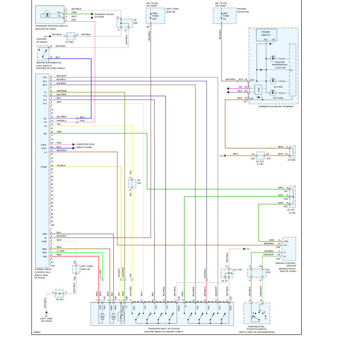
it sounds like your 4wd control module set DTCS have your trouble codes cleared and it should work fine if not we are going to have to check power and grounds at the 4 wheel drive actuator and Hi and LO switch, Check your fuses first then check for power at the 4 wheel drive actuator and ground at the switches, I'm attaching 4 wheel drive schematic and wiring diagrams below. Let us know if this information was any help and if you found the problem and if you need any more help.

Thank you
Joe Terwilliger
Dec 30, 2019 at 5:39 PM
Advertisement