4LO light blinking

Tiny
ASAMAD
  • MEMBER
  • 2010 TOYOTA LAND CRUISER PRADO
  • 4.0L
  • 6 CYL
  • 4WD
  • AUTOMATIC
  • 80,000 MILES
4LO light blinking and when driving the car will not go fast it seems it is locked in low 4 wheel drive.
Saturday, August 25th, 2018 AT 4:23 PM

1 Reply

Tiny
KEN L
  • MASTER CERTIFIED MECHANIC
  • 55,090 POSTS
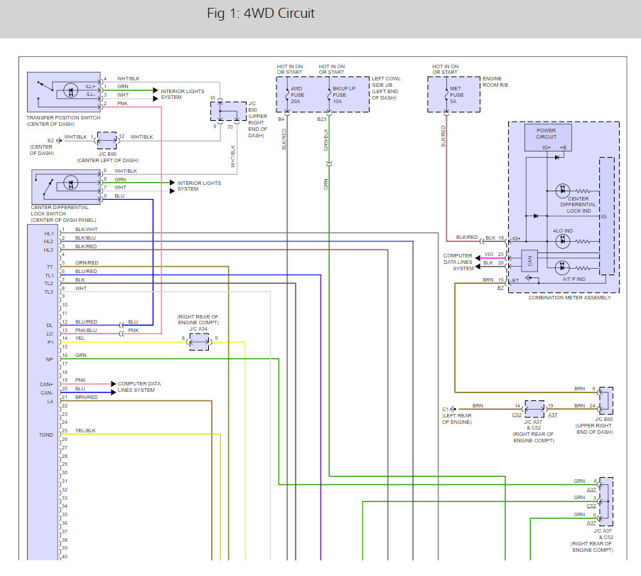
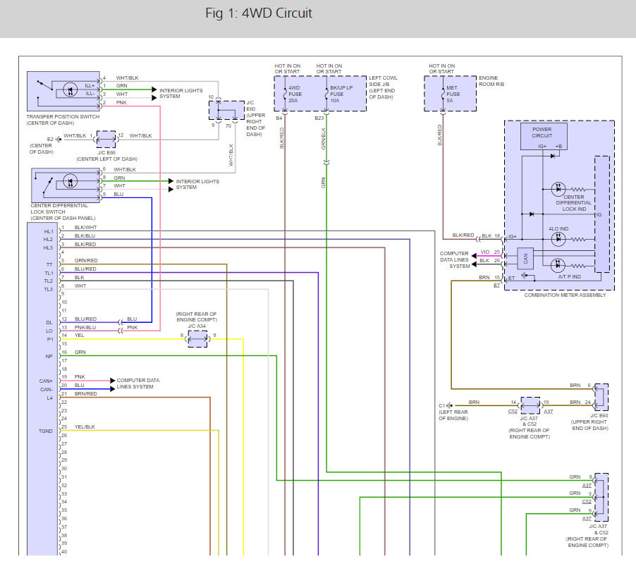
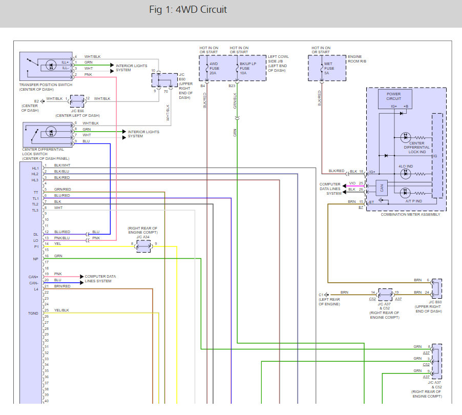
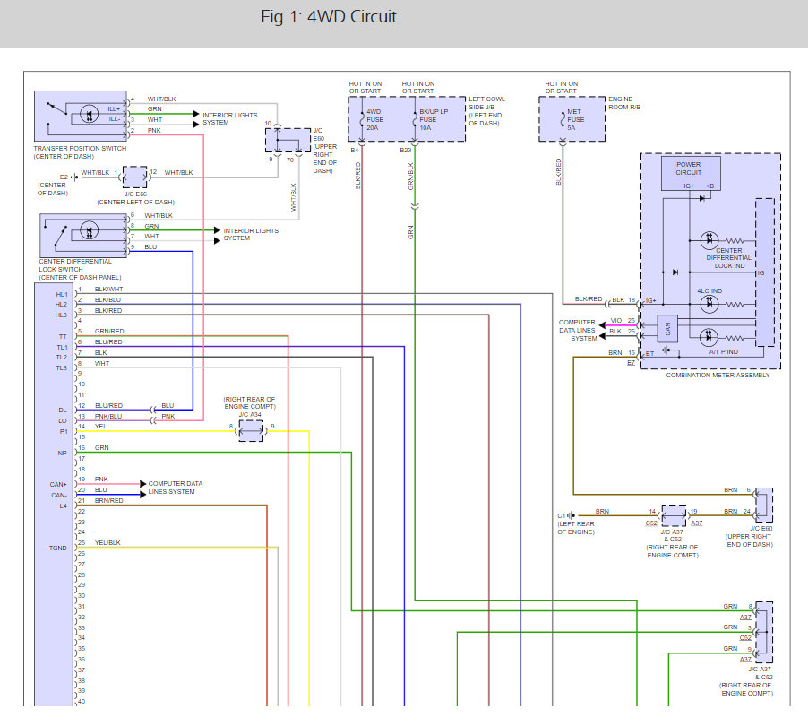
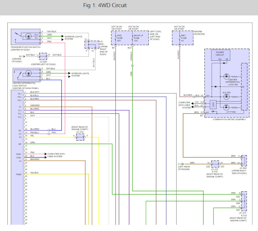
Yes, it is locked on low gear this is why the light flashes. Nine times out of ten the problem is the transfer case shift actuator. Here is the wiring diagrams and the location of the unit so you can see how it works. To confirm the issue test of power and ground at the actuator.

This guide can help

https://www.2carpros.com/articles/how-to-check-wiring

Check out the diagrams (below). Let us know what happens and please upload pictures or videos of the problem.

Cheers, Ken
Was this
answer
helpful?
Yes
No
+3
Monday, August 27th, 2018 AT 11:16 AM

Please login or register to post a reply.