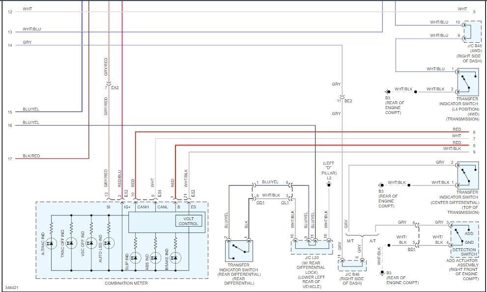
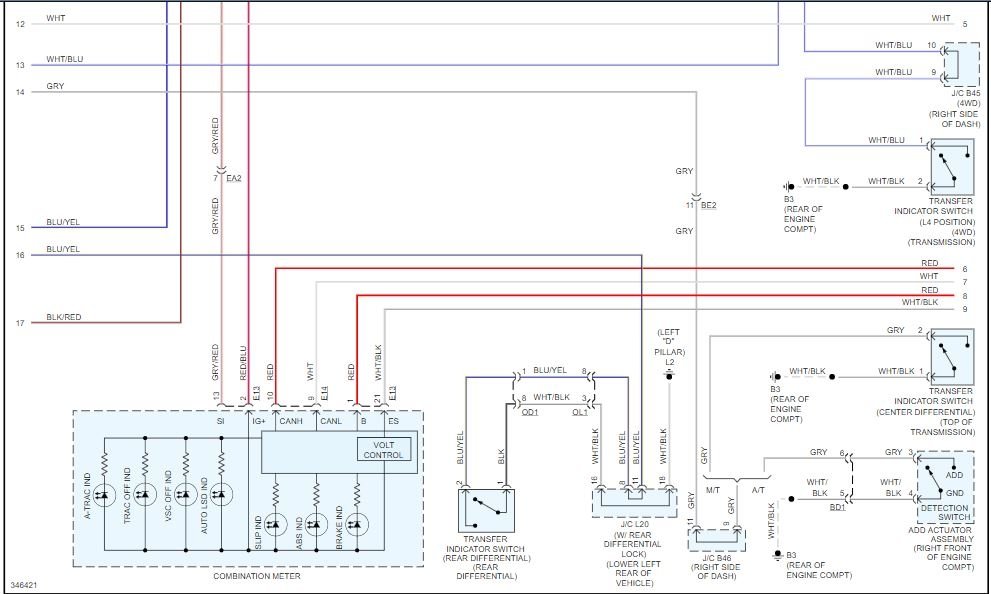
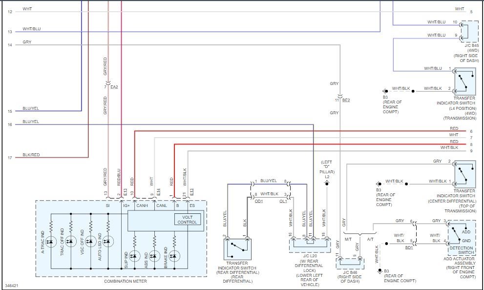
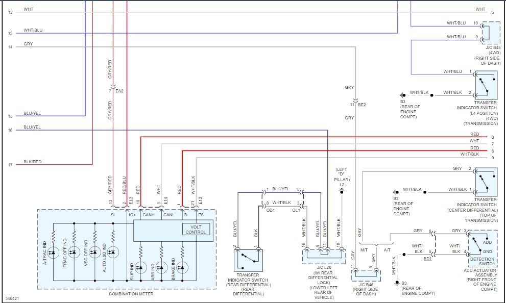
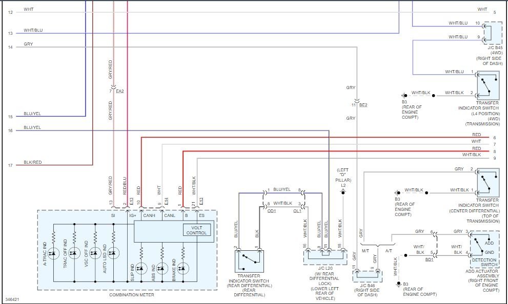
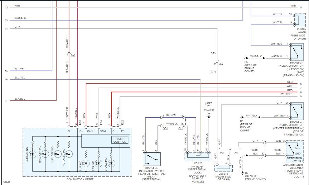
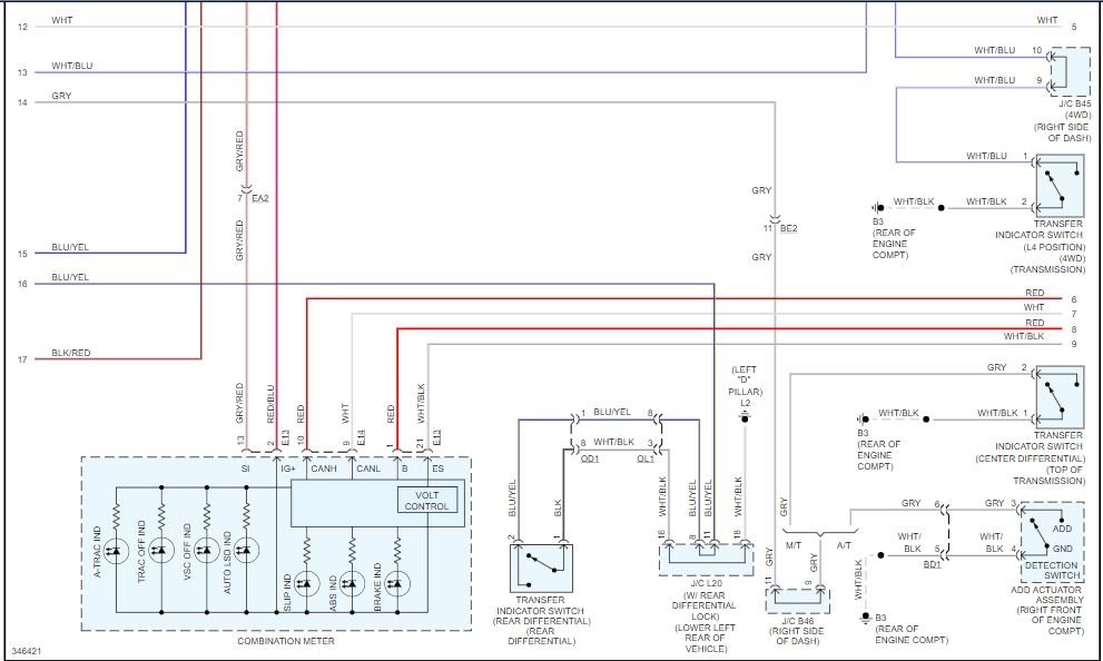
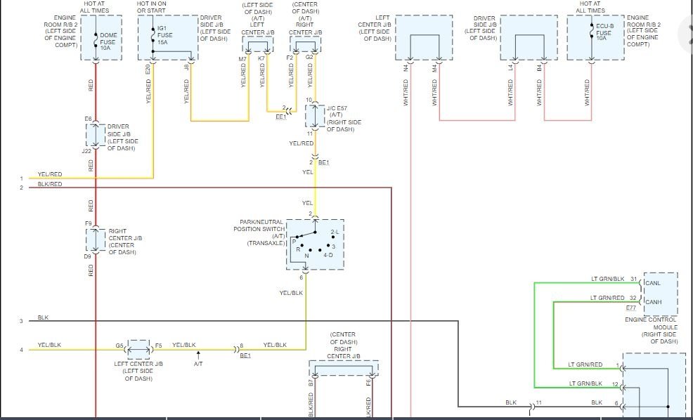
My vehicle listed above V8 1vd ftv engine. The, 4lo light blinks and engine light is on after some distance driving. When the vehicle is diagnosed with scan tool it has the following dtcs፦ P2121, P2138, C1249, C1246 and C1268.
What would be the root cause of the problem?How can I fix the problem?
With great regard.
Friday, March 20th, 2020 AT 2:34 PM
















