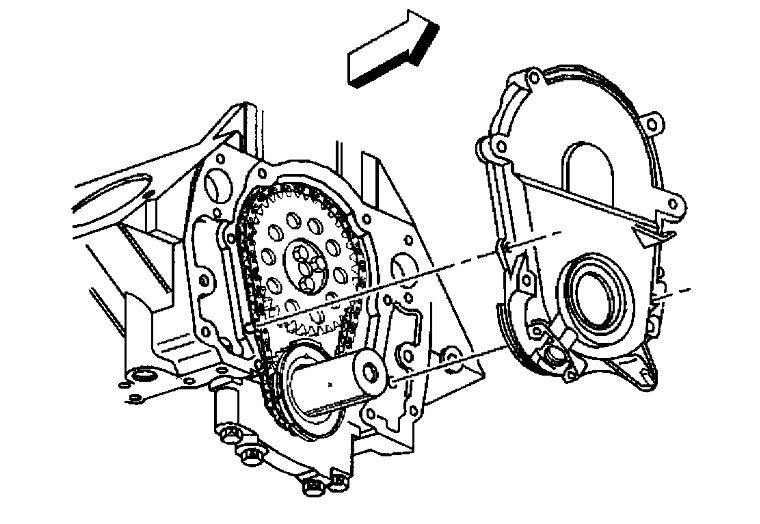
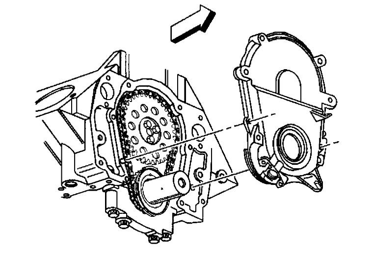
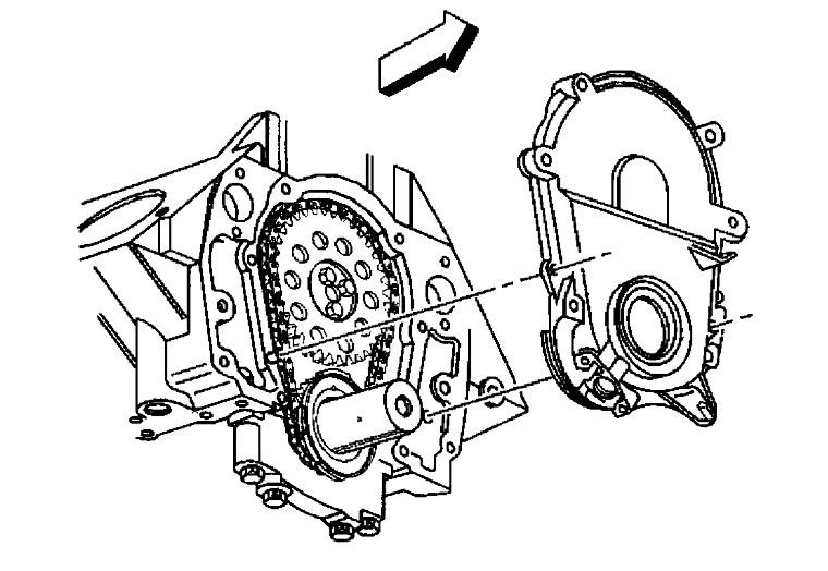
454 timing cover install

Tiny
WESTON454CHEV
  • MEMBER
  • 1975 CHEVROLET SILVERADO
  • 7.4L
  • V8
  • 2WD
  • AUTOMATIC
  • 123,456 MILES
Hey, I was just wondering is it okay to not use the bottom gasket on the timing cover and just RTV? Please let me know.
Wednesday, July 8th, 2020 AT 9:29 AM

1 Reply

Tiny
ASEMASTER6371
  • MECHANIC
  • 52,796 POSTS
Good morning,

No, you must use the seal on the bottom on the timing cover. RTV will not work. It will break down and leak all over.

To install it, loosen up the first 2 bolts on the oil pan on both sides by the timing cover. Use a screw driver to pry down slightly on the pan. That will give you enough room to install the timing cover with the seal installed.

Roy
Was this
answer
helpful?
Yes
No
Thursday, July 9th, 2020 AT 8:03 AM

Please login or register to post a reply.