4 pin trailer connector

Tiny
PASTORMINION
  • MEMBER
  • 2002 DODGE DAKOTA
  • 4.7L
  • V6
  • 2WD
  • AUTOMATIC
  • 135,000 MILES
I can't figure out which wires to splice to connect the harness to operate trailer lights.
Thursday, June 20th, 2019 AT 10:25 AM

1 Reply

Tiny
CARADIODOC
  • MECHANIC
  • 34,448 POSTS
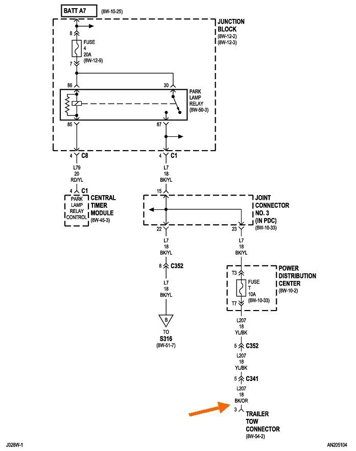
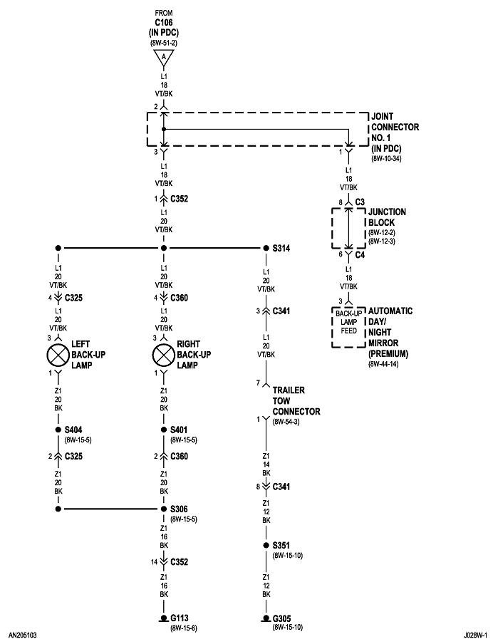
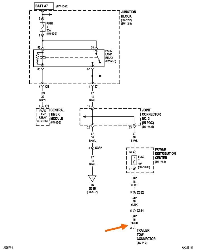
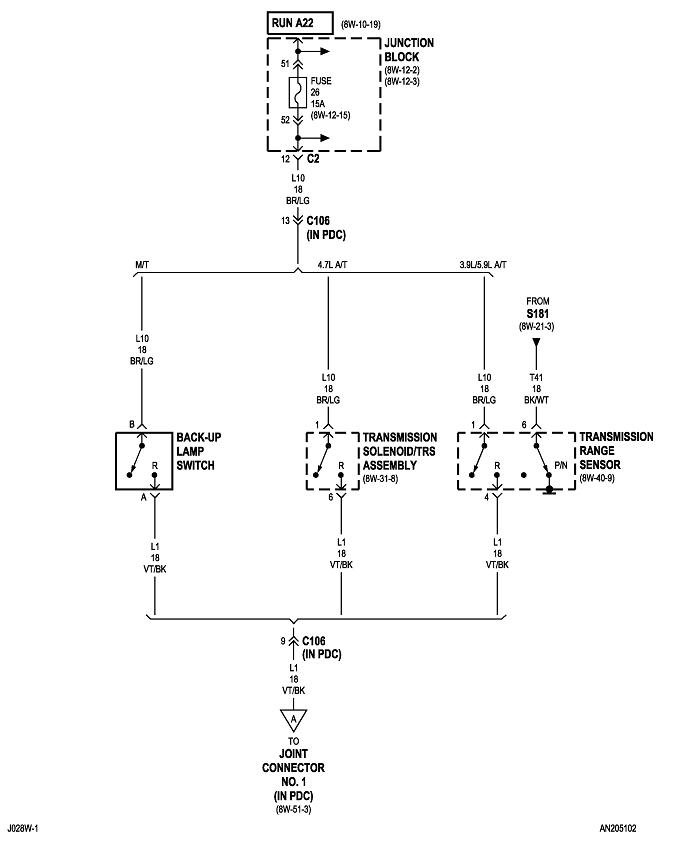
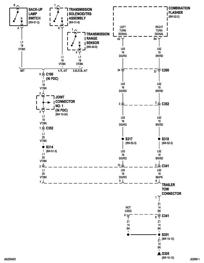
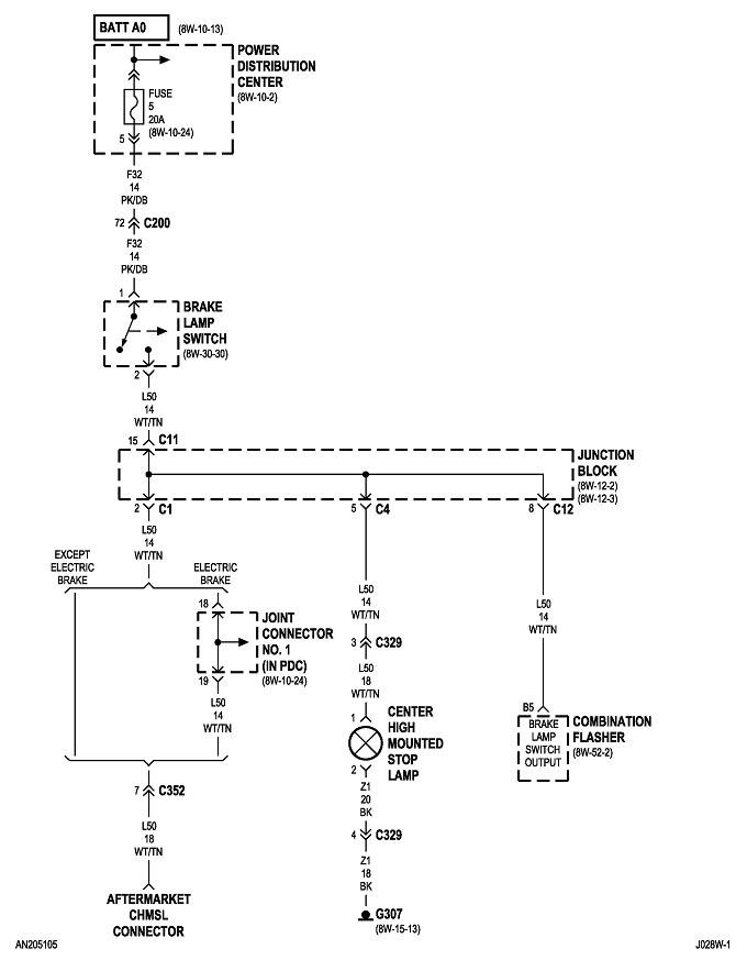
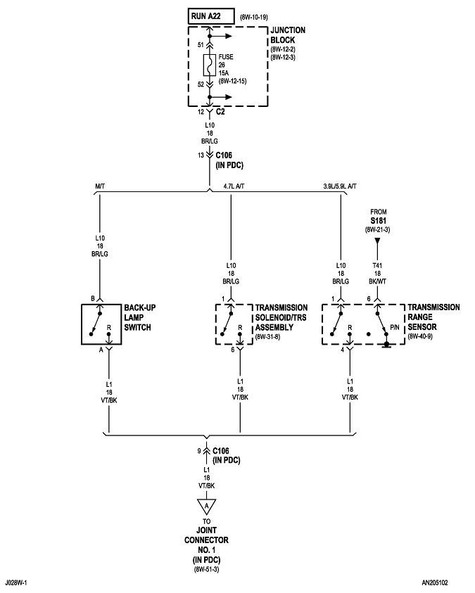
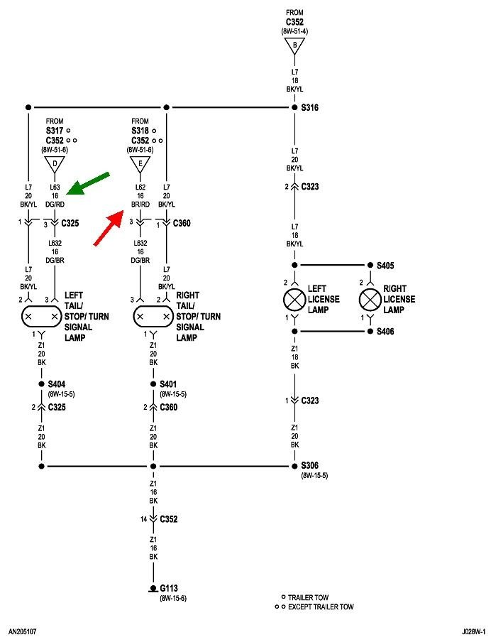
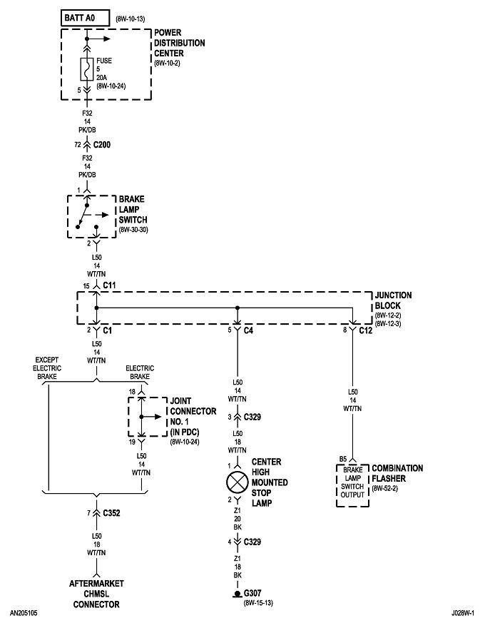
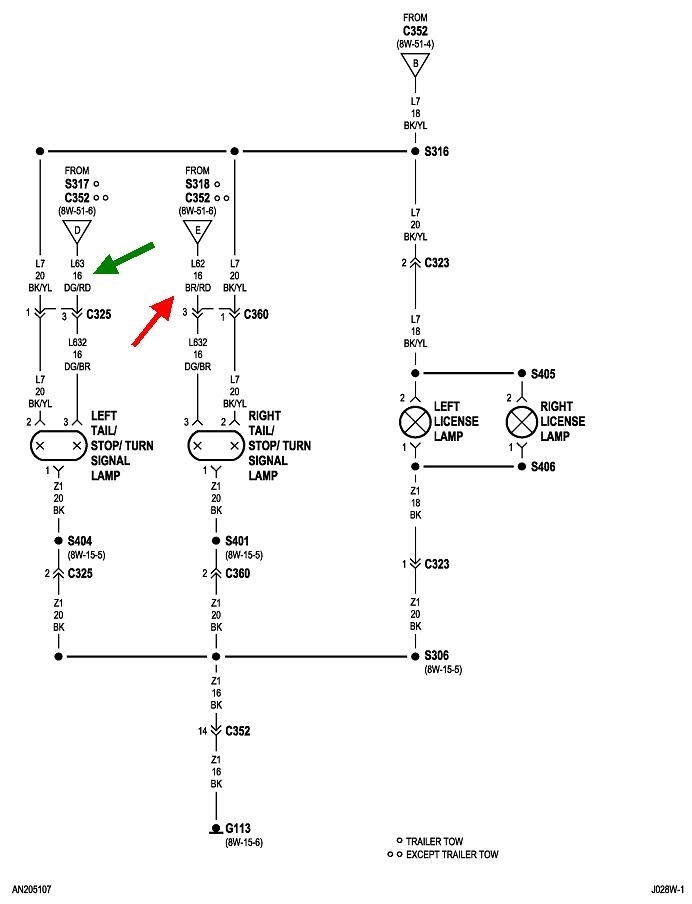
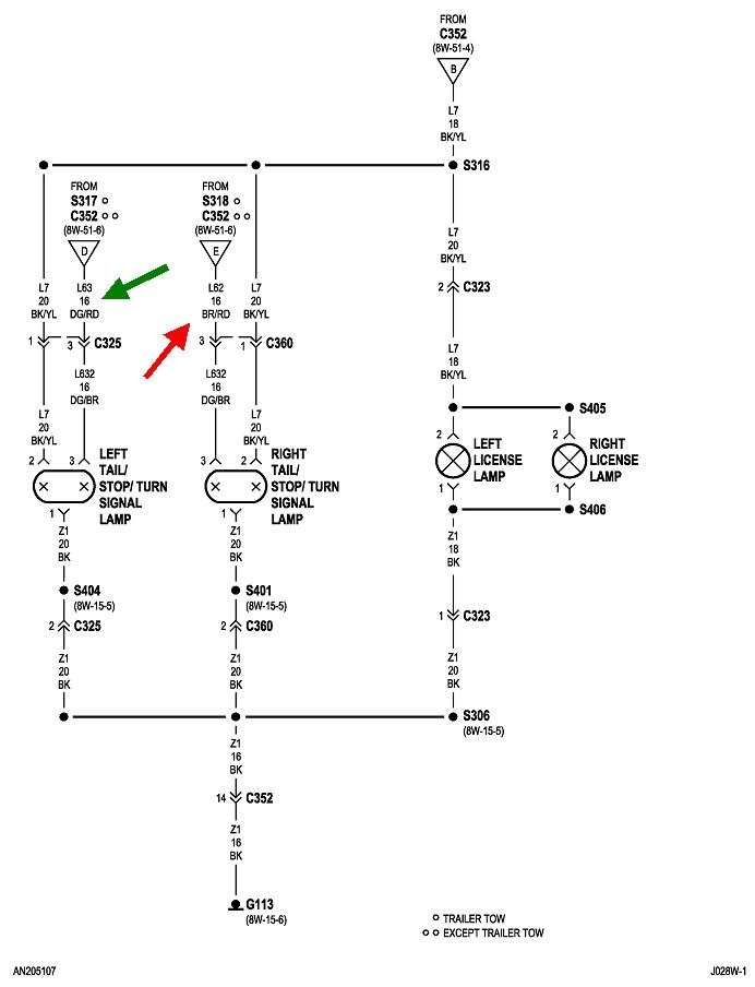
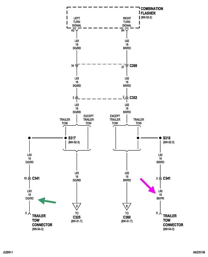
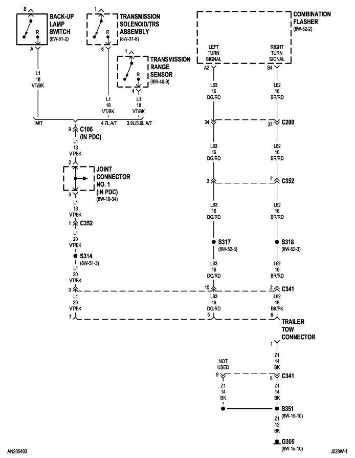
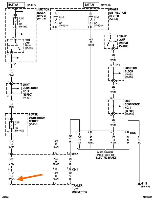
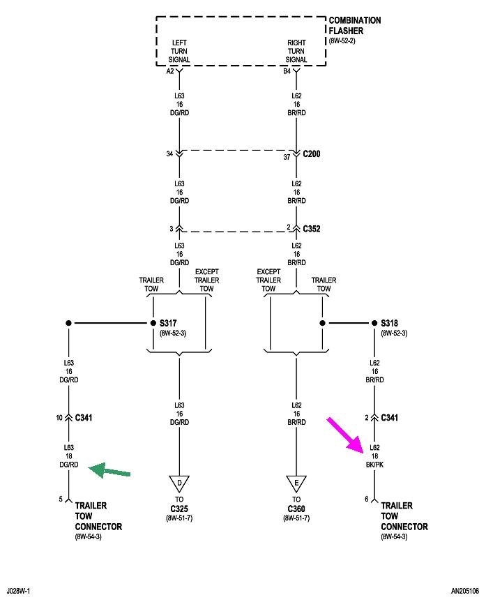
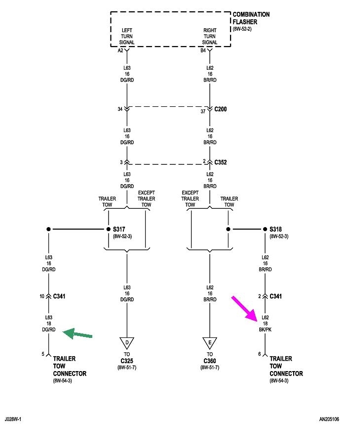
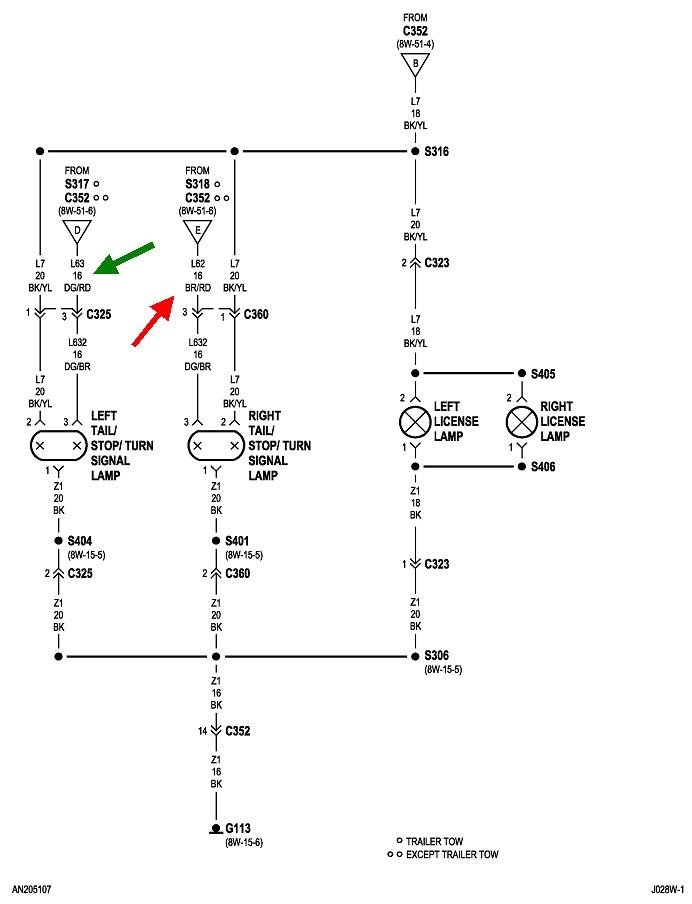
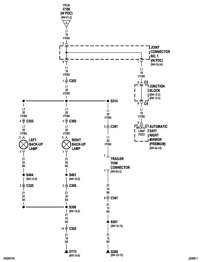
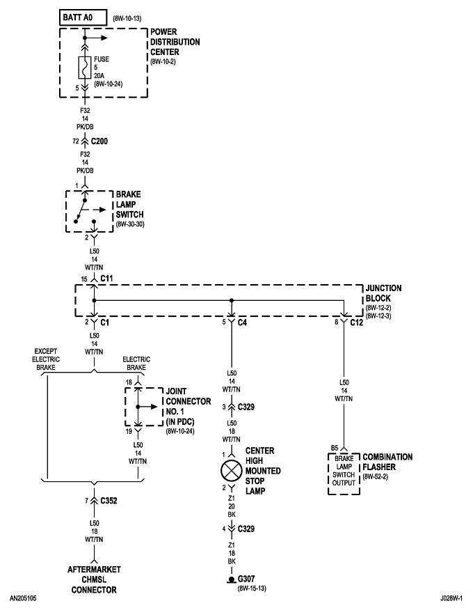
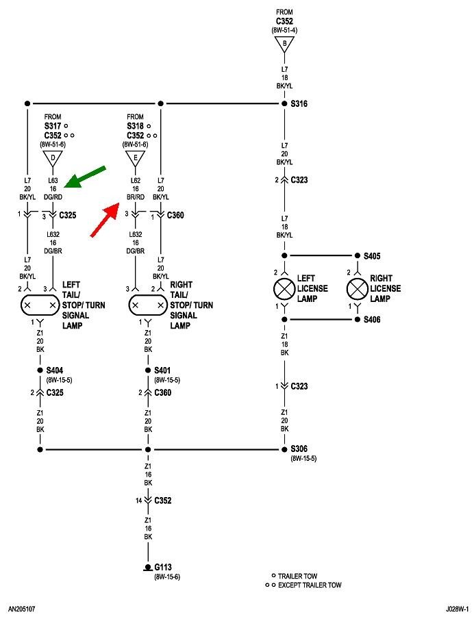
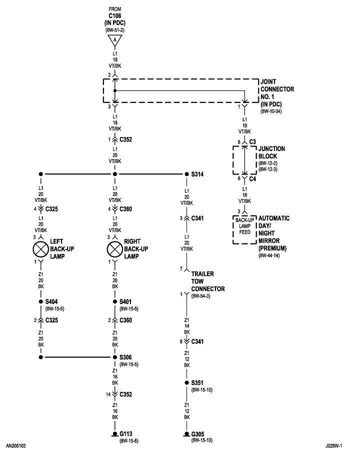
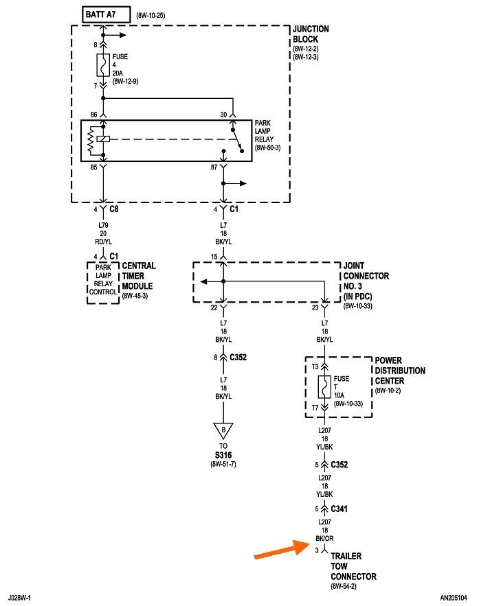
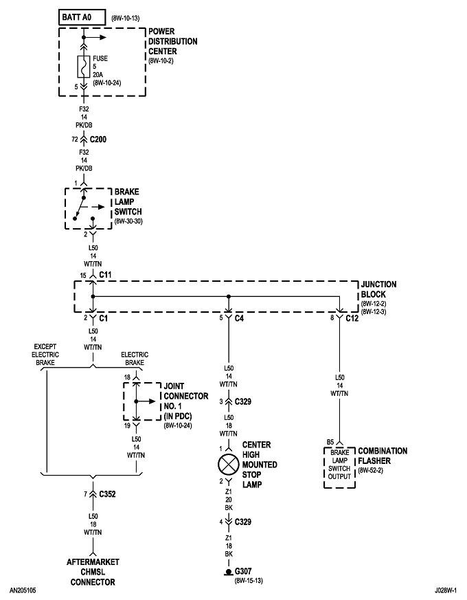
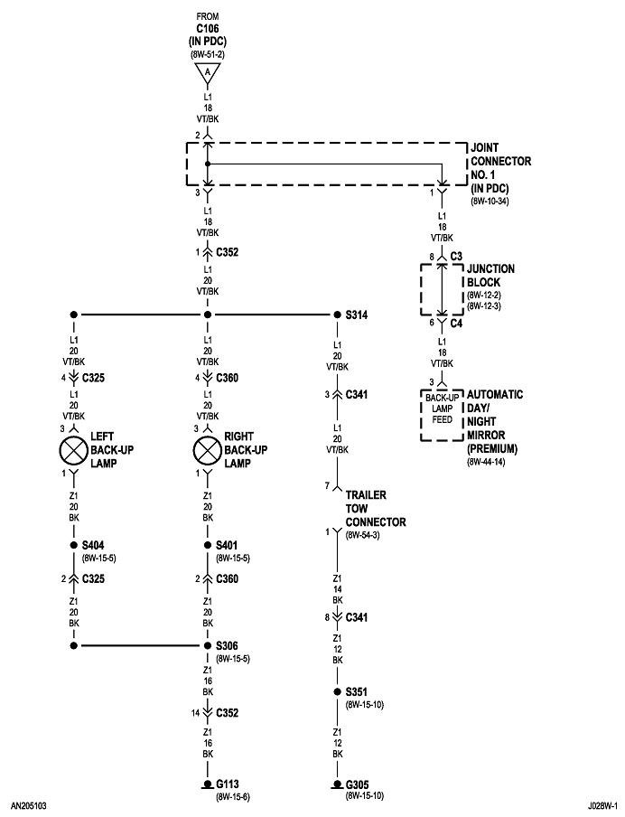
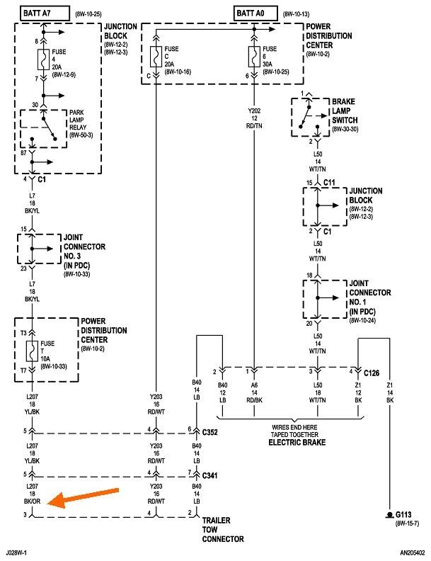
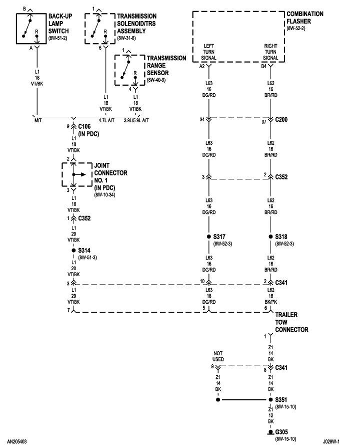
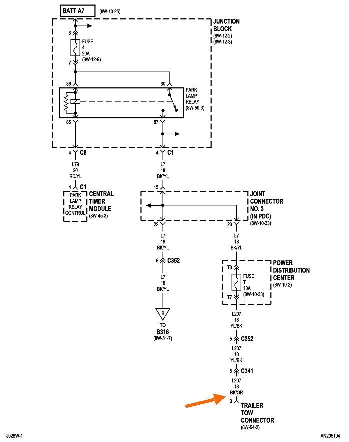
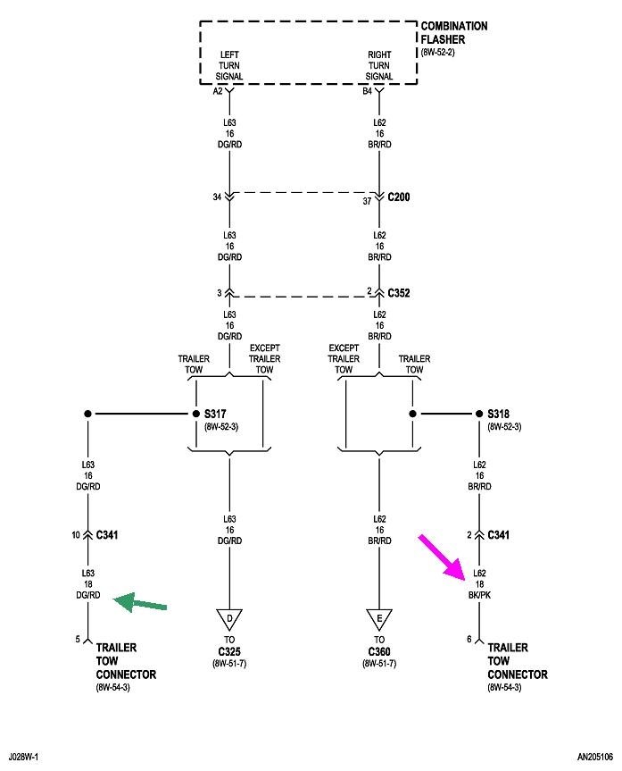
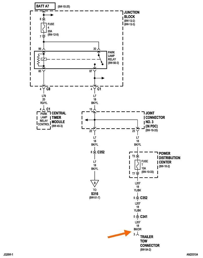
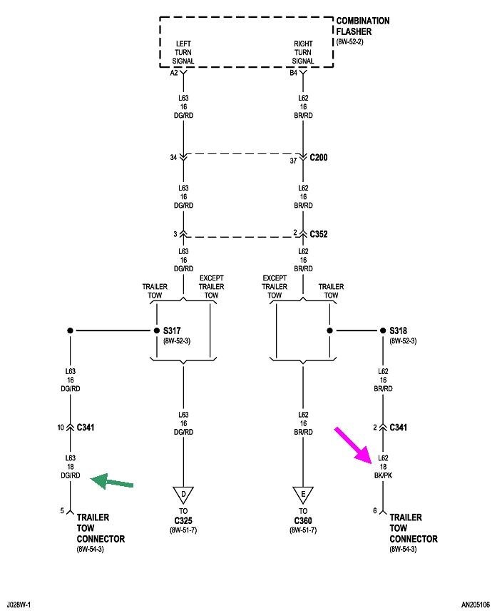
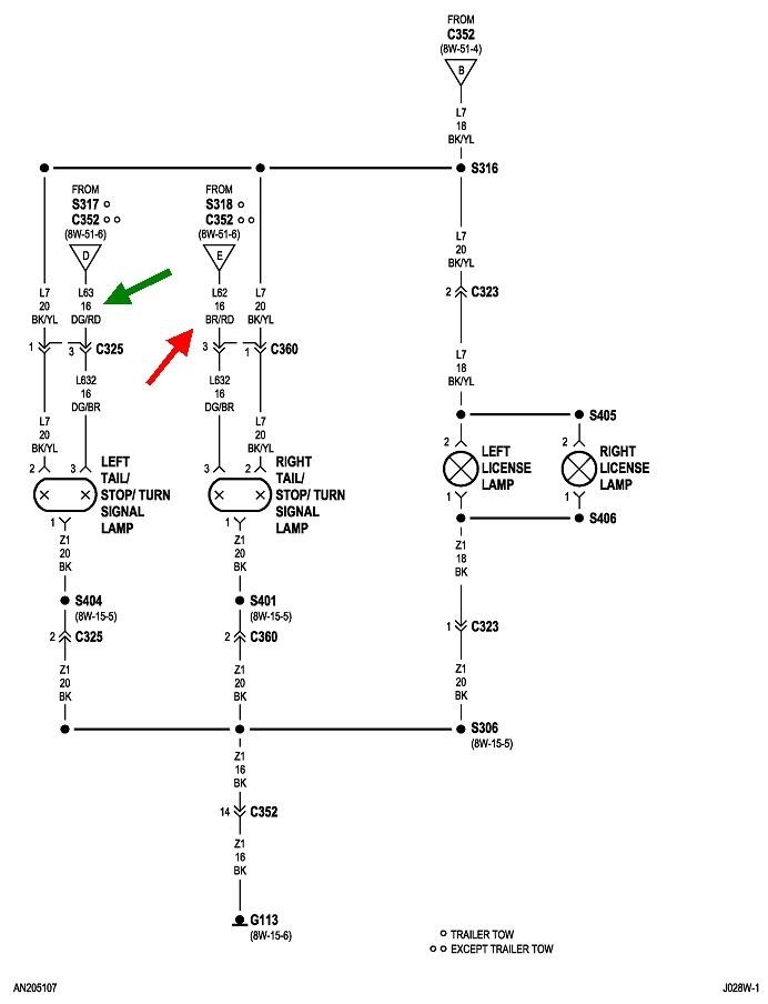
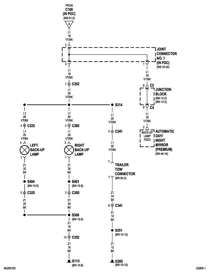
A lot of new vehicles have gone to separate brake and rear signal lights to make the signal switch less complicated and less expensive, but that means you need adapter harnesses to connect a trailer that uses one bulb for both functions. Your truck still has the common single bulb, so connecting any trailer is a lot easier. I posted all the diagrams for the rear lights even though you won't need all of them.

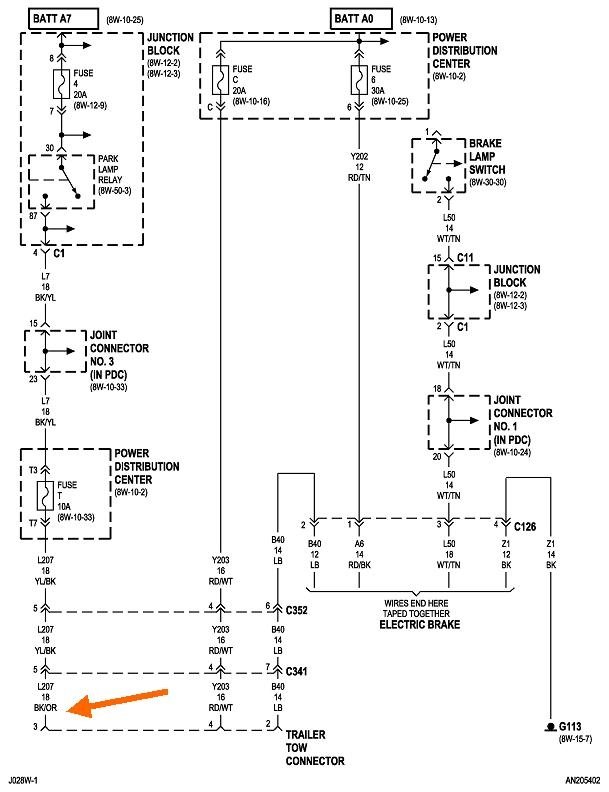
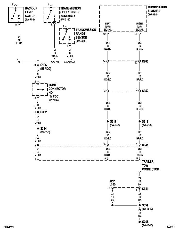
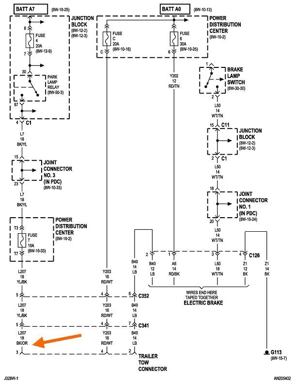
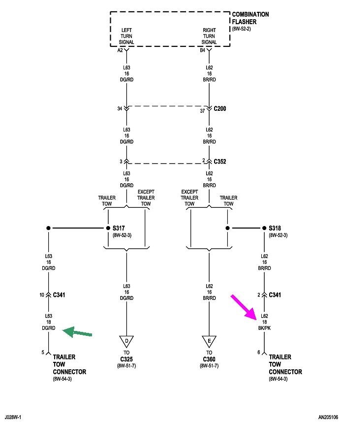
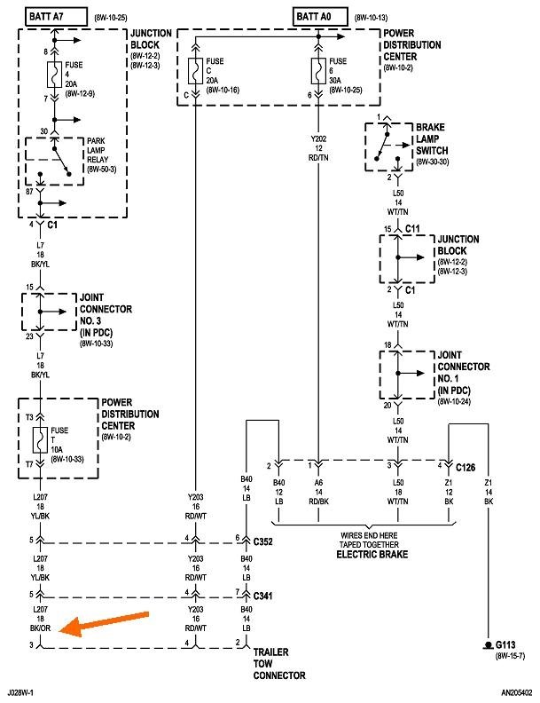
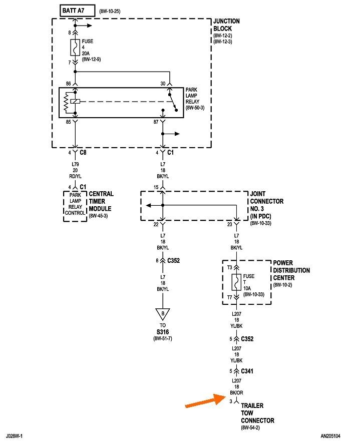
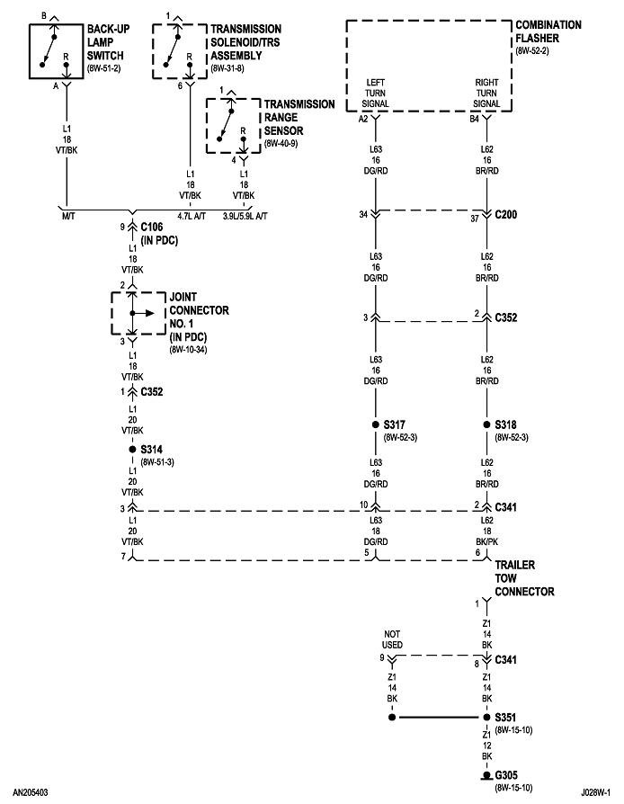
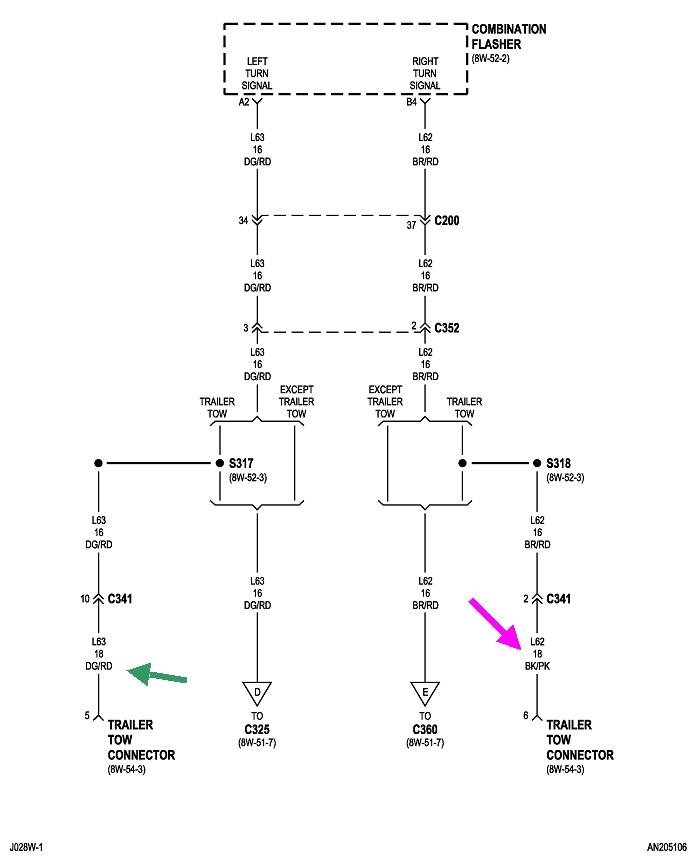
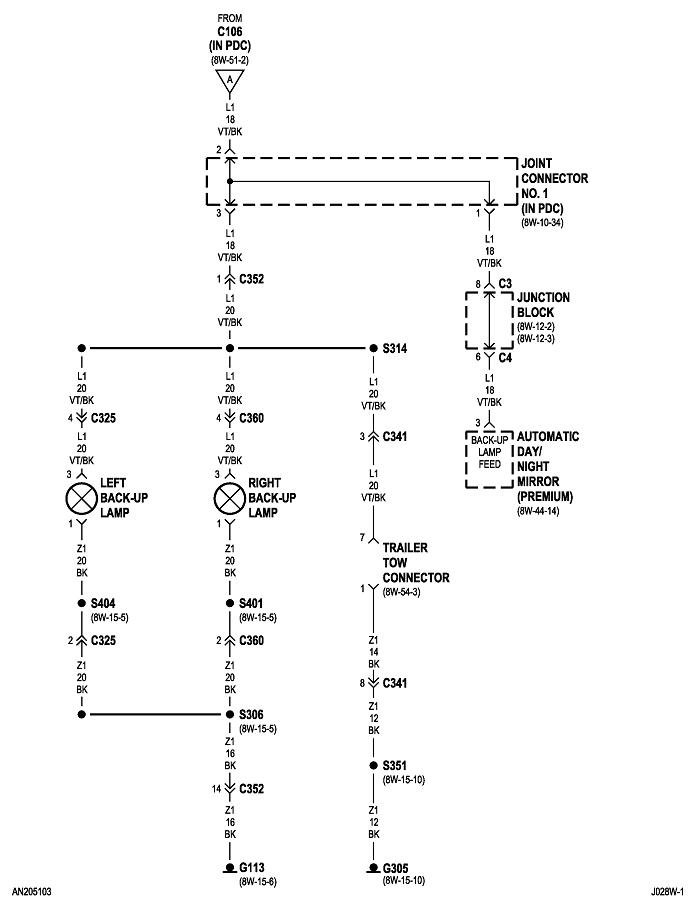
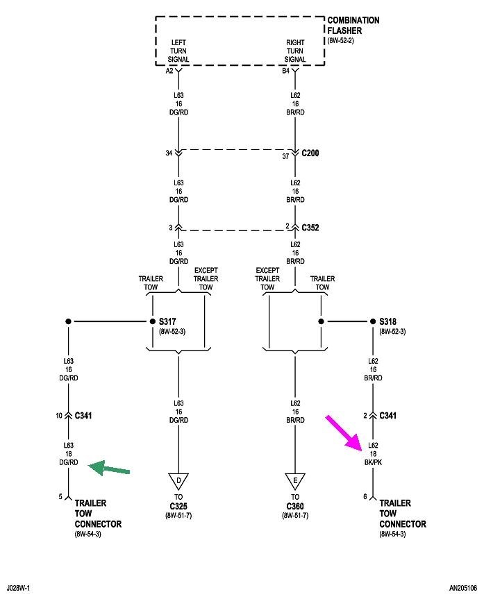
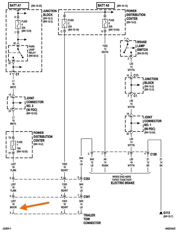
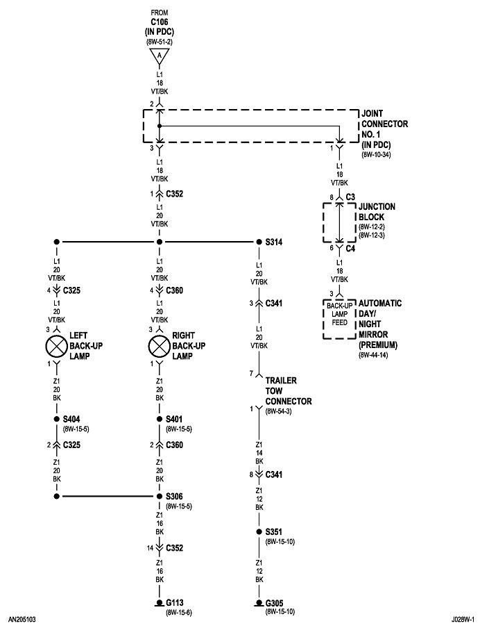
Look for connector C341 taped up in the harness at the rear of the truck. If you can find that, all the wires you'll need are in that connector. Look for the dark green / red wire for the left brake and signal light, and the black / pink for the right brake and signal light. The black / orange wire is for the tail lights. The ground wire is the black one in the lower right of the second diagram.

If you cut the wires off the connector, splice them to the trailer connector, then solder each splice, then seal them with heat-shrink tubing with hot melt glue inside to seal out moisture. Don't use Scotch-Lock connectors that come with some trailer wiring kits. Those don't seal out moisture. The wires will corrode in a few years. Also, I don't recommend electrical tape in cars and trucks as it will unravel into a gooey mess on a hot day.

To save time, visit the Chrysler dealer's parts department and ask for a harness that just plugs into this connector. As I recall, they will have the harness with the correct plug on both ends so you don't have to do anything except plug it in, connect the trailer, and buzz off into the sunset.
Was this
answer
helpful?
Yes
No
Thursday, June 20th, 2019 AT 3:38 PM

Please login or register to post a reply.