HOME
ASK A QUESTION
REPAIR GUIDES
BECOME A MEMBER
LOG IN
Login with Facebook
OR
Remember me
NOT A MEMBER?
FORGOT PASSWORD?
CONTACT US
PRIVACY POLICY
TERMS AND CONDITIONS
☰
Home
Ford
F-150
Exterior Light
Brake Light
Wiring
Third brake light wiring?
TRUCK CHICK
MEMBER
1997 FORD F-150
4.6L
V8
4WD
AUTOMATIC
200,000 MILES
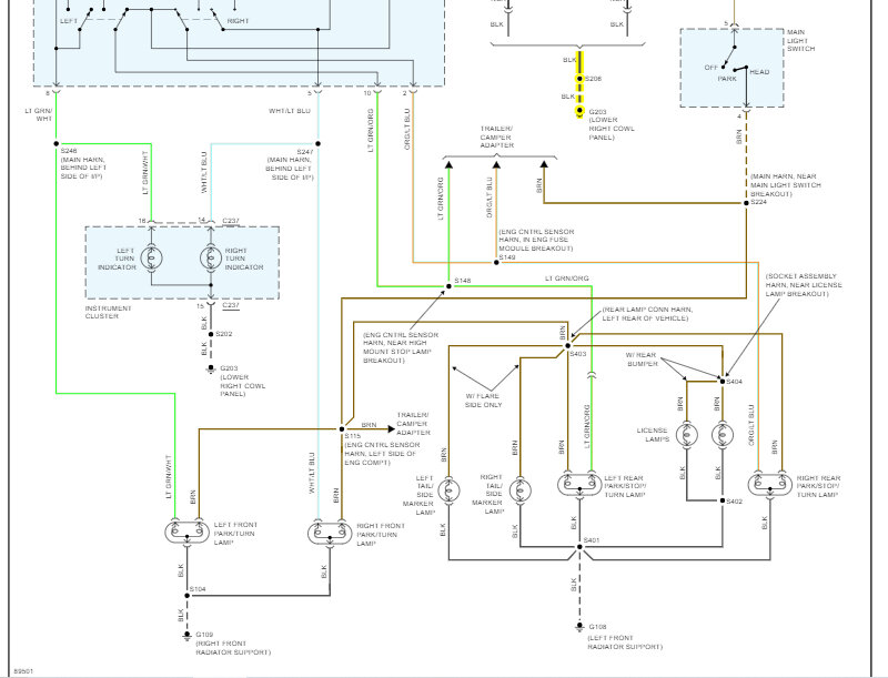
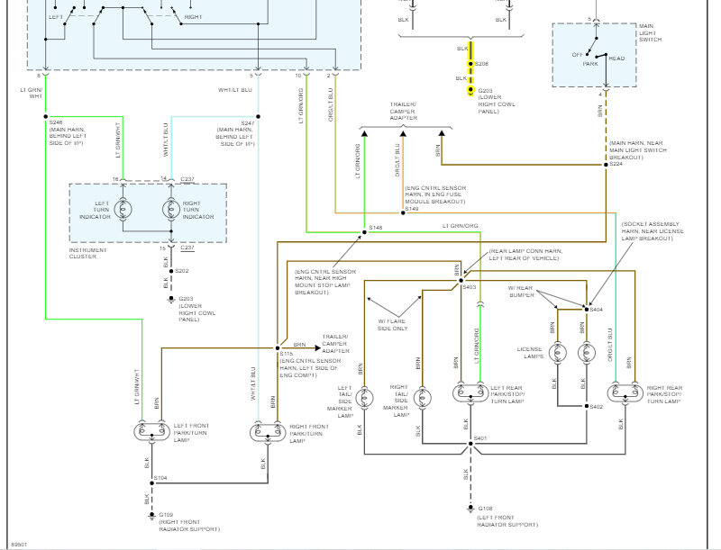
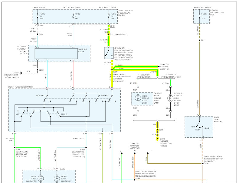
My high mount brake light the wires have been spliced and need to wire LED smoked replacement.
Tuesday, September 26th, 2023 AT 1:11 PM
1 Reply
JACOBANDNICKOLAS
MECHANIC
110,176 POSTS
Hi,
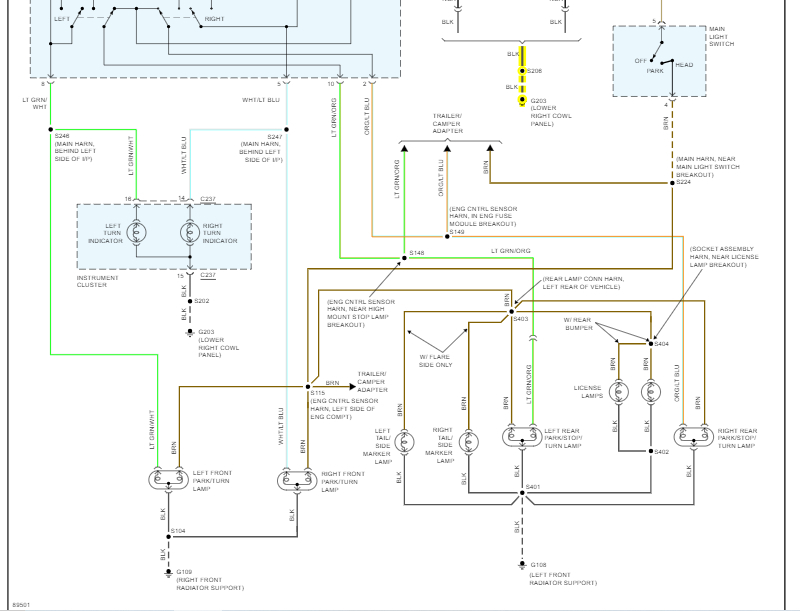
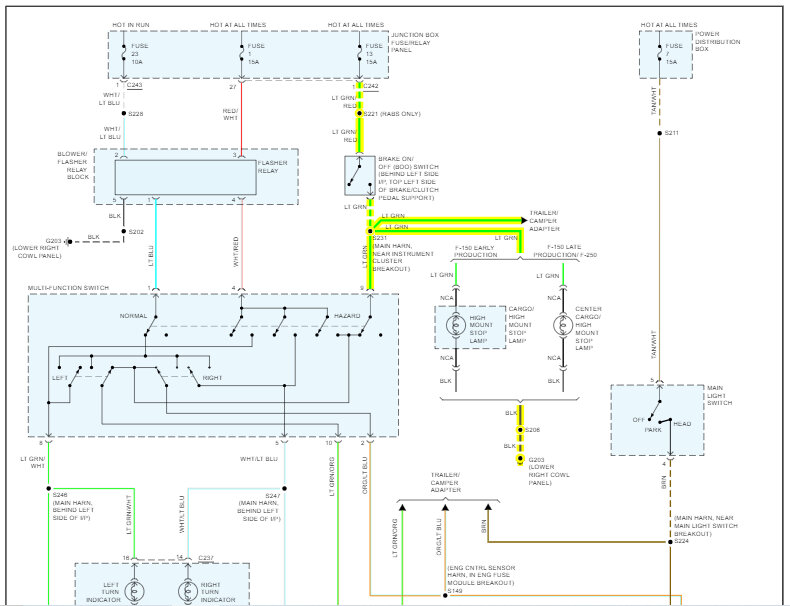
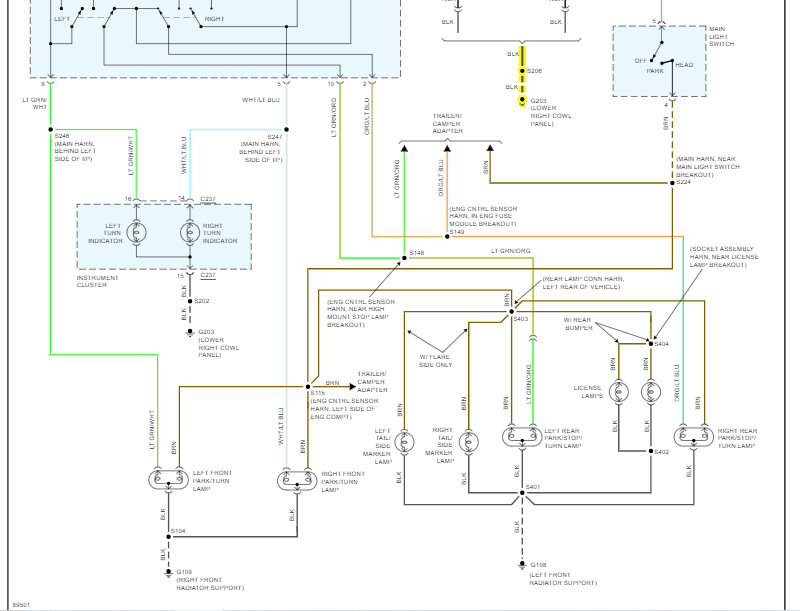
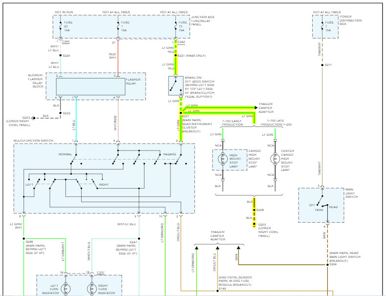
Do you need a wiring schematic for the light? I'm not sure what you are asking for. If it is a schematic, I attached it below.
Let me know if this helps.
Take care,
joe
See pic below.
Images (Click to make bigger)
Was this
answer
helpful?
Yes
No
Tuesday, September 26th, 2023 AT 1:32 PM
Please
login
or
register
to post a reply.
Related Brake Light Wiring Content
Brake Light Wiring
I Put A Topper Shell On My Truck That Has An Eye Level Brake Light. Where Do I Connect The Wire For That Light That Will Only Light For...
Asked by
Gary McKee
·
3 ANSWERS
1 IMAGE
2014
FORD F-150
Brake Lights
I Just Bought An 81 Ford F150 Custom It Runs On Propane And The Brake Lights Dont Work I Have Running Lights And My Blinkers Work But We Put...
Asked by
Kori
·
2 ANSWERS
FORD F-150
1997 Ford F150 My Brake Lights Dont Work ,how Do I...
My Brake Lights Dont Work My Bulbs Are All Good , My Fuses Are All Good How Do I Check The Brake Switch Above The Brake Pedal
Asked by
walla
·
1 ANSWER
1997
FORD F-150
1997 Ford F150 Brake Lights / Gearshift Problem
I Have A 1997 Ford F150 V8 4.6l With 160,000 Miles. The Brake Lights Do Not Go On When The Pedal Is Depressed. This Is Causing A Problem...
Asked by
bltrebbi
·
2 ANSWERS
1997
FORD F-150
1997 Ford F150 Brake Lights
I Went To Get The Inspection Sticker Today And My Brake Lights Didnt Work. The Guy Doing The Inspection Checked The Fuse And Replaced It....
Asked by
deverettb
·
1 ANSWER
1997
FORD F-150
VIEW MORE
Ask a Car Question. It's Free!
How to Use a Test Light
Turn Signals Blink Fast
Have a Dim Headlight? - Try Replacing This!