abs right front inlet solenoid valve malfunction

2003 HONDA ODYSSEY
165,000 MILES • 2.3L • 6 CYL • FWD • AUTOMATIC
Avatar
D69B
  • MEMBER
  • 1 POST
What does this mean and how can it be repaired ?
Aug 5, 2014 at 11:38 PM
Advertisement
Repair Safety Notice: This information is for general instructional purposes only. Vehicle repair can be dangerous. Verify all information, follow manufacturer service procedures, use proper tools and safety equipment, and consult a qualified repair shop when needed.
Avatar
KASEKENNY
  • AUTOMOTIVE REPAIR CONTRIBUTOR
  • 18,907 POSTS
This is telling you that there is an issue in the ABS module with the inlet solenoid that controls fluid pressure during an ABS event. I attached the testing that we need to run through in order to find out what the issue is.

Let's run through this and let me know what questions you have.

Here is a guide that will help explain how to test the wiring as that is required on this issue:

https://www.2carpros.com/articles/how-to-check-wiring
Nov 27, 2020 at 12:25 PM
Avatar
4DRTOM
  • AUTOMOTIVE REPAIR CONTRIBUTOR
  • 467 POSTS
Hello,

The system relay is energized when the ignition is on. The system relay supplies voltage to the valve solenoids and the pump motor. This voltage is referred to as the system voltage. The Electronic Brake Control Module (EBCM) microprocessor activates the valve solenoids by grounding the control circuit. The Solenoid Valve circuit is internal to the EBCM. The EBCM sets the OBDII code when the commanded state of the driver and the actual state of the control circuit do not match.

Here are the common causes for that issue:

1. Faulty Electronic Brake Control Module (EBCM).
2. Electronic Brake Control Module (EBCM) harness is open or shorted.
3. Electronic Brake Control Module (EBCM) circuit poor electrical connection.

You should get to the module and make sure the harness is connected good and that there's not any corrosion on the terminals and that everything is connected properly but your probably looking at replacing the module.

I have attached a pic of the system components locations for your to use to see where it is and our article on changing out the ABS module.

https://www.2carpros.com/articles/how-to-replace-a-abs-controller

Tom
Thanks for using 2CarPros.
We're here to help.
Nov 27, 2020 at 12:36 PM
Advertisement
Avatar
ASEMASTER6371
  • AUTOMOTIVE REPAIR CONTRIBUTOR
  • 52,796 POSTS
Good afternoon,

That part is internal in the ABS hydraulic module. It is operated by the module when the ABS system is activated.

Can you give me the code number so I can help narrow the area?

https://www.2carpros.com/articles/how-to-replace-a-abs-controller

Roy

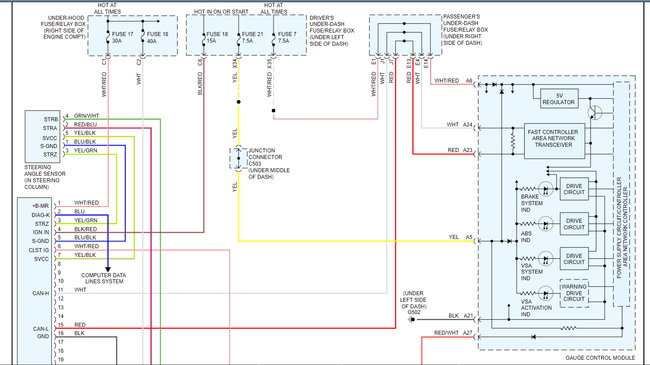
VSA Modulator-Control Unit Removal and Installation

NOTE:
Do not spill brake fluid on the vehicle; it may damage the paint; if brake fluid gets on the paint, wash it off immediately with water.
Be careful not to damage or deform the brake lines during removal and installation.
To prevent the brake fluid from flowing, plug and cover the hose ends and joints with a shop towel or equivalent material.

Removal


imageOpen In New TabZoom/Print


1. Push down the lock (A) on the VSA control unit 47P connector (B), and remove the connector.
2. Disconnect the six brake lines from the VSA modulator-control unit (C).
3. Remove the three 6 mm bolts, then remove the VSA modulator-control unit with bracket (D) from the body.
4. Remove the three hex bolts, then remove the VSA modulator-control unit from the bracket.

Installation
1. Install the VSA modulator-control unit on the bracket, then tighten the three hex bolts.
2. Install the VSA modulator-control unit/bracket on the body, then tighten the three 6 mm bolts.
3. Reconnect the six brake lines, then tighten the nuts.
4. Set the 47P connector into the control unit connector.
5. Carefully pull up the lock of the VSA control unit 47P connector until you hear it click into place, then confirm the connector is fully seated.
6. Bleed the brake system, starting with the front wheels.
7. Do VSA sensor neutral position memorization.
8. Start the engine, and check that the ABS and VSA indicators go off.
9. Test-drive the vehicle, and check that the ABS and VSA indicators do not come on.
Nov 27, 2020 at 12:59 PM