Stereo wiring diagram needed?

Tiny
LARRYFFF
  • MEMBER
  • 2023 KIA OPTIMA K5
  • 1.6L
  • 4 CYL
  • 4WD
  • AUTOMATIC
  • 500 MILES
I want to replace the front speakers and dash tweeters. I know the tweeters are wired in parallel. I'm going with a component system. Where would I put the crossover? How do I get the wiring from the crossover to the door speakers and to the dash tweeters?
Thanks
Tuesday, May 9th, 2023 AT 6:09 AM

3 Replies

Tiny
JACOBANDNICKOLAS
  • MECHANIC
  • 110,194 POSTS
Hi,

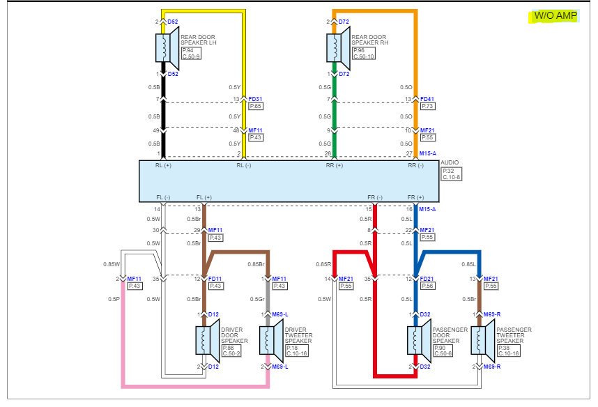
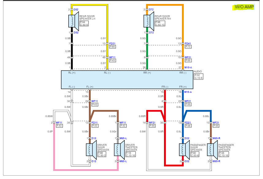
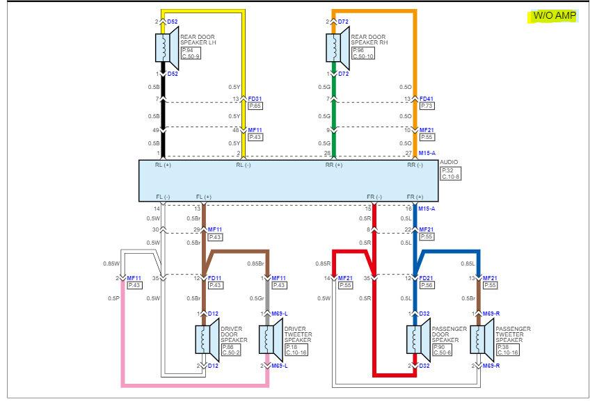
As far as a crossover, chances are you will need to use the manufacturer's wiring schematic provided with the new system to make that determination.

I attached the wiring schematic for the speakers below. Note one is without an amp and the other is with an amp.

Let me know if this helps.

Take care,

Joe

See pics below.
Was this
answer
helpful?
Yes
No
+2
Tuesday, May 9th, 2023 AT 8:23 PM
Tiny
LARRYFFF
  • MEMBER
  • 2 POSTS
Thank you, Joe. Is there any way to tell where the woofer/tweeters wire junctions are? In door or somewhere else? Labeled FD11 and FD21 in the diagram.
Larry
Was this
answer
helpful?
Yes
No
Wednesday, May 10th, 2023 AT 5:46 AM
Tiny
JACOBANDNICKOLAS
  • MECHANIC
  • 110,194 POSTS
Hi,

They don't provide specifics. However, the splices are usually done near the first speaker being supplied. I've seen them piggyback off one connector. In this case, which is what I'm thinking was done. Start there and let me know what you find.

Take care,

Joe
Was this
answer
helpful?
Yes
No
Wednesday, May 10th, 2023 AT 7:43 PM

Please login or register to post a reply.