Wednesday, June 11th, 2025 AT 6:44 PM
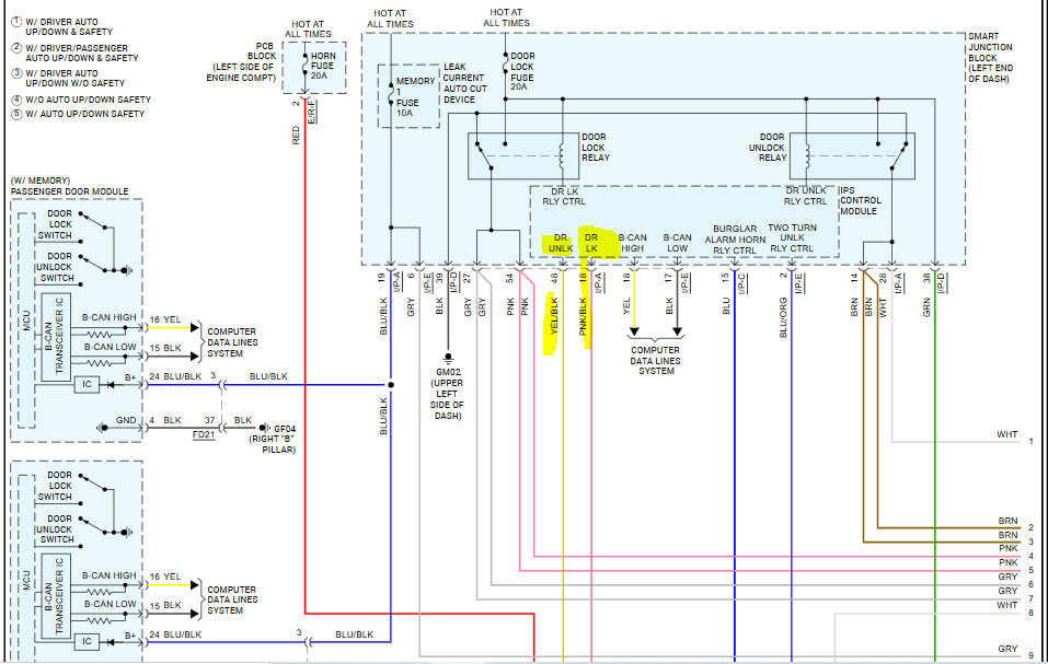
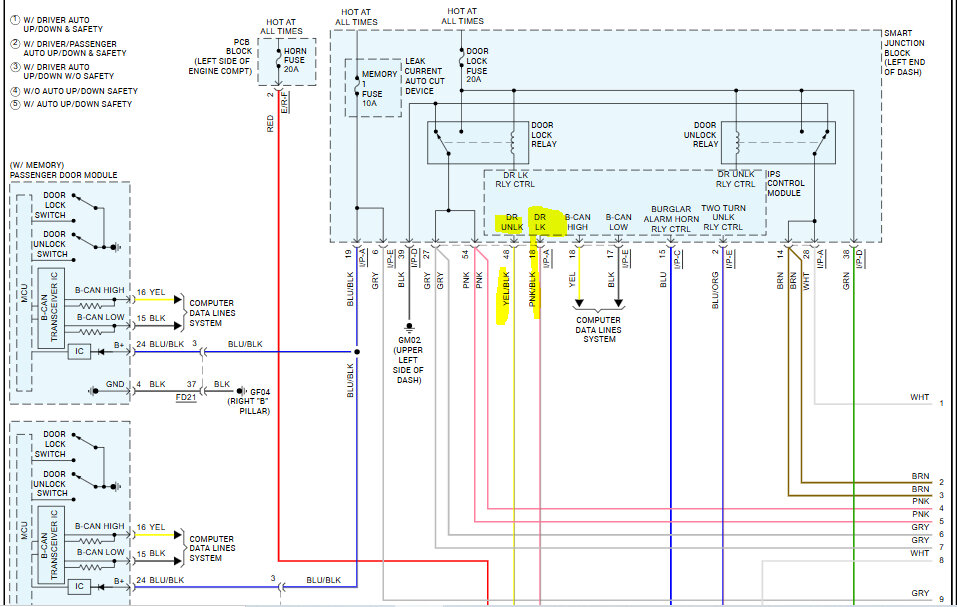
I want to install a ikeyFree Pro, a smart keyless entry system to my vehicle listed above EX model. I need to locate the lock and unlock wires near the fuse box, by the kick side panel or a place where it is easy to splice the wires. Any help would be appreciated.




