Wednesday, March 19th, 2025 AT 4:45 PM
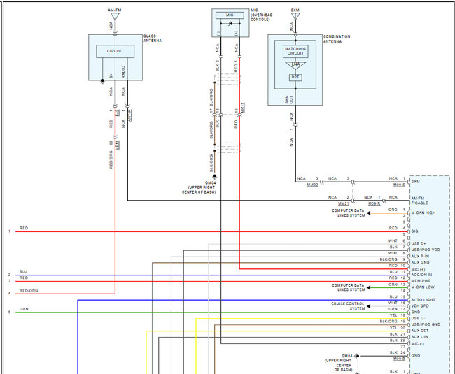
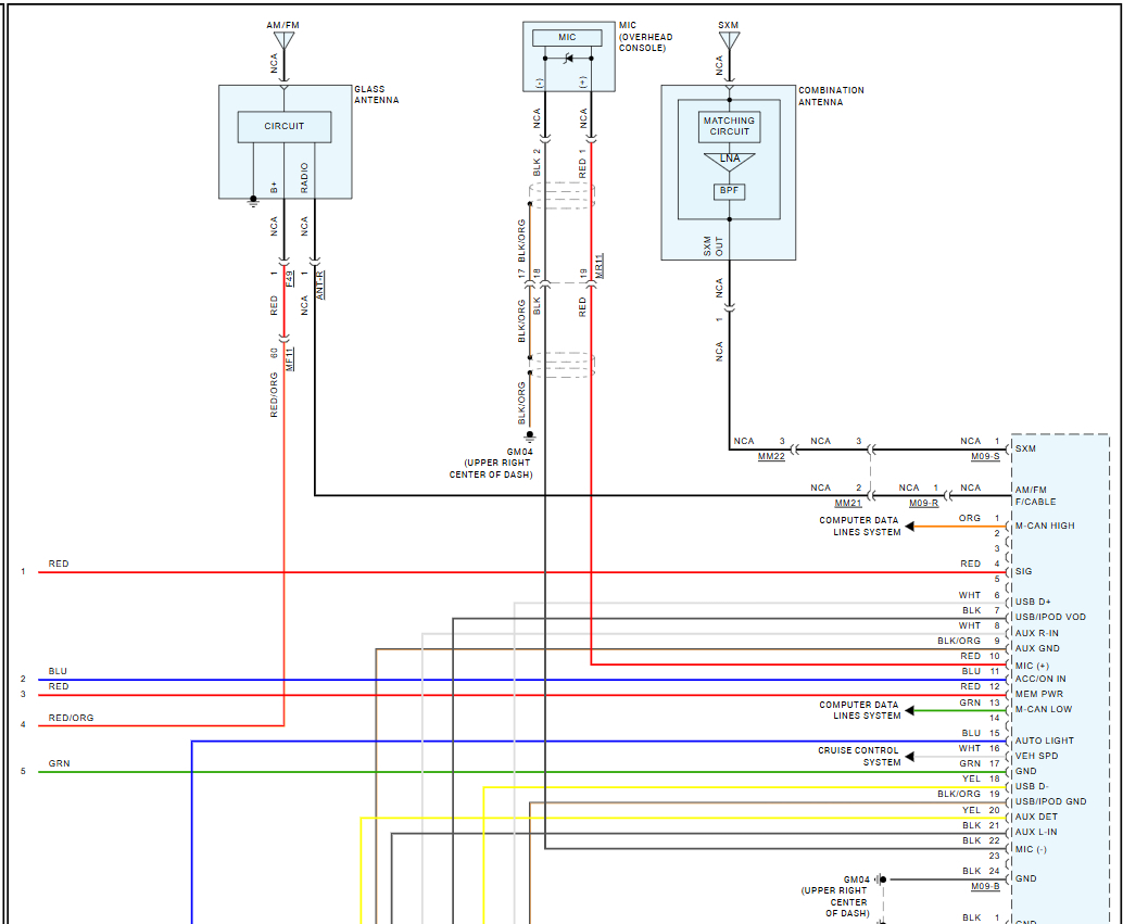
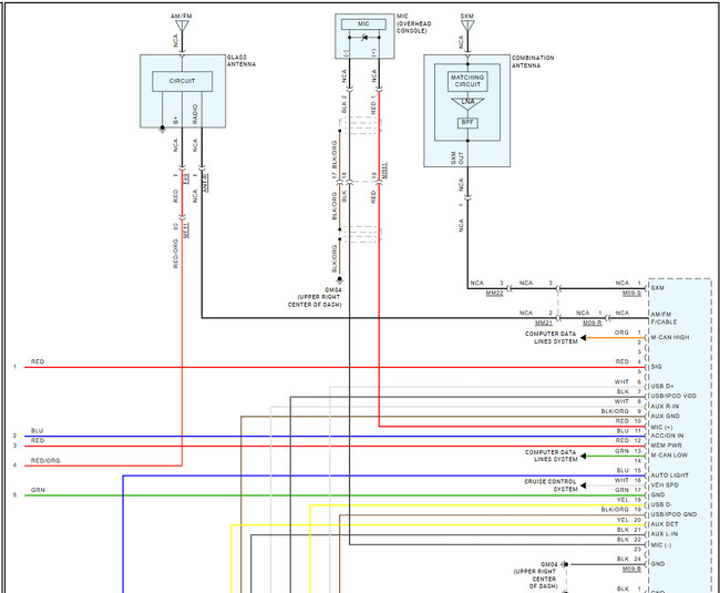
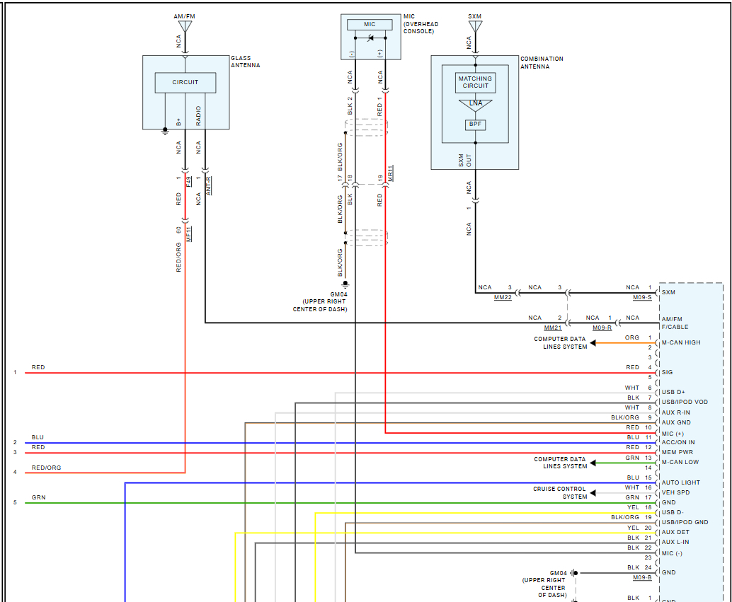
The vehicle listed above is an LE mode. Looking for a wiring diagram for the vehicle listed. The display is the stock display, has android auto and apple car play. Has UVO availability as well.




