Thursday, July 7th, 2022 AT 7:50 AM
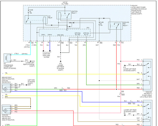
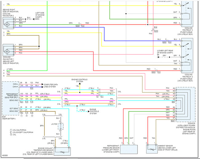
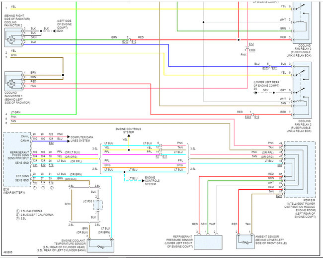
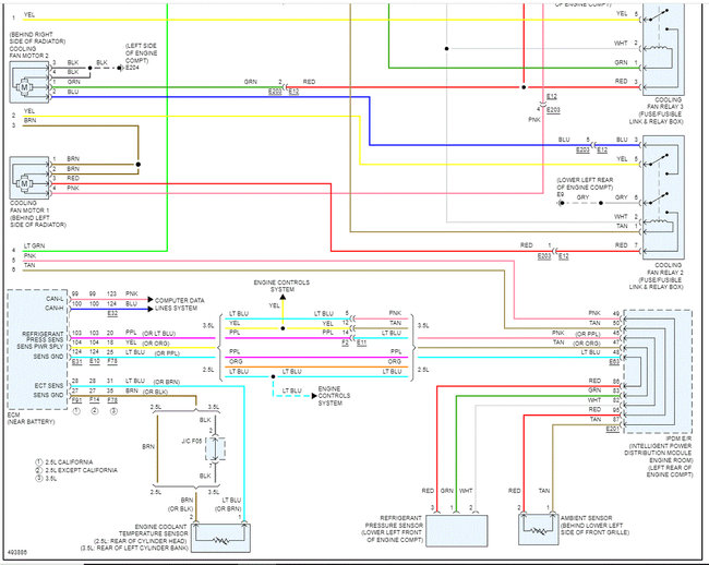
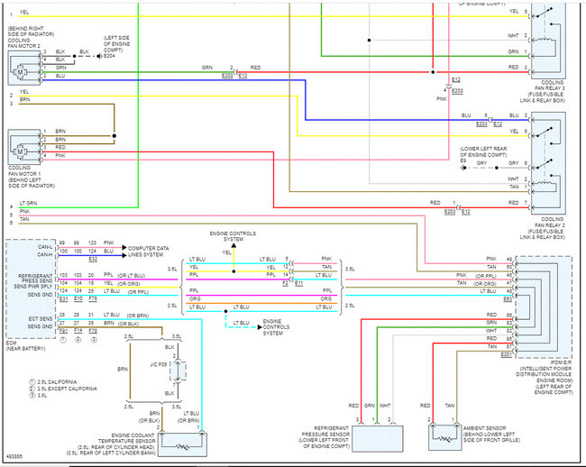
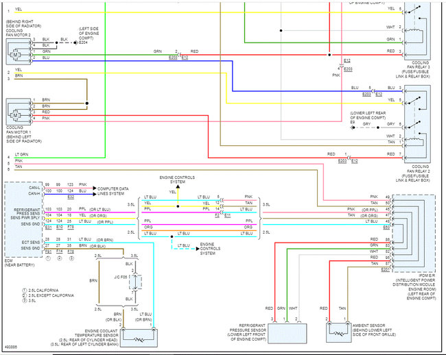
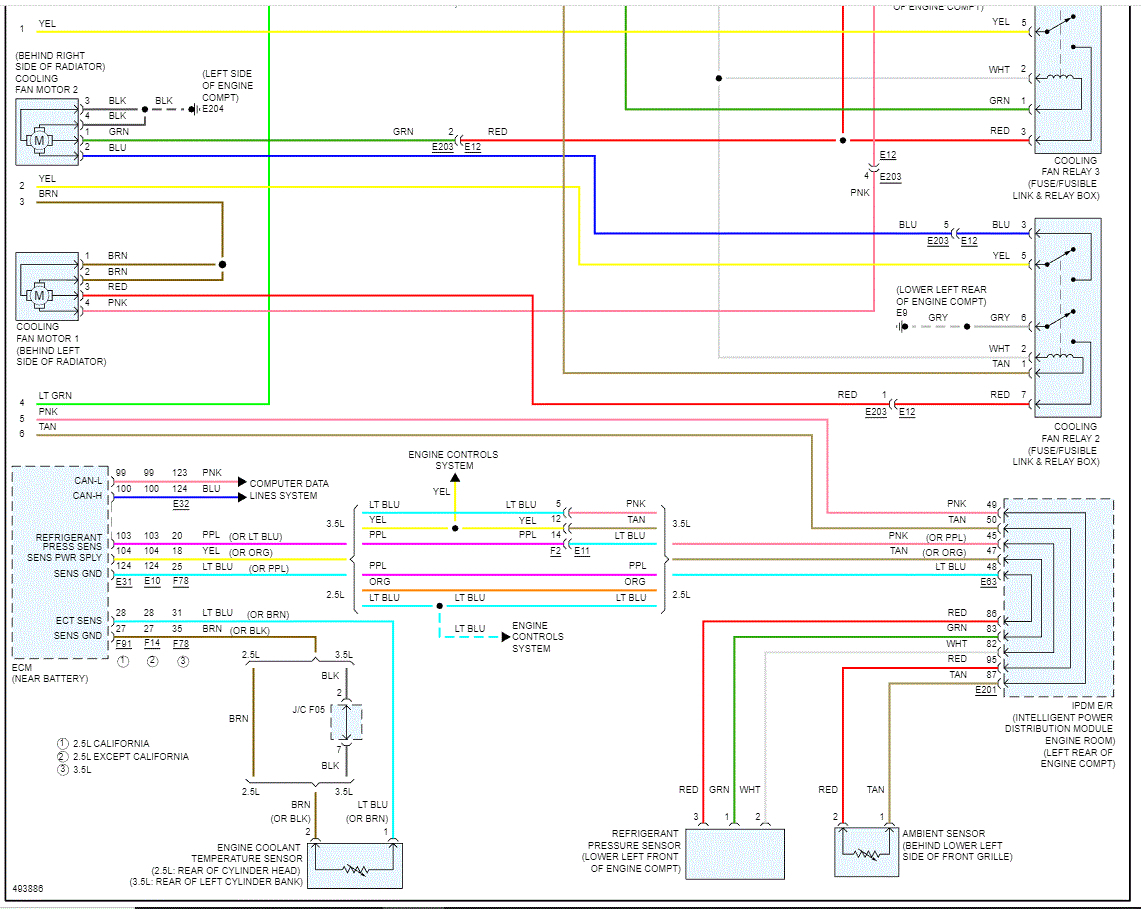
Air Conditioning does not work on my car listed above, base. I bought it with a rebuilt title from front end collision. I have verified the compressor clutch engages and compressor is free. New high/low pressure switch. Evacuated and recharged appropriately. I am now trying to go through all of the sensors to test them, but I need to know which ones exist and how they are operating to move forward. So, I am trying to find a full wiring diagram. Specifically, to HVAC, but also the ECM connections. I found damage to the ECM connectors and need to trace back specific wiring to see if any is affected. This is fun!






