HOME
ASK A QUESTION
REPAIR GUIDES
BECOME A MEMBER
LOG IN
Login with Facebook
OR
Remember me
NOT A MEMBER?
FORGOT PASSWORD?
CONTACT US
PRIVACY POLICY
TERMS AND CONDITIONS
☰
Home
Buick
Encore
Interior
Radio
Wiring
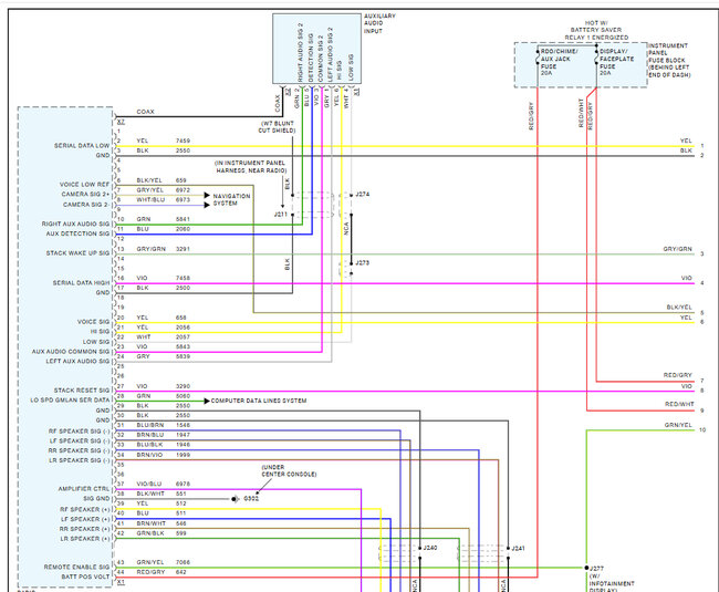
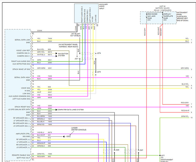
2015 Buick Encore radio harness wiring diagram
REDASHTRAY
MEMBER
2015 BUICK ENCORE
4.1L
4 CYL
2WD
AUTOMATIC
13,000 MILES
I need the radio wiring diagram for a 2015 Buick encore
Sunday, August 10th, 2025 AT 5:20 PM
1 Reply
KEN L
MASTER CERTIFIED MECHANIC
54,378 POSTS
A lo, yep I got you covered, here are the wiring daigrams for the radio. Check out the images (below). Let us know if you need anything else.
Images (Click to make bigger)
Was this
answer
helpful?
Yes
No
Monday, August 11th, 2025 AT 11:42 AM
Please
login
or
register
to post a reply.
Ask a Car Question. It's Free!
How to Use a Test Light
Blend Door Actuator Replacement
Window Switch Replacement and Test