Monday, October 26th, 2015 AT 7:20 PM
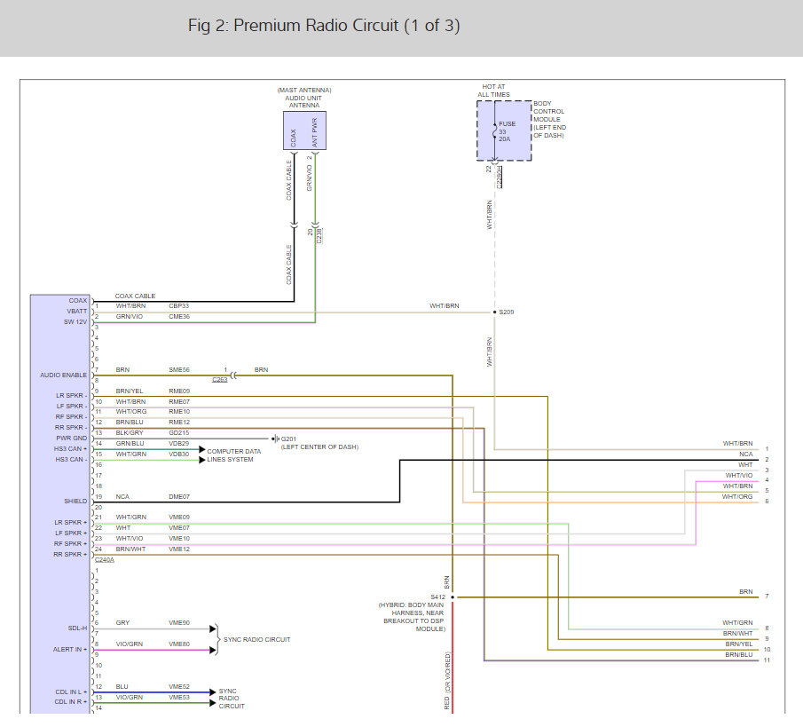
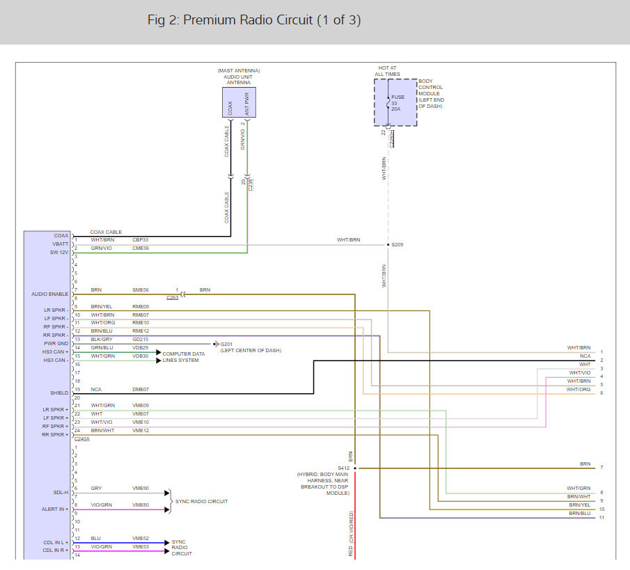
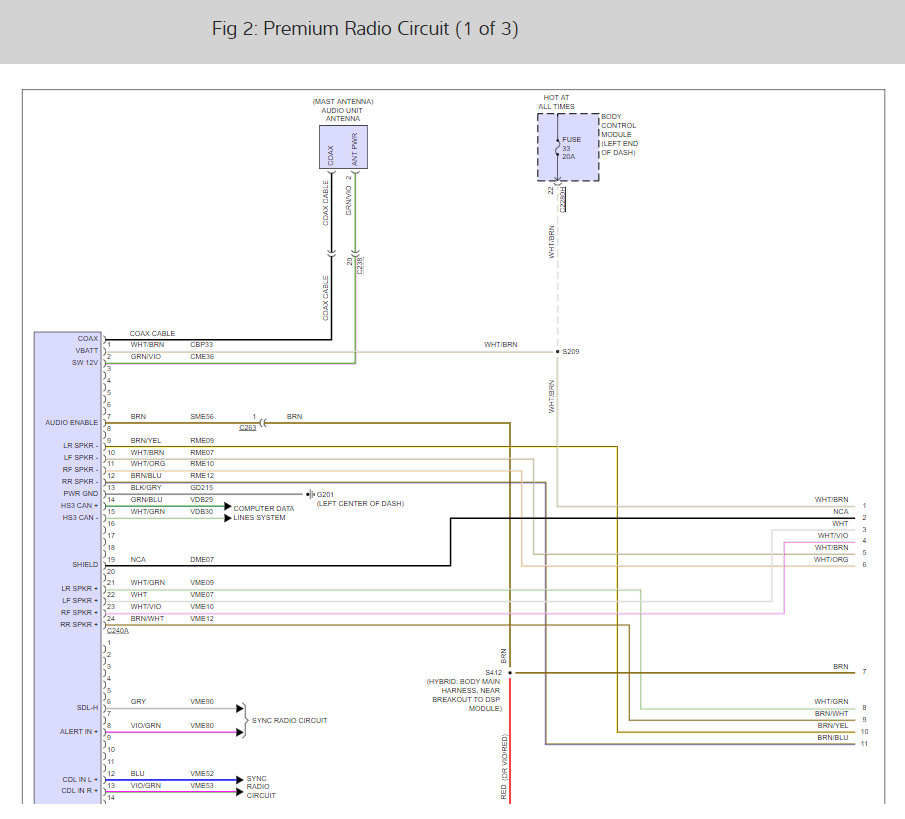
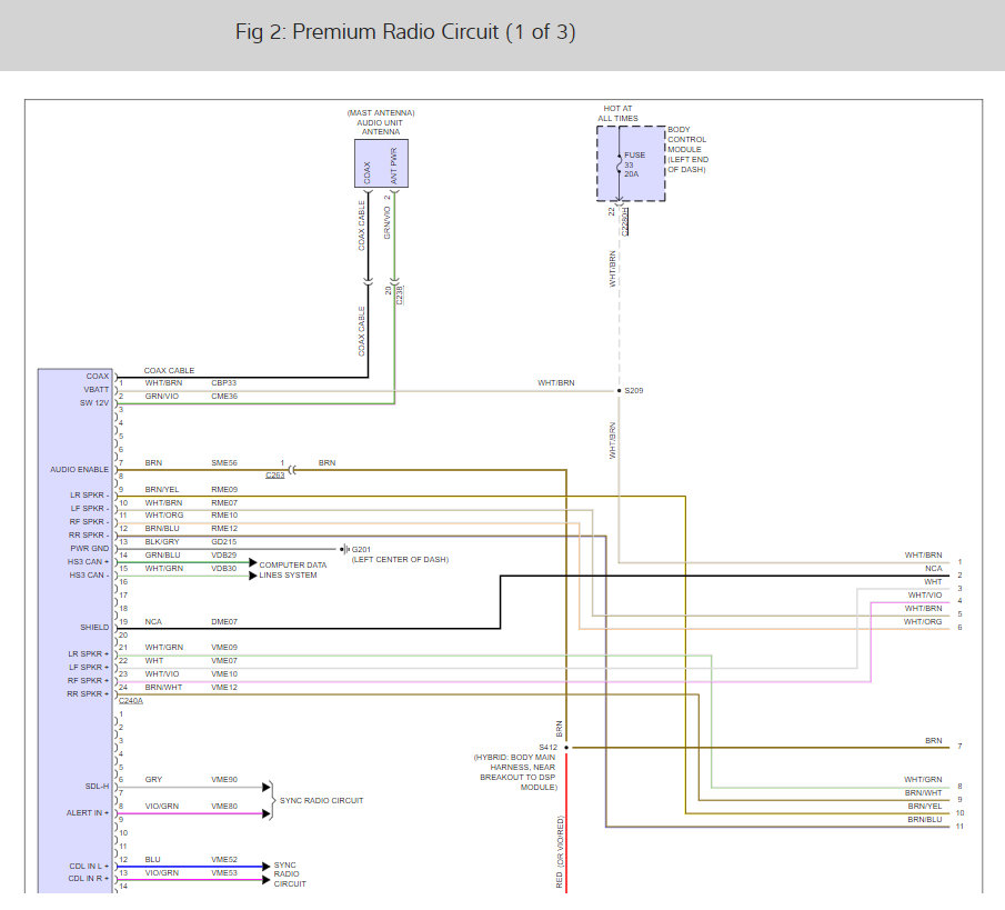
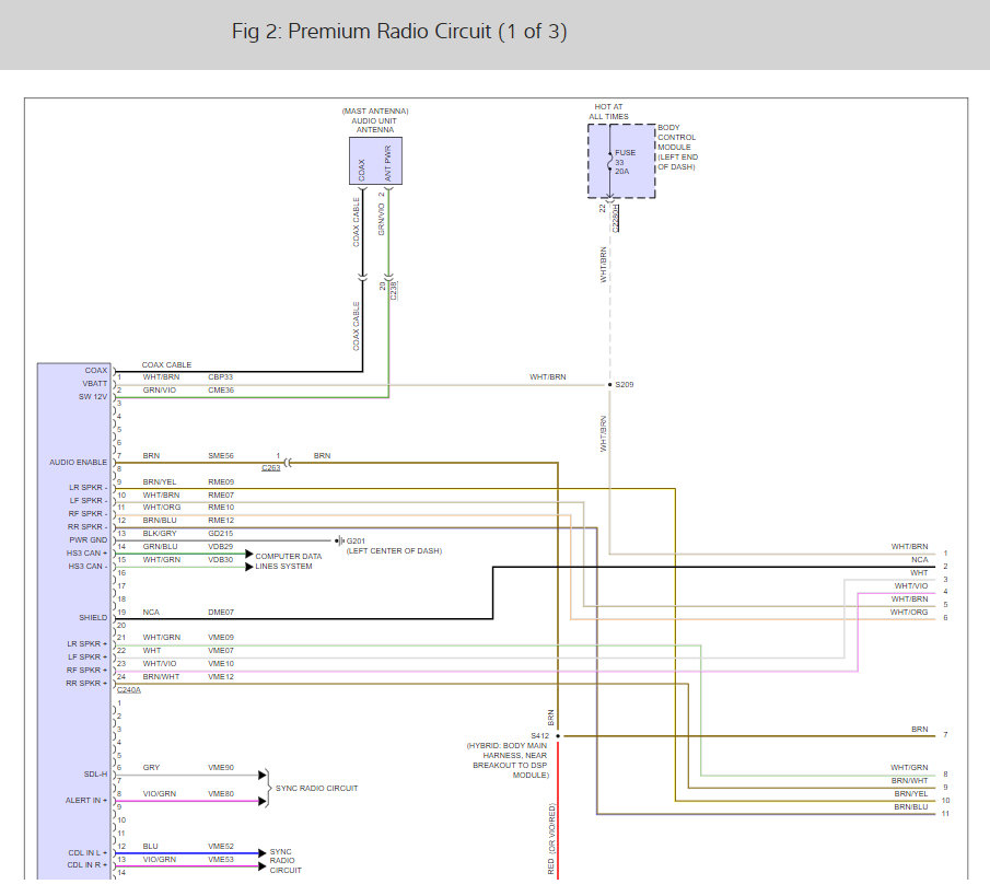
I'm installing an audio adapter for sub woofers and need a wiring diagram for a 2014 ford fusion to see what color wires go to the speakers so I can tap into them for the adapter. It's the basic sync 3-4" lcd screen with 6 speakers







