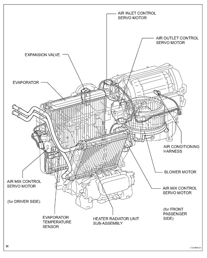
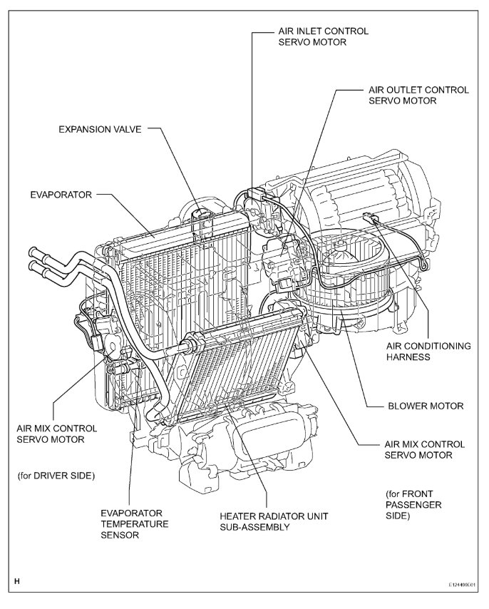
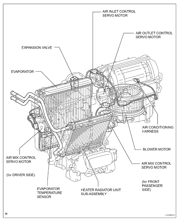
It sounds like you have a clogged heater core or an air pocket stuck in the core check out this guide that tells you how to fix the heater.
https://www.2carpros.com/articles/car-heater-not-working
Also it could be the temperature blend door actuator is not working right here isa guide that will walk you though the repair with diagrams below to show you how the job is done.
https://www.2carpros.com/articles/replace-blend-door-motor
Check out the diagrams (Below). Please let us know what happens.
Cheers
Was this helpful?
Yes
No
+2
Tuesday, March 16th, 2021 AT 6:53 PM
(Merged)











