Friday, November 11th, 2022 AT 12:48 PM
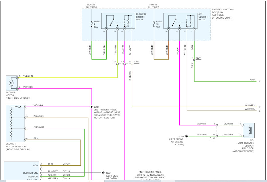
The heater core lines are both hot to the touch at the heater box in the console, so I'm not plugged up. Plenty of antifreeze. I replaced the blend door actuator on the driver's side and verified the passenger side was operating but still there was no heat. All the selectors are working but when I rotate the temperature selector there is no change and no sound, only continuous cold air. Thoughts?







