Control valve body cover removal instructions needed

Tiny
ROYCAR71
  • MEMBER
  • 2013 CHEVROLET EQUINOX
  • 2.4L
  • 4 CYL
  • 2WD
  • AUTOMATIC
  • 126,709 MILES
I just got a car checkup from dealer. They said " I need new gasket for control valve body cover". Is there a help video or instructions to remove it?
Thursday, December 31st, 2020 AT 3:30 PM

5 Replies

Tiny
ASEMASTER6371
  • MECHANIC
  • 52,796 POSTS
Good evening,

I attached the procedure for you below.

The labor time in a shop is 3 hours. I would at least double that time doing it yourself.

Roy

Control Valve Body Cover Replacement

Removal Procedure

1. Disconnect the negative battery cable. Refer to Battery Negative Cable Disconnection and Connection See: Negative > Removal and Replacement > Battery Negative Cable Disconnection and Connection.

2. Disconnect the radiator outlet hose from the radiator. Refer to Radiator Outlet Hose Replacement (LEA) See: Radiator Hose > Removal and Replacement > Radiator Outlet Hose Replacement.

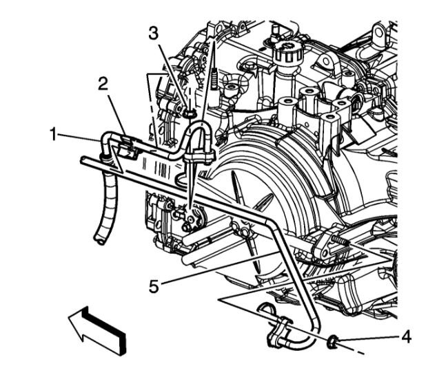
ImageOpen In New TabZoom/Print

3. Remove the oil cooler inlet (1) and outlet (2) hoses from the retainer (2) on the control valve body cover.

4. Raise and support the vehicle. Refer to Lifting and Jacking the Vehicle See: Vehicle Lifting > Procedures > Lifting and Jacking the Vehicle.

5. Remove the front transmission mount. Refer to Transmission Front Mount Replacement See: Transmission Mount, A/T > Removal and Replacement > Transmission Front Mount Replacement.

6. Drain the transmission. Refer to Transmission Fluid Drain and Fill See: Automatic Transmission/Transaxle > Removal and Replacement > Transmission Fluid Drain and Fill.

ImageOpen In New TabZoom/Print

7. Disconnect the control valve body transmission control module (TCM) electrical connector (1), then the wiring harness from the cover.

ImageOpen In New TabZoom/Print

8. Remove the control valve body cover bolts (1).

9. Support the transmission with a transmission jack.

10. Using the transmission jack raise the transmission to gain clearance for removal of the control valve body cover.

11. Remove the control valve body cover.

12. Remove the control valve body cover gasket.

Caution:
Support the control solenoid valve assembly around the connector when removing the seal. Excessive pulling force can damage the internal electrical connections.

13. Remove the control valve body cover wiring connector hole seal.

14. Remove all traces of the old gasket material. Clean the transmission case and control valve body cover gasket surfaces.
Was this
answer
helpful?
Yes
No
Thursday, December 31st, 2020 AT 4:22 PM
Tiny
ROYCAR71
  • MEMBER
  • 363 POSTS
Not to second guess you. But pan seems accessible without removing all that stuff. It's facing outward behind fan, radiator than bumper. Possibly even removing battery tray and reaching down and remove connector and bolts.
Was this
answer
helpful?
Yes
No
Thursday, December 31st, 2020 AT 4:37 PM
Tiny
ASEMASTER6371
  • MECHANIC
  • 52,796 POSTS
Give it a try. That is the procedure from Alldata.

Roy
Was this
answer
helpful?
Yes
No
Thursday, December 31st, 2020 AT 5:02 PM
Tiny
ROYCAR71
  • MEMBER
  • 363 POSTS
Okay. It's done I pretty much followed most of the steps. With exception of remove front transmission mount and fully removing both sides of radiator hoses. Currently I am monitoring for leaks. I noticed replacement gasket was slightly bigger than the one I took off cover, but it fit. I don't know if that might be problem. I torque bolts to spec. It took whole day. But looking at it now this definitely, 6 hour job or less. Thanks.
Was this
answer
helpful?
Yes
No
Saturday, January 2nd, 2021 AT 10:06 PM
Tiny
ASEMASTER6371
  • MECHANIC
  • 52,796 POSTS
Good job. Keep an eye on it.

You are welcome.

Always glad to help.

Roy
Was this
answer
helpful?
Yes
No
Sunday, January 3rd, 2021 AT 2:46 AM

Please login or register to post a reply.