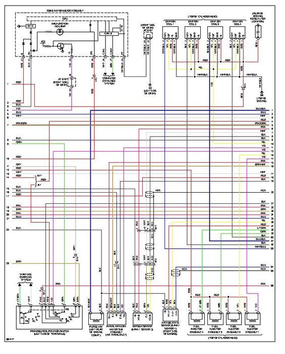
i am getting check engine light on my corolla 2012. I scanned it for codes. And the codes are
1. P0013 - camshaft b timing (bank1) circuit defective.
2. P0037 oxygen sensor heater (bank1, sensor2) signal low.
please advice me how to solve these issues.
Saturday, September 22nd, 2012 AT 1:13 PM



