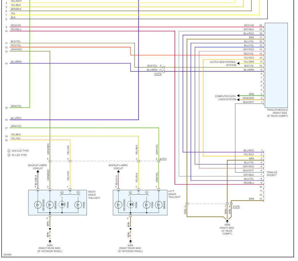
No other vehicle system seems to be affected. The wiper relay was bad, and one fuse (30A) was blown. I replaced both and the wipers started functioning, however, when I started to back out of the driveway with the wipers on, I heard a pop, and the wipers froze.
What module controls both the exterior lights and the wipers? Or is it separate issues?
I originally thought that I might have a rodent problem, but both the dealership and the insurance appraiser did not find any evidence of rodent damage.
I'm going to remove the covers to get to the wiper motor. Any suggestions on how to test it?
Also, I was reading another post at another site regarding the foot module located on the driver's side that controls exterior lights (among other things) and that this module is notorious for going bad, but it does not control the wipers from what I have read.
Tuesday, March 14th, 2023 AT 8:17 PM












