HOME
ASK A QUESTION
REPAIR GUIDES
BECOME A MEMBER
LOG IN
Login with Facebook
OR
Remember me
NOT A MEMBER?
FORGOT PASSWORD?
CONTACT US
PRIVACY POLICY
TERMS AND CONDITIONS
☰
Home
Ford
Crown Victoria
Body
Window
Relay
Police car no power to windows fusses all good.
ANTHONYMCCLENDON
MEMBER
2011 FORD CROWN VICTORIA
42,442 MILES
Police car no power to windows fusses all good relay good what to check?
Wednesday, January 16th, 2013 AT 6:42 PM
1 Reply
CJ MEDEVAC
MECHANIC
11,005 POSTS
I'M MORE OF A JEEP CJ KINDA GUY
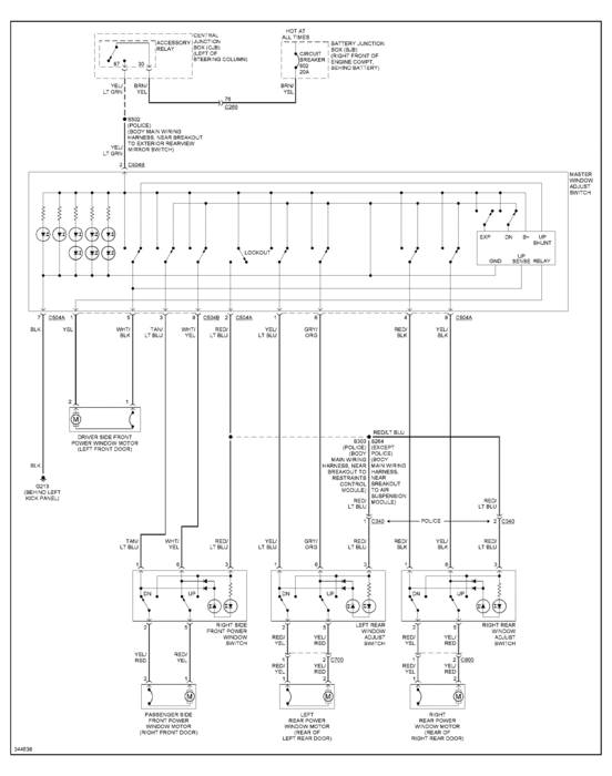
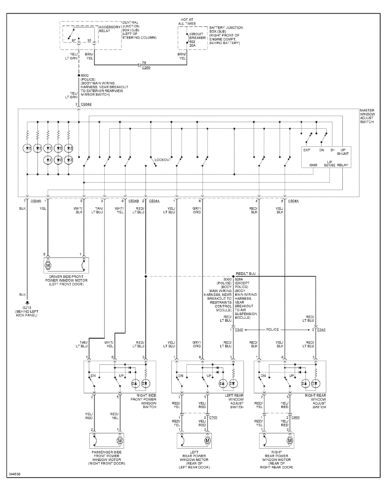
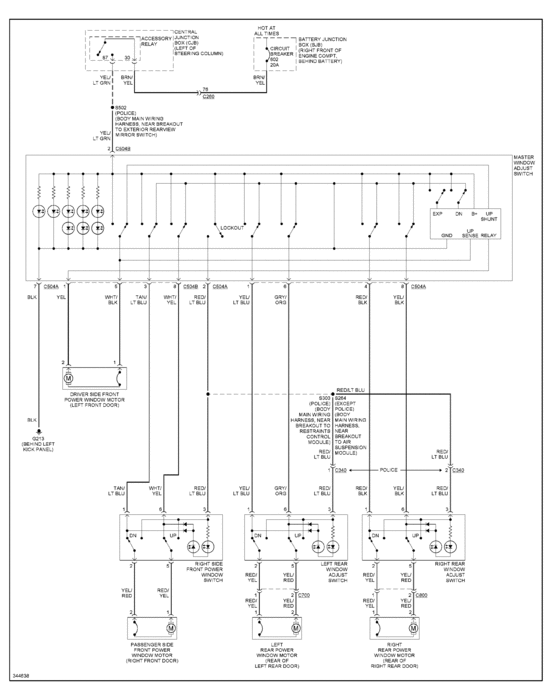
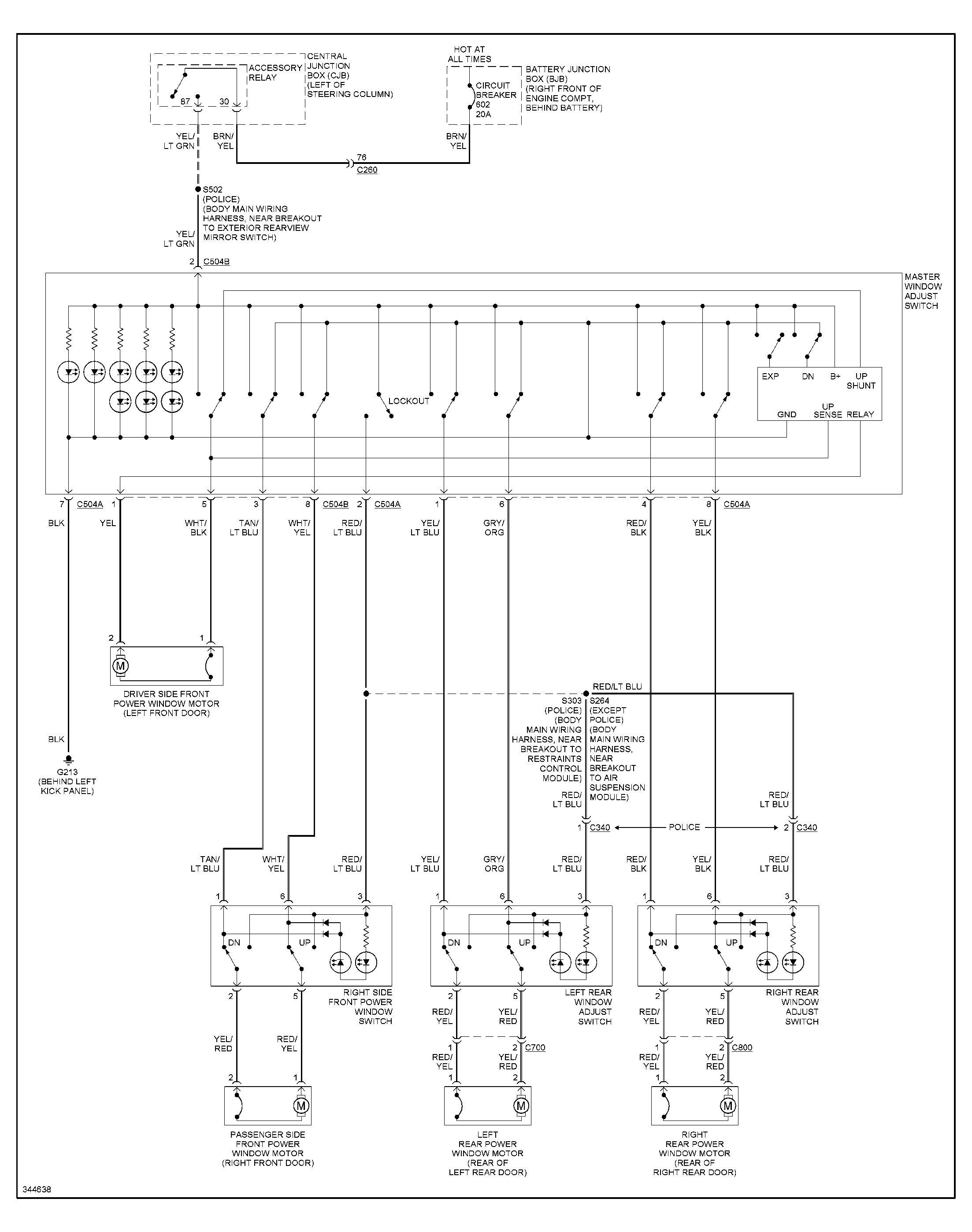
I AM SHOOTING YOU A DIAGRAM OF THE WINDOW CIRCUITS FROM "MITCHELL I"
STUFF IS LABELLED, AS FAR AS LOCATIONS
I HOPE THIS AIDS YOU
LEMME KNOW IF IT HELPS
THE MEDIC
Images (Click to make bigger)
Was this
answer
helpful?
Yes
No
+1
Wednesday, January 16th, 2013 AT 8:45 PM
Please
login
or
register
to post a reply.
Related Window Relay Content
Driver Window Does Not Work
Hi I Have 1997 Ford Crown Victoria P71 With 79,000 Miles. My Driver Side Window Recently Stopped Working. I Don't Think It Is The...
Asked by
hollywood
·
4 ANSWERS
2 IMAGES
FORD CROWN VICTORIA
Please Help Me With Getting My Driver Window Back On...
Fixing A Power Window That Is Off Track In A 1995 Ford Crown Victoria
Asked by
msmayorealhandy
·
1 ANSWER
1995
FORD CROWN VICTORIA
Power Windows
Window Switch On 2003 Crown Citoria How To Replace?
Asked by
jdkinnear
·
1 ANSWER
3 IMAGES
2003
FORD CROWN VICTORIA
My Rear Window Will Not Go Up Or Down Using The Rear...
My Rear Window Will Not Go Up Or Down Using The Rear Or Front Switch. There Is Power Running To The Switch. We Bypassed The Switch And Made...
Asked by
Anonymous
·
2 ANSWERS
1999
FORD CROWN VICTORIA
1999 Ford Crown Victoria Front Passenger Window
The Window Does Not Go Up Or Down. Took Door Apart From The Inside, Motor Spinning, But Nothing
Asked by
kjh980
·
1 ANSWER
1 IMAGE
1999
FORD CROWN VICTORIA
VIEW MORE
Ask a Car Question. It's Free!
Window Switch Replacement and Test
Door Panel Removal
Door Lock Replacement