Running hot?

Tiny
BUSINESSFRED
  • MEMBER
  • 2011 DODGE DURANGO
  • 3.6L
  • V6
  • 2WD
  • AUTOMATIC
  • 215,000 MILES
My vehicle listed above is running hot (around 230°-240°), but I noticed that when I turn on the A/C the temperature drops back to around 210°

I'm assuming that this has to do with my fan, is there any trouble shooting info?(Relays. Fuses, ECT sensors testing )

The fan works, but doesn't cool the car down enough until I turn the A/C on.

So far I've replaced the thermostat and housing , and the water pump doesn't seem old either (previous owner replaced). No leaks either.
Thursday, October 9th, 2025 AT 5:51 PM

2 Replies

Tiny
JACOBANDNICKOLAS
  • MECHANIC
  • 110,194 POSTS
Hi,

When you turn the A/C on, does the fan speed increase? If the A/C is off, do you hear the fan running at all?

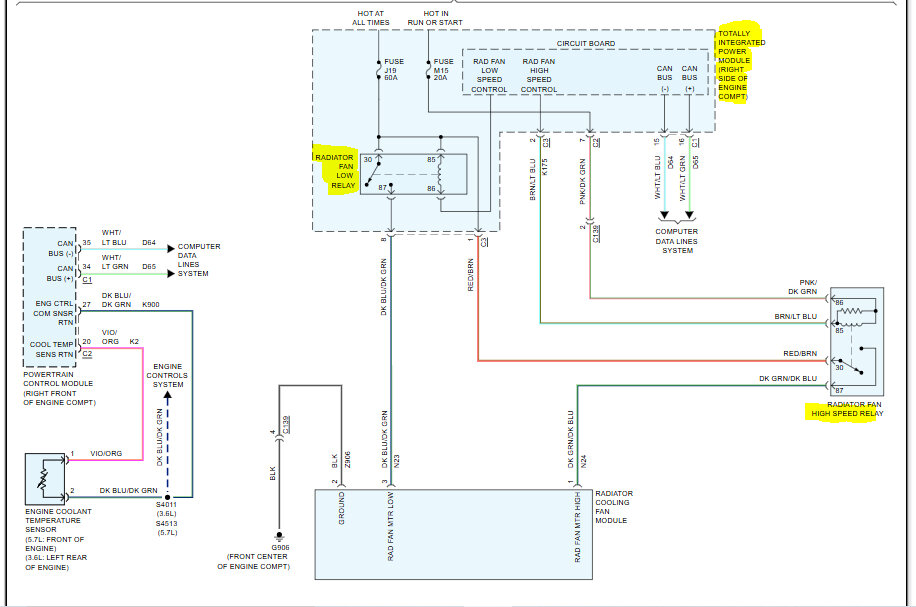
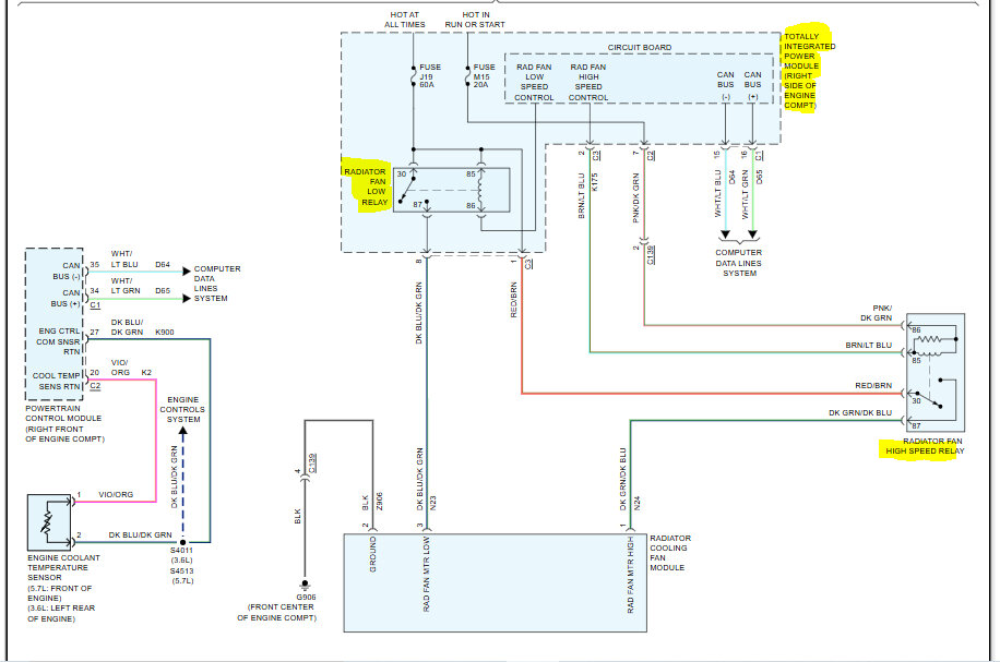
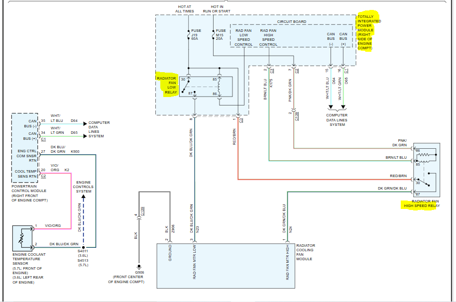
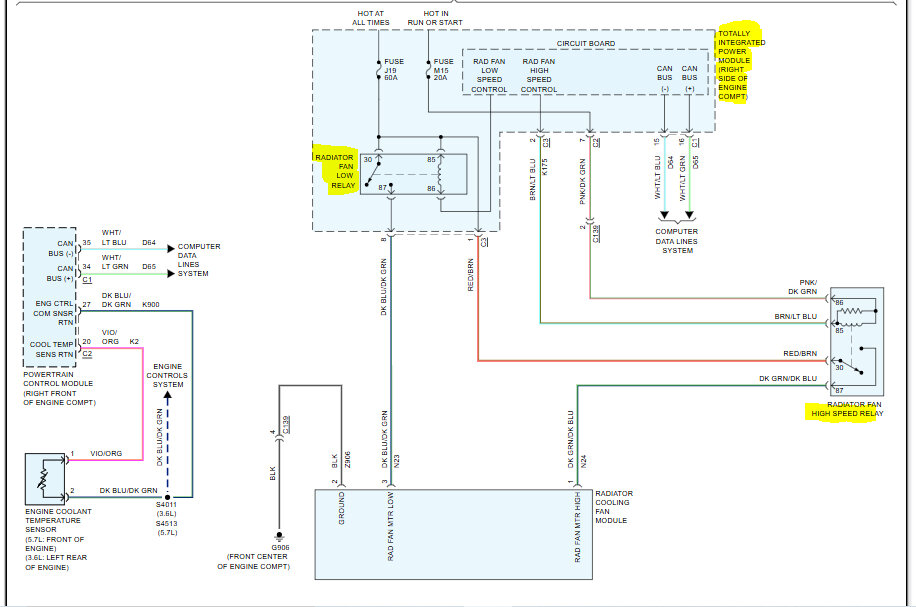
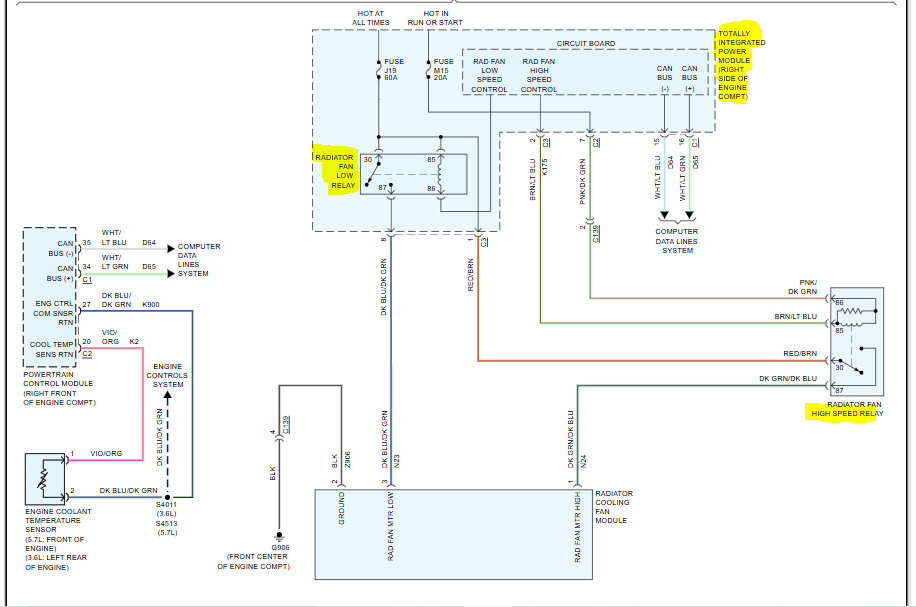
As far as the circuit is concerned, the cooling fan is controlled by the PCM. When needed, a ground signal from the PCM is provided for the Low fan relay. If the conditions require additional cooling, the PCM provides a ground to the High relay.

I need to know if the fan is running at all with the A/C off, and the coolant temp is excessive. If it isn't, chances are there is a wiring issue in the integrated power module. The connector pins are known to fail.

I attached the wiring schematic below and highlighted the two relays. I attached two different diagnostics for a faulty fan. However, they do require a scan tool that can activate the circuit. I'm not sure if that is something you have,

Let me know if this helps or if you have other questions.

Take care,

joe

See pics below.
Was this
answer
helpful?
Yes
No
Thursday, October 9th, 2025 AT 6:28 PM
Tiny
KEN L
  • MASTER CERTIFIED MECHANIC
  • 55,469 POSTS
Please respond
Was this
answer
helpful?
Yes
No
Tuesday, October 14th, 2025 AT 12:52 PM

Please login or register to post a reply.