Sunday, December 17th, 2023 AT 10:33 AM
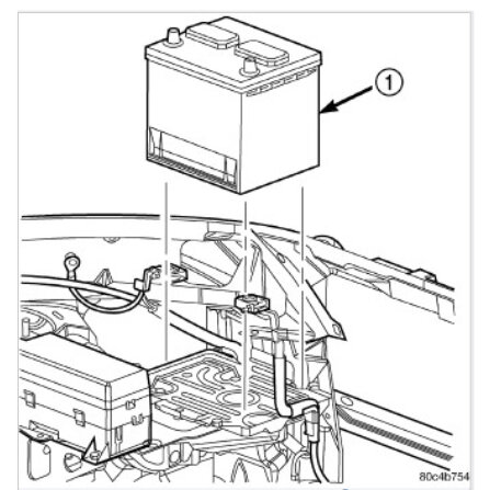
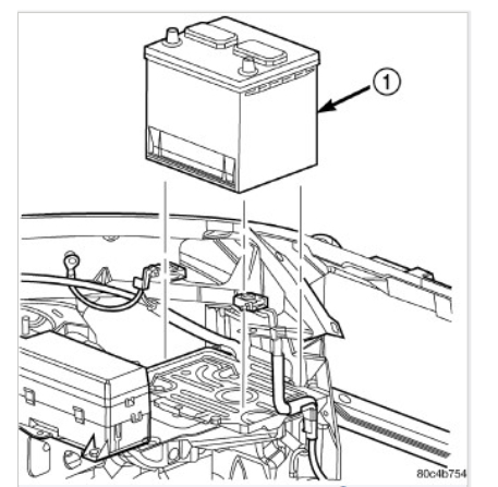
The previous owner had spilled soda or a similar sticky substance into the shifting cable. I've been working on replacing it, and have come into issues with the inverted bolt and where to find it. Do I have to jack up the car and remove a heat shield or similar guard to access it and remove the metal plate inside the car behind the foam and insulation where the first three bolts were? Any advice or diagrams would be appreciated, thank you!























