Where is a flasher unit situated

Tiny
ANONYMOUS
  • MEMBER
  • 2010 FORD BANTAM
  • 10,000 MILES
Where is a flasher unit situated
Saturday, November 10th, 2012 AT 10:59 AM

1 Reply

Tiny
KEN L
  • MASTER CERTIFIED MECHANIC
  • 55,064 POSTS
Hello,

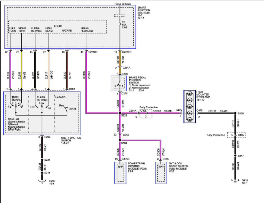
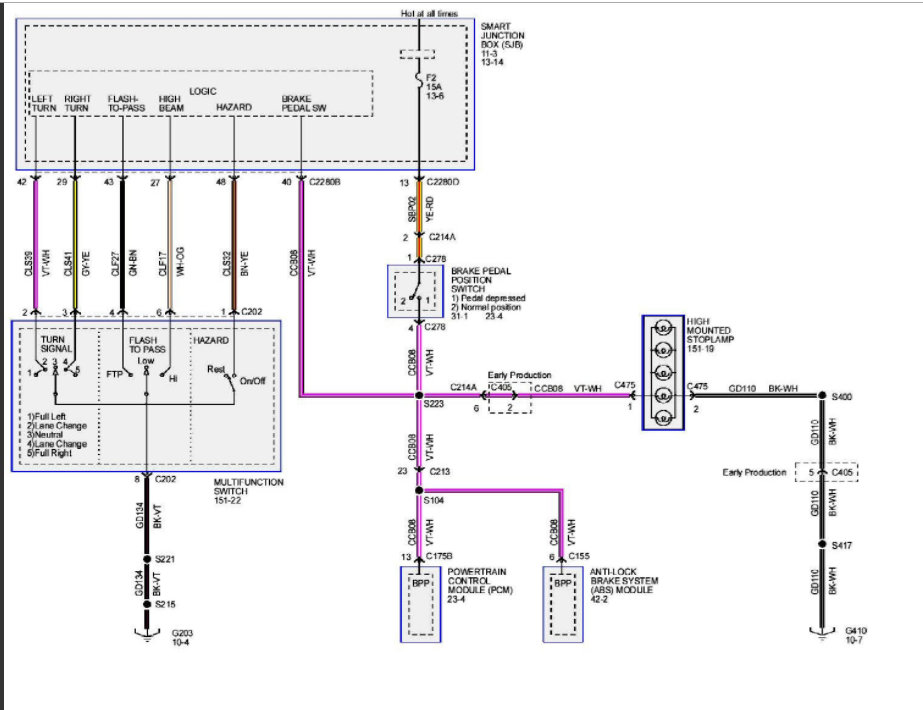
this car does not have a turn signal flasher like the older cars have. There is a smart junction box that controls the flashing here is a wiring diagram so you can see for yourself (below)

Here is a guide that can help you get the problem fixed.

https://www.2carpros.com/articles/turn-signals-not-working-blinker

Check out the diagrams (Below)

Please let us know what you find.

Cheers, Ken
Was this
answer
helpful?
Yes
No
+1
Sunday, December 24th, 2017 AT 12:38 PM

Please login or register to post a reply.