Alternator replacement

Tiny
ANONYMOUS
  • MEMBER
  • 2010 DODGE JOURNEY
On my Dodge Journey how do I change my alternator?
Wednesday, March 20th, 2013 AT 9:39 PM

1 Reply

Tiny
KEN L
  • MASTER CERTIFIED MECHANIC
  • 55,281 POSTS
Hello,

Here are some guides and diagrams that will help you get the job done. Read through the guide so you don't make any mistakes like not disconnecting the battery before you begin.

https://www.2carpros.com/articles/how-to-replace-an-alternator

and when you are done

https://www.2carpros.com/articles/how-to-check-a-car-alternator

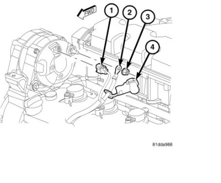
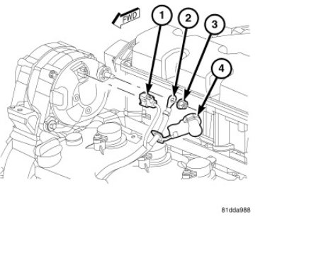
Here are some diagrams of what it will be like on your car (Below) both engines

Please let us know what happens so it will help others.

Cheers, Ken
Was this
answer
helpful?
Yes
No
+3
Friday, October 6th, 2017 AT 8:35 PM

Please login or register to post a reply.