Thursday, May 20th, 2021 AT 12:10 PM
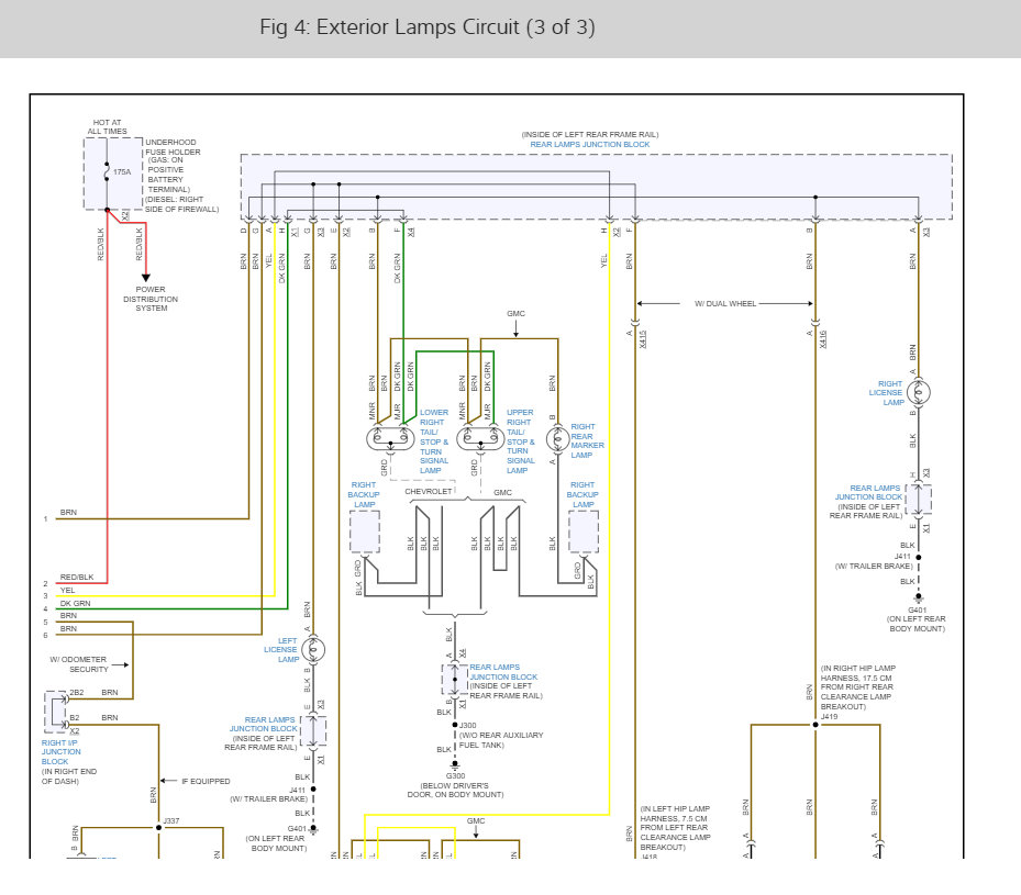
The right side marker lamp and the right mirror turn signal lamp stay on after the truck is turned off. Changed headlamp, fuse, relay, turn signal switch, headlamp switch and the side marker is still on. I replaced the turn signal switch as well, headlamp switch, replaced headlamp pig tails, relay, grounds are good Help me LOL please help. Thank you, Rick










