Thursday, March 6th, 2014 AT 10:05 PM
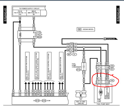
Yes, I have the vehicle listed above non turbo. The fuel pump went out during a storm up the canyon where I work. Long story short; I did my checks started with power spark fuel and found it was fuel pump. When I pulled the fuel pump out I found that the 6 pin connecter that plugs into the top. One of the pins is burned out. Where do I find this part? Or how can I fix it?



