help figuring out how to change out the brake master?

2009 HYUNDAI SONATA
30,000 MILES
Avatar
CHABE93
  • MEMBER
  • 1 POST
I need help figuring out how to change out the brake master? Please help, I was told to replace it ASAP but I do not know what I need to look for.
Jan 16, 2012 at 7:19 PM
Repair Safety Notice: This information is for general instructional purposes only. Vehicle repair can be dangerous. Verify all information, follow manufacturer service procedures, use proper tools and safety equipment, and consult a qualified repair shop when needed.
Advertisement
Avatar
JACOBANDNICKOLAS
  • CAR REPAIR CONTRIBUTOR
  • 110,190 POSTS
Hi,

Replacing the brake master cylinder isn't too hard of a job. When you get the replacement part, make sure it has a lifetime warranty. That way, you'll never have to pay for it again.

First, here is a link that shows how in general one is replaced. You can use this as a guide.

https://www.2carpros.com/articles/how-to-replace-a-brake-master-cylinder

The new brake master cylinder will need bench bled before install. Here is a video that shows how that is done:

https://youtu.be/WDxvEQrMkBg

Here are directions specific to your vehicle. The attached pics below correlate with the directions.

_______________________________

2009 Hyundai Sonata L4-2.4L
Repair Procedures
Vehicle Brakes and Traction Control Hydraulic System Brake Master Cylinder Service and Repair Removal and Replacement Repair Procedures
REPAIR PROCEDURES
Removal

NOTE:
Do not spill brake fluid on the vehicle; it may damage the paint; if brake fluid does contact the paint, wash it off immediately with water.

1. Remove air cleaner mounting bolts (B) from the air cleaner mounting bracket and air cleaner body (A).

pic 1

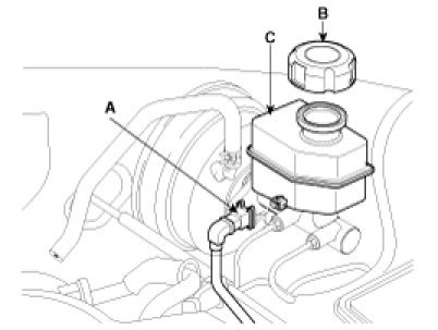
2. Disconnect the brake fluid level switch connector (A), and remove the reservoir cap (B).


pic 2

3. Remove the brake fluid from the master cylinder reservoir (C) with a syringe.
4. Disconnect the brake lines (A) from the master cylinder. To prevent spills, cover the hose joints with rags or shop towels.


pic 3

5. Remove the master cylinder mounting nuts (B) and washers.
6. Remove the master cylinder(C) from the brake booster (D). Be careful not to bend or damage the brake lines when removing the master cylinder.

Installation

1. Install the master cylinder on the brake booster with 2 nuts.
2. Connect 2 brake tubes and the brake fluid level sensor connector.


pic 4

3. Fill the brake reservoir with the brake fluid and bleed the brake system.

_______________________________________

I hope this helps. Let me know if you have other questions.

Take care and God Bless,

Joe
Mar 12, 2021 at 10:12 PM
Advertisement