is the fuel filter in the fuel tank?

2009 HONDA CRV
100,000 MILES
Avatar
KAREN KIDD2
  • MEMBER
  • 1 POST
Hi, is the fuel filter in the fuel tank and is it serviceable please?
Thanks
Aug 27, 2018 at 9:31 PM
Repair Safety Notice: This information is for general instructional purposes only. Vehicle repair can be dangerous. Verify all information, follow manufacturer service procedures, use proper tools and safety equipment, and consult a qualified repair shop when needed.
Advertisement
Avatar
JIS001
  • CAR REPAIR CONTRIBUTOR
  • 3,412 POSTS
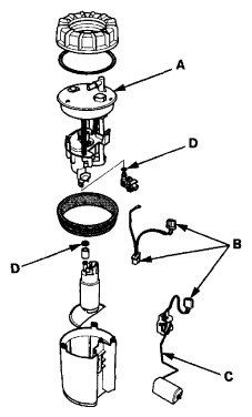
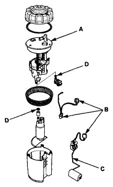
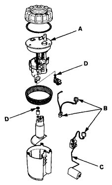
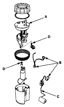
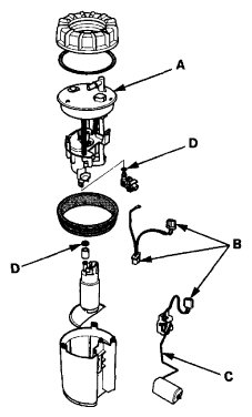
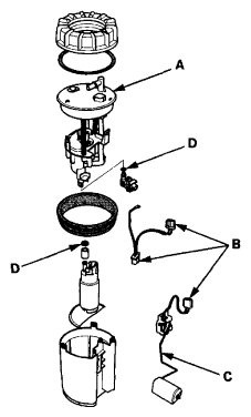
According to the diagram posted, the fuel filter is integrated into the fuel pump assembly. So it appears as it is not a serviceable. Is there a concern as to why you wanted to replace the filter or were you just looking to do maintenance?
Aug 28, 2018 at 12:53 AM
Advertisement