Horn dont work fuse is fine

Tiny
AMESNARD
  • MEMBER
  • 2009 FORD FUSION
  • 42,000 MILES
Horn dont work fuse is fine. Where will I find the connection to check. Please help
Friday, November 23rd, 2012 AT 10:38 PM

3 Replies

Tiny
KEN L
  • MASTER CERTIFIED MECHANIC
  • 55,090 POSTS
Hello,

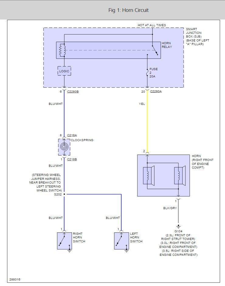
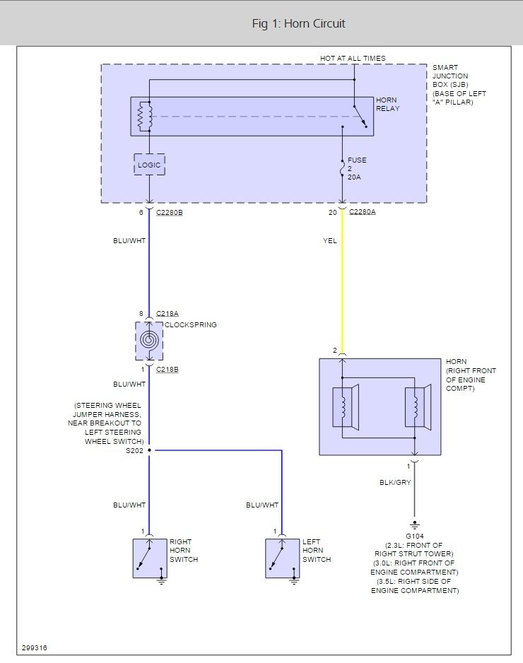
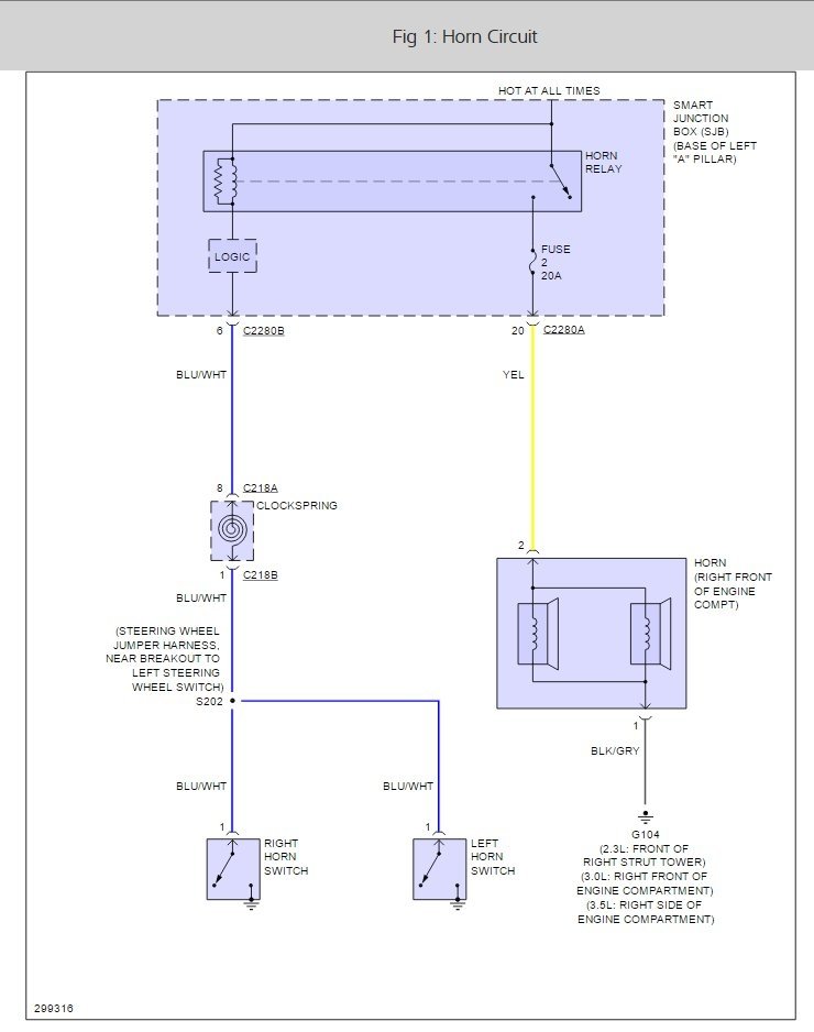
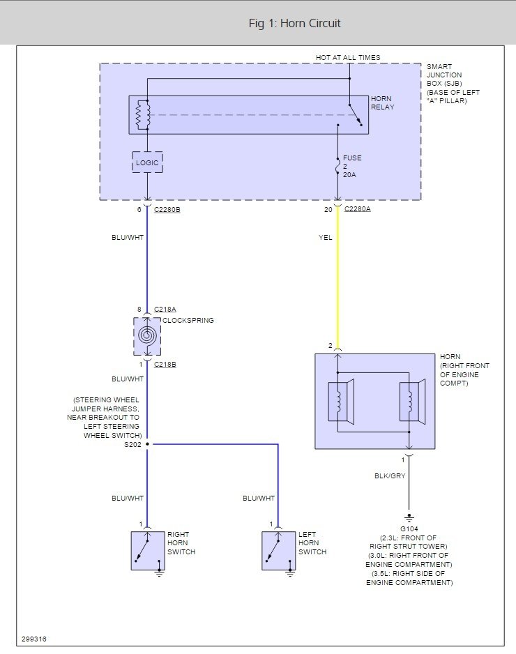
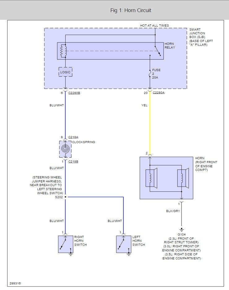
There is a horn relay that goes out and a steering wheel clock spring that could be bad. Here are a few guides and a wiring diagram to help you get the problem fixed.

https://www.2carpros.com/articles/how-to-check-an-electrical-relay-and-wiring-control-circuit

and

https://www.2carpros.com/articles/steering-wheel-clock-spring-removal

Check out the diagrams (Below). Please let us know what you find. We are interested to see what it is.
Was this
answer
helpful?
Yes
No
Friday, March 24th, 2017 AT 8:49 PM
Tiny
EXCELLENTJOY
  • MEMBER
  • 1 POST
Hello, I have a 2012 Ford fusion. I have issue with my horn NOT working when you press it, however whenever I hit the remote to lock the car, the horn chirps. Can you provide any insight about this? I would greatly appreciate any assistance given.

Eric
Was this
answer
helpful?
Yes
No
Friday, August 30th, 2019 AT 7:27 AM
Tiny
KEN L
  • MASTER CERTIFIED MECHANIC
  • 55,090 POSTS
Hi Eric,

The system in the 2012 is different. can you please start a new question. Please post your new question here, you must be logged in:

https://www.2carpros.com/questions/new

Cheers, Ken
Was this
answer
helpful?
Yes
No
-2
Saturday, August 31st, 2019 AT 11:34 AM

Please login or register to post a reply.