Battery replacement and location

Tiny
MCNUTTRL14
  • MEMBER
  • 2009 CHEVROLET EQUINOX
  • 6 CYL
  • AWD
  • AUTOMATIC
  • 19,000 MILES
How do I replace a battery? Most cars are straight forward, this looks difficult. Shame on GM.

Thanks.
Friday, January 14th, 2011 AT 3:21 AM

3 Replies

Tiny
RASMATAZ
  • MECHANIC
  • 75,992 POSTS
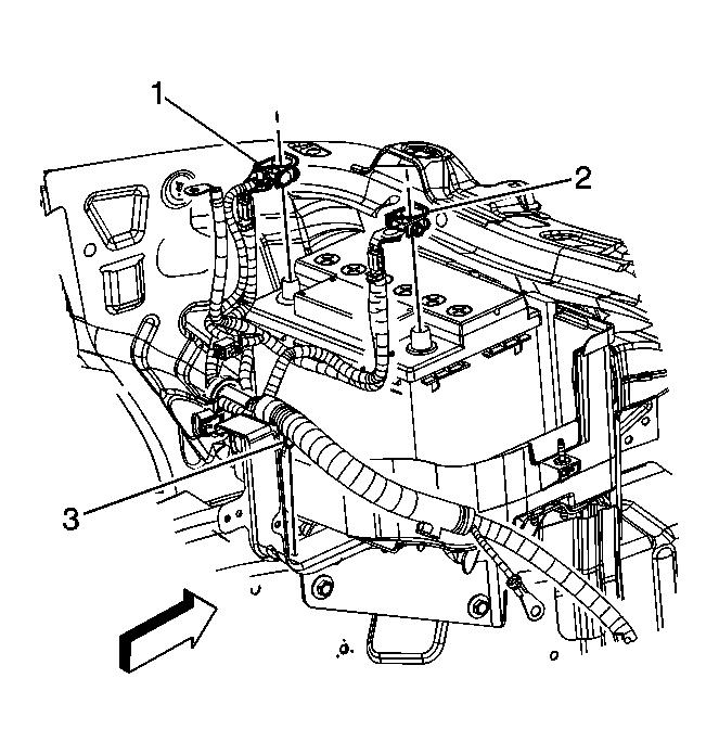
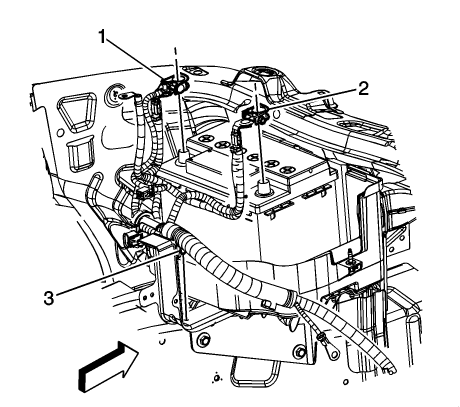
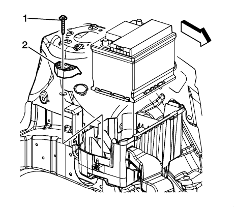
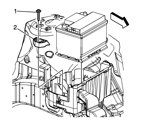
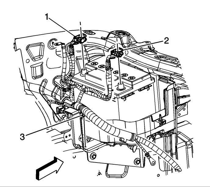
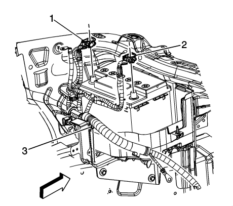
Here is a guide to help you step by step with instructions in the diagrams below to show you how on your car. Check out the diagrams (Below). Please let us know what happens.

https://www.2carpros.com/articles/how-to-replace-a-car-battery

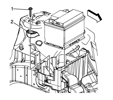
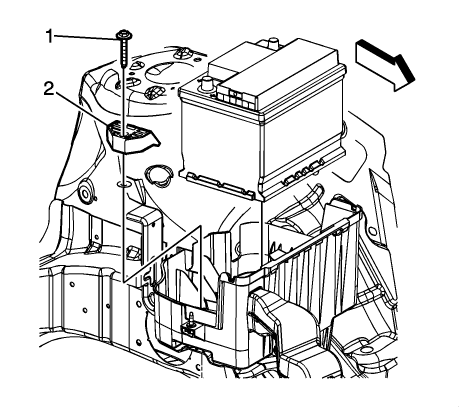
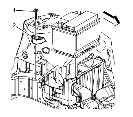
Warning
Do not tip the battery over a 45 degree angle or acid could spill causing serious personal injury.

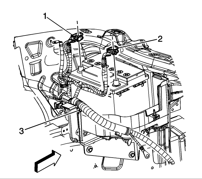
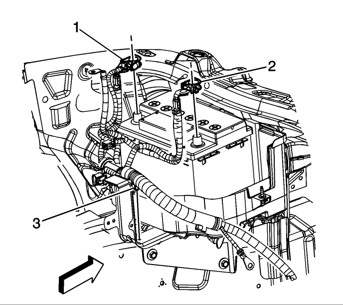
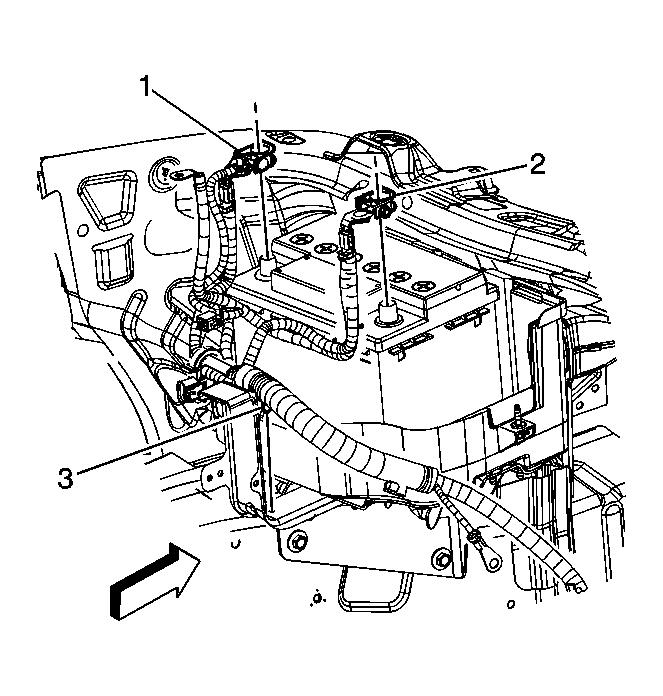
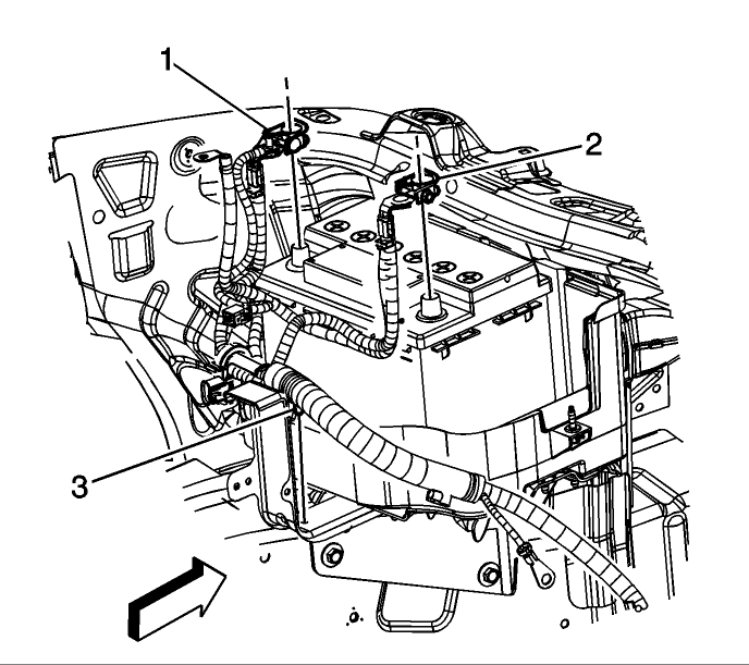
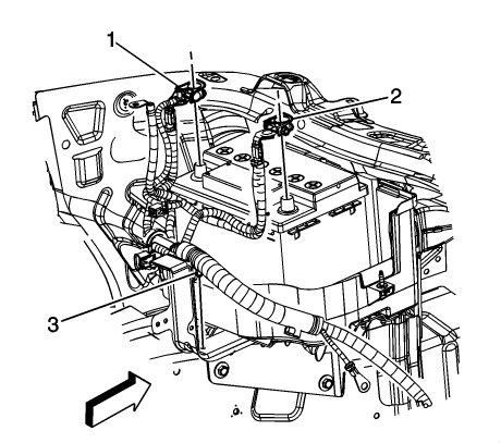
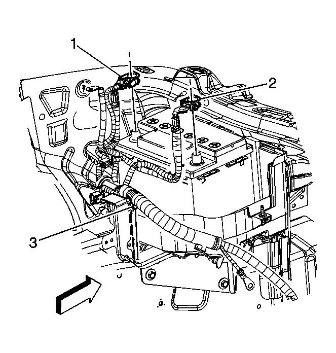
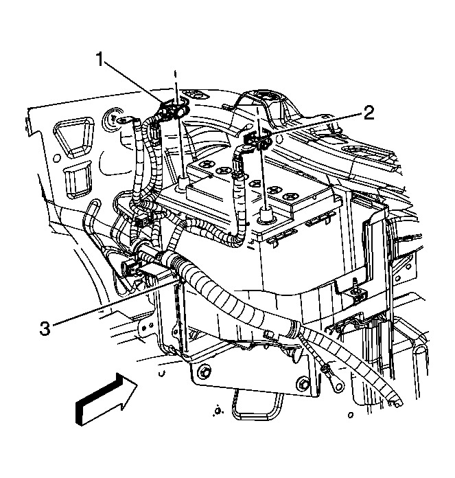
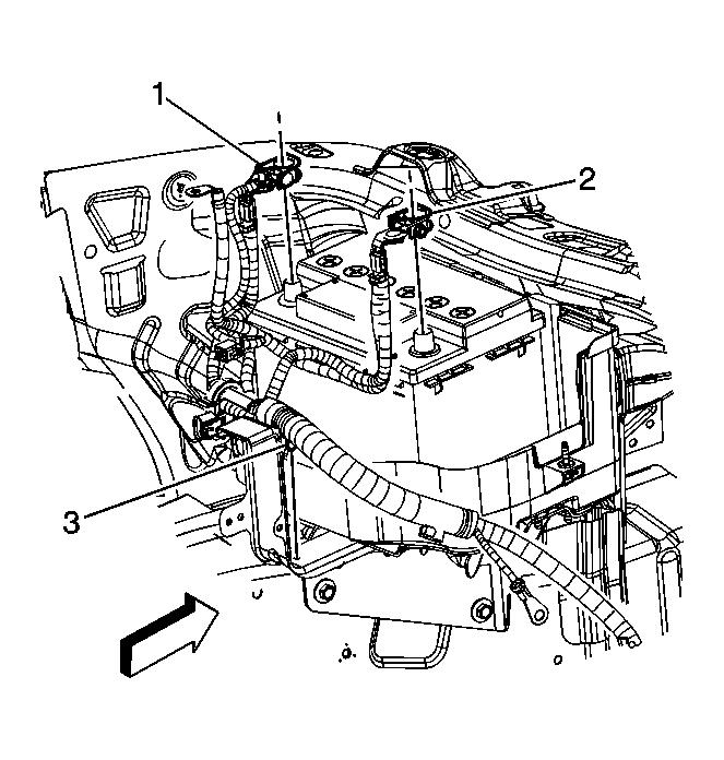
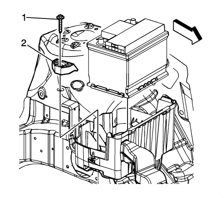
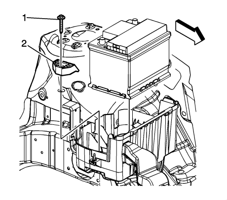
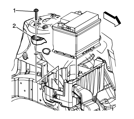
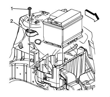
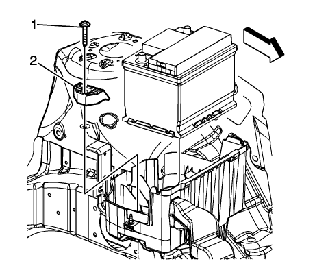
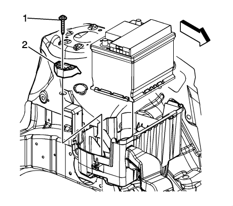
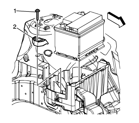
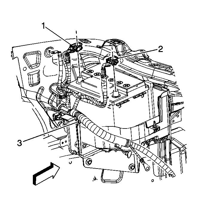
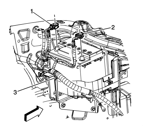
Remove the battery hold down bolt (1) and hold down (2).
Remove the battery.

Installation Procedure

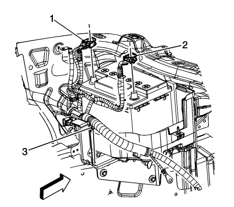
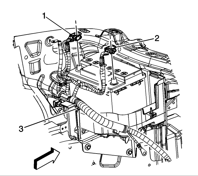
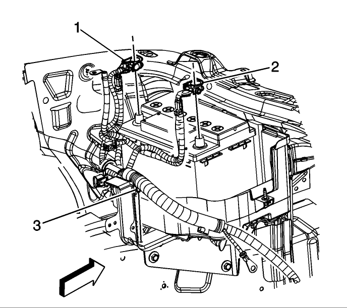
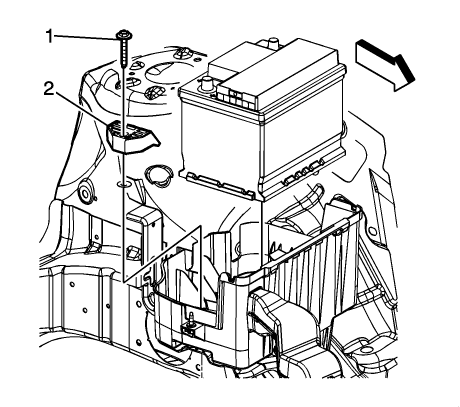
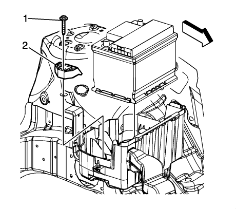
Warning
Do not tip the battery over a 45 degree angle or acid could spill causing serious personal injury.

Install the battery to the battery box.
Caution: Refer to Fastener Caution (See: Service PrecautionsVehicle Damage WarningsFastener Caution).
Install the battery hold down and bolt. Tighten the bolt to 15 Nm (11 lb ft) .
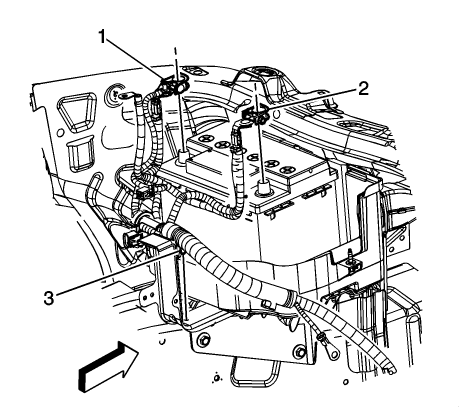
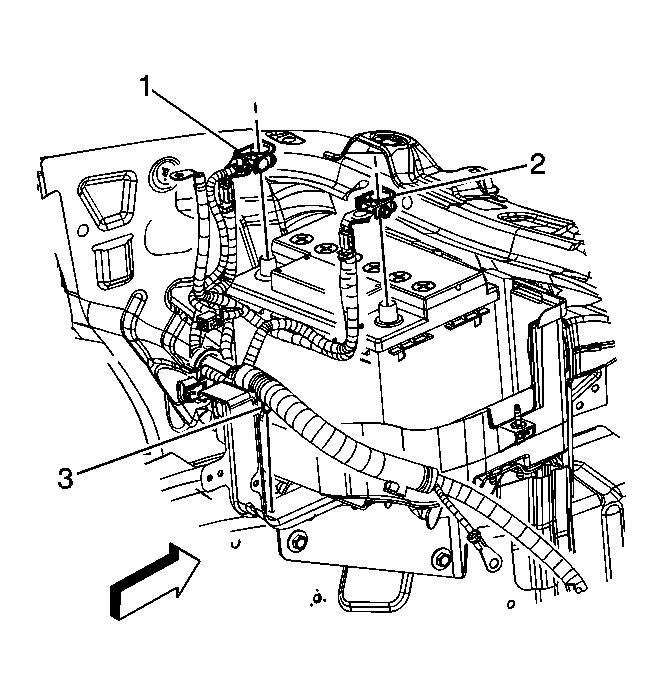
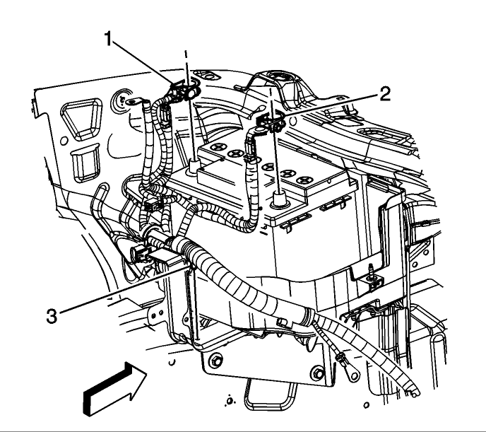
Install the positive battery cable lead (2) to the battery.
Tighten the positive battery cable terminal nut and tighten to 17 Nm (13 lb ft) .
Connect the negative battery cable. Refer to Battery Negative Cable Disconnection and Connection (See: Battery CableService and Repair).

Check out the diagrams (Below). Please let us know what happens.
Was this
answer
helpful?
Yes
No
+1
Friday, January 14th, 2011 AT 3:53 AM
Tiny
WANNAC
  • MEMBER
  • 1 POST
  • 2007 CHEVROLET EQUINOX
  • 6 CYL
  • FWD
  • AUTOMATIC
  • 78,500 MILES
Where is the battery?
Was this
answer
helpful?
Yes
No
Monday, June 14th, 2021 AT 7:14 PM (Merged)
Tiny
OBXAUTOMEDIC
  • MECHANIC
  • 3,711 POSTS
Hello,

The battery for your car is at the front driver side under the ECM. Check out the diagrams (Below). Please let us know if you need anything else to get the problem fixed.
Was this
answer
helpful?
Yes
No
+1
Monday, June 14th, 2021 AT 7:14 PM (Merged)

Please login or register to post a reply.