Headlight bulb replacement

Tiny
BACKBONE
  • MEMBER
  • 2008 SATURN OUTLOOK
  • 40,000 MILES
How do I change the headlight bulb in my 2008 Saturn Outlook? What is the best way to get the headlight out of its socket in order to change the bulb?
Friday, August 26th, 2011 AT 2:04 AM

14 Replies

Tiny
SATURNTECH9
  • MECHANIC
  • 30,869 POSTS
Hello,

You must remove the dust cover from behind the headlight lens housing. Here is a guide that give you a step by step with diagrams below to show you on your car:

https://www.2carpros.com/articles/how-to-replace-a-headlight-bulb

Check out the diagrams (below). Please let us know if you need anything else to get the problem fixed, Cheers
Was this
answer
helpful?
Yes
No
-1
Friday, August 26th, 2011 AT 3:13 AM
Tiny
MIKENDALE
  • MEMBER
  • 1 POST
  • 2008 SATURN OUTLOOK
  • 6 CYL
  • FWD
  • AUTOMATIC
  • 60,000 MILES
I have a right head light that has burned out two times in the last couple of months. Took it to the dealer for a seat belt issue and asked them to look at it. They said it would cost $750.00 to fix the light. The socket was burned out and the part would be $400.00 and labor $350.00 to put it in. They said they would have to take the bumper off to put it in. I do not believe this. I think I can remove right tire and remove the plastic wheel well and cut the wires and splice in a new socket. What do you think? I am no stranger to being a parts changer and I will get caught trying to fix this problem too before I hand over $750.00 to the dealers for one small head light. Any thoughts? Can I buy a socket by itself?
Was this
answer
helpful?
Yes
No
Monday, September 24th, 2018 AT 4:26 PM (Merged)
Tiny
CARADIODOC
  • MECHANIC
  • 34,463 POSTS
Hi Mikendale. Is this a high intensity discharge bulb? If it is, they run a very high voltage. Improper service procedures can result in burning out the ballast which is also very expensive. These systems are very expensive to repair. Be thankful you do not have a BMW.

Sometimes there are faster ways to replace parts, but reputable mechanics will follow the published service procedures. If there are shortcuts, there is a reason the manufacturer does not want them to be used. Your mechanic will likely not try to cut corners that you are willing to do to your own car. We tend to want the job done properly when someone else is doing the work for us, but we are willing to compromise when it is our own time, skinned knuckles, or frustration that is involved.

Caradiodoc
Was this
answer
helpful?
Yes
No
Monday, September 24th, 2018 AT 4:26 PM (Merged)
Tiny
MIKE63701
  • MEMBER
  • 1 POST
  • 2008 SATURN OUTLOOK
  • 6 CYL
  • FWD
  • AUTOMATIC
  • 62,000 MILES
How do you replace a headlight bulb?
Was this
answer
helpful?
Yes
No
Monday, September 24th, 2018 AT 4:26 PM (Merged)
Tiny
BASSTECH
  • MEMBER
  • 236 POSTS
Unfortunately the headlamp bulbs are not an easy task in the outlook, plus they are having a problem with the connectors to the bulbs melting. To gain access to the headlamp bulb your suppose to remove the front bumper cover assembly, then the headlamp, but I have had some luck with just removing the plastic wheel liner that is with in the wheel opening and reaching up to the headlamp to get the bulb.
Was this
answer
helpful?
Yes
No
Monday, September 24th, 2018 AT 4:26 PM (Merged)
Tiny
RONBYE
  • MEMBER
  • 1 POST
  • 2007 SATURN OUTLOOK
Six cylinder two wheel drive automatic.

What do you need to do to replace a head light?
Was this
answer
helpful?
Yes
No
Monday, September 24th, 2018 AT 4:26 PM (Merged)
Tiny
RASMATAZ
  • MECHANIC
  • 75,992 POSTS


https://www.2carpros.com/forum/automotive_pictures/12900_head_11.jpg




https://www.2carpros.com/forum/automotive_pictures/12900_hd1_1.jpg




https://www.2carpros.com/forum/automotive_pictures/12900_head2_8.jpg




https://www.2carpros.com/forum/automotive_pictures/12900_h2_22.jpg

Was this
answer
helpful?
Yes
No
+1
Monday, September 24th, 2018 AT 4:26 PM (Merged)
Tiny
ASMINC3
  • MEMBER
  • 1 POST
  • 2007 SATURN OUTLOOK
  • 6 CYL
  • AWD
  • AUTOMATIC
How do you replace the HID Headlight?
Was this
answer
helpful?
Yes
No
Monday, September 24th, 2018 AT 4:26 PM (Merged)
Tiny
JACOBANDNICKOLAS
  • MECHANIC
  • 110,192 POSTS
Are you replacing the entire headlight assembly or only the bulb?
Was this
answer
helpful?
Yes
No
+1
Monday, September 24th, 2018 AT 4:26 PM (Merged)
Tiny
JACOBANDNICKOLAS
  • MECHANIC
  • 110,192 POSTS
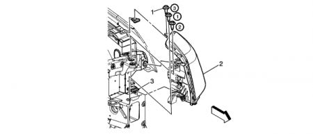
Sorry, I wanted to attach a picture so you could see the mounting brackets for the assembly. If it is just a bulb, remove the socket from under the hood and replacing the bulb only.
Was this
answer
helpful?
Yes
No
Monday, September 24th, 2018 AT 4:26 PM (Merged)
Tiny
JKPICARD
  • MEMBER
  • 1 POST
  • 2007 SATURN OUTLOOK
  • 6 CYL
  • AWD
  • AUTOMATIC
  • 25,000 MILES
How do I get to the left side headlight to replace it?
Was this
answer
helpful?
Yes
No
Monday, September 24th, 2018 AT 4:26 PM (Merged)
Tiny
SATURNTECH9
  • MECHANIC
  • 30,869 POSTS
There you go.
Was this
answer
helpful?
Yes
No
Monday, September 24th, 2018 AT 4:26 PM (Merged)
Tiny
SATURNDRIVER
  • MEMBER
  • 1 POST
  • 2007 SATURN OUTLOOK
Six cylinder all wheel drive automatic.

How do you replace a headlight?
Was this
answer
helpful?
Yes
No
+1
Monday, September 24th, 2018 AT 4:26 PM (Merged)
Tiny
BASSTECH
  • MEMBER
  • 236 POSTS
Unfortunately, the headlamp bulbs are not an easy task in the Outlook, plus they are having a problem with the connectors to the bulbs melting. To gain access to the headlamp bulb your suppose to remove the front bumper cover assembly, then the headlamp, but I have had some luck with just removing the plastic wheel liner that is with in the wheel opening and reaching up to the headlamp to get the bulb.
Was this
answer
helpful?
Yes
No
Monday, September 24th, 2018 AT 4:26 PM (Merged)

Please login or register to post a reply.