radio not working

2008 NISSAN SENTRA
102,000 MILES
Avatar
ROBERTPENNINGTON01
  • MEMBER
  • 2 POSTS
jumped off friends car, now the radio no longer works. Everything else works. Fuses okay
Feb 17, 2012 at 2:33 AM
Repair Safety Notice: This information is for general instructional purposes only. Vehicle repair can be dangerous. Verify all information, follow manufacturer service procedures, use proper tools and safety equipment, and consult a qualified repair shop when needed.
Advertisement
Avatar
FIXITMR
  • CAR REPAIR CONTRIBUTOR
  • 9,990 POSTS
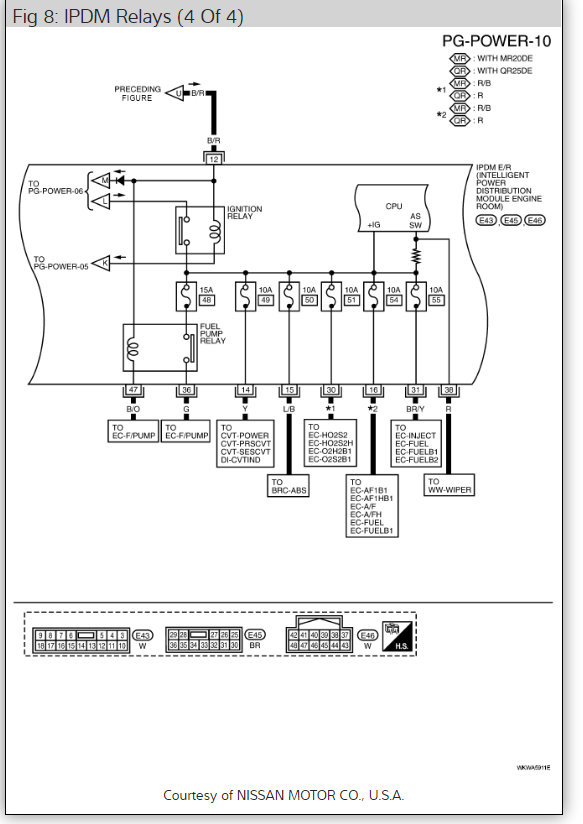
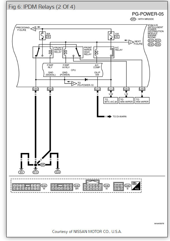
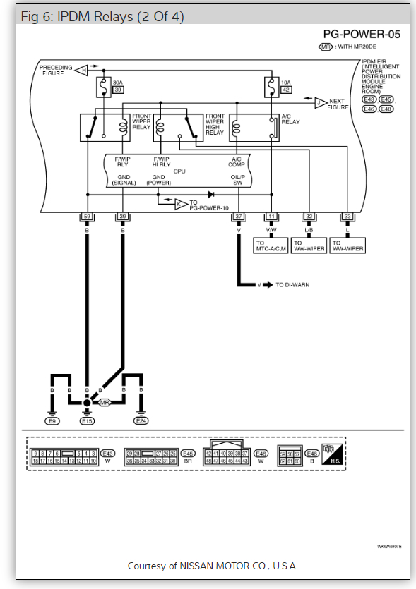
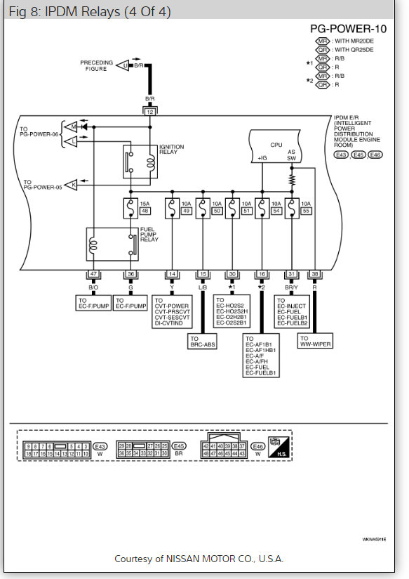
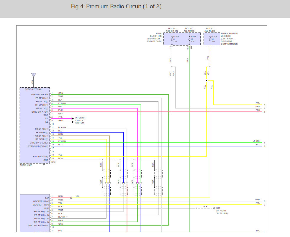
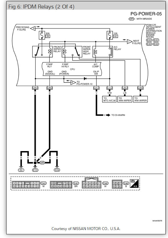
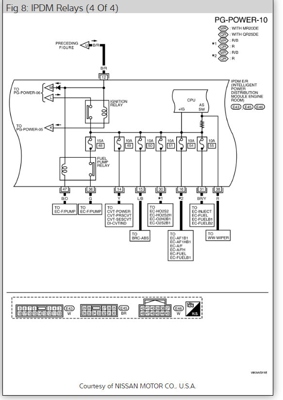
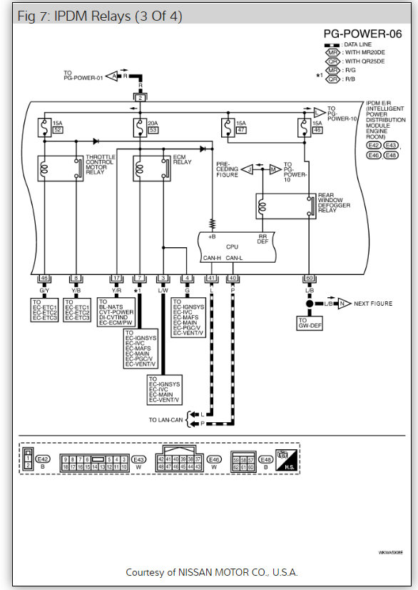
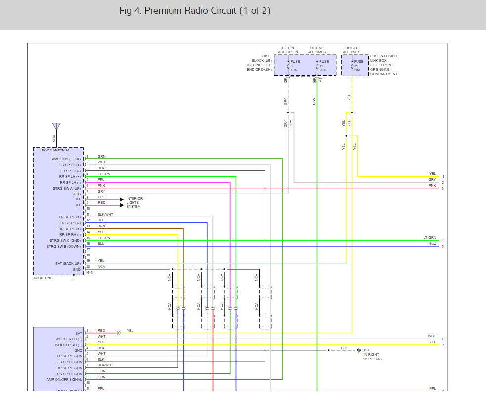
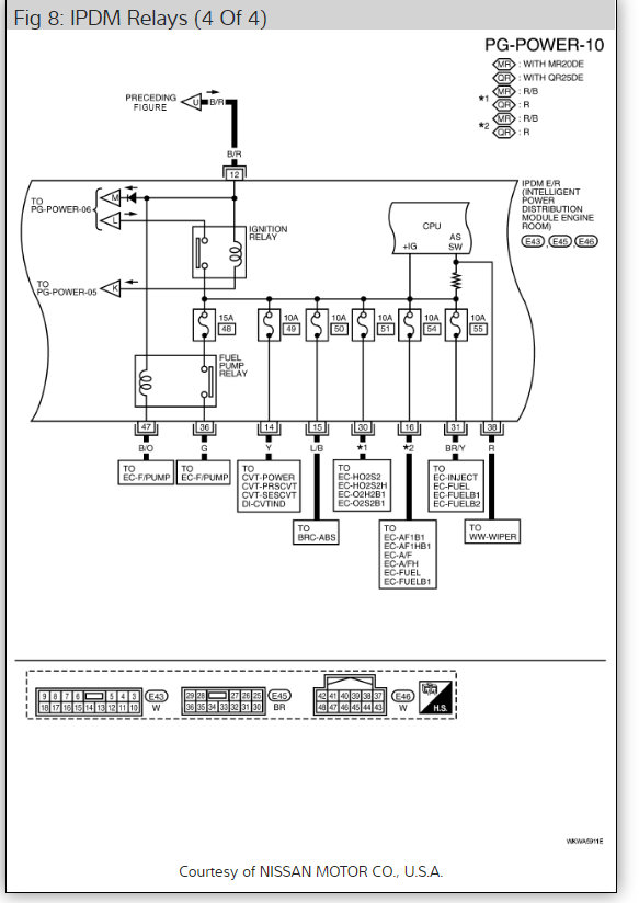
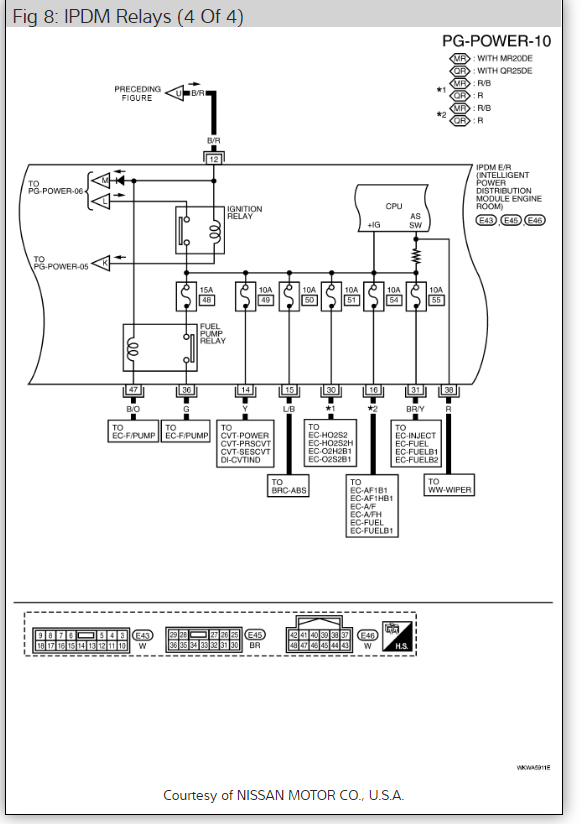
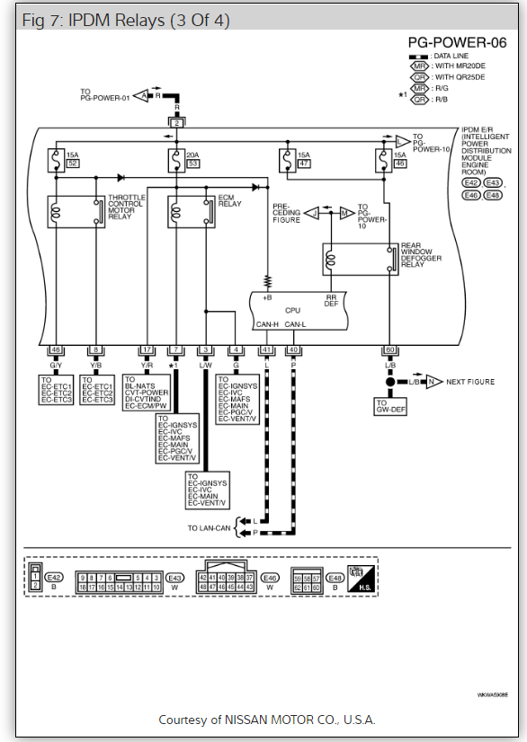
There are 3 fuses that run the radio (#6, 17, and 31) it sounds like one is blown here is a guide to help test the fuses and the fuse locations with the the radio wiring so you can see how the system works.

Check out the diagrams (Below). Please let us know what you find. We are interested to see what it is.
Feb 18, 2012 at 6:52 PM
Advertisement
Avatar
ROBERTPENNINGTON01
  • MEMBER
  • 2 POSTS
Thanks for your replies, was not near a computer yesterday. Know that the radio plug is getting power/ground. It was the fuse # 17 was blown thanks for your help.
Feb 19, 2012 at 12:16 PM
Avatar
FIXITMR
  • CAR REPAIR CONTRIBUTOR
  • 9,990 POSTS
Nice work, we are here to help, please use 2CarPros anytime.
Feb 19, 2012 at 5:56 PM