Rear windshield wipers will not stop

Tiny
ANONYMOUS
  • MEMBER
  • 2008 KIA SORENTO
  • 50,000 MILES
The rear windshield wipers will not stop. I didn't even turn them on and they are wiping. I messed with the switch. Turned it off. We pulled out every fuse. I checked all the fuses to see if they were bad. At least I think most of them.

Nothing works.
Wednesday, April 10th, 2013 AT 1:22 AM

3 Replies

Tiny
KEN L
  • MASTER CERTIFIED MECHANIC
  • 55,177 POSTS
Hey,

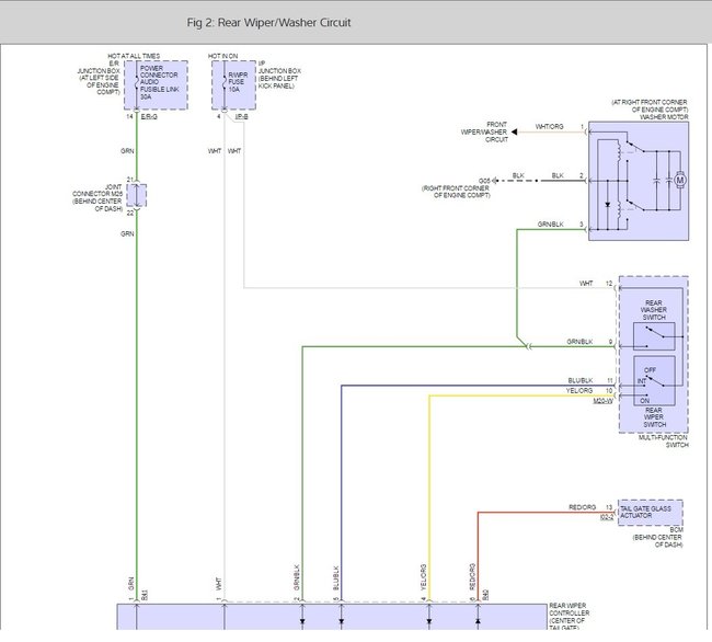
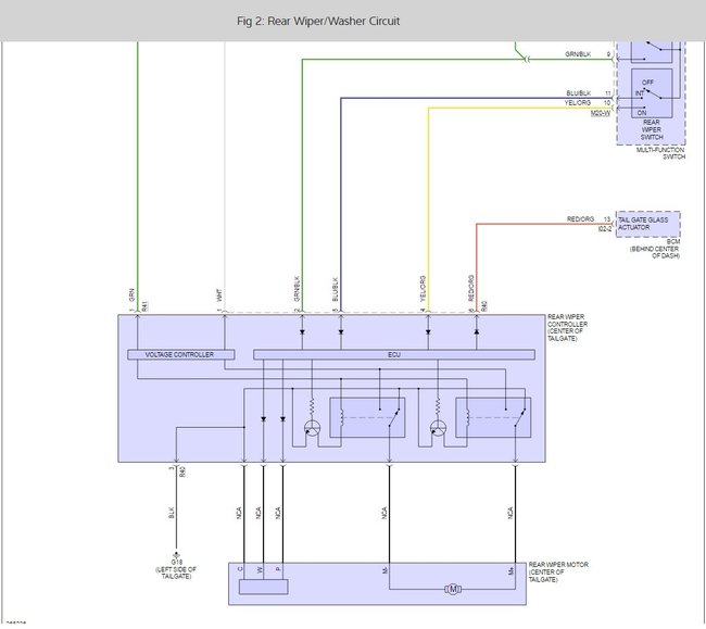
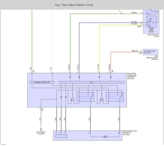
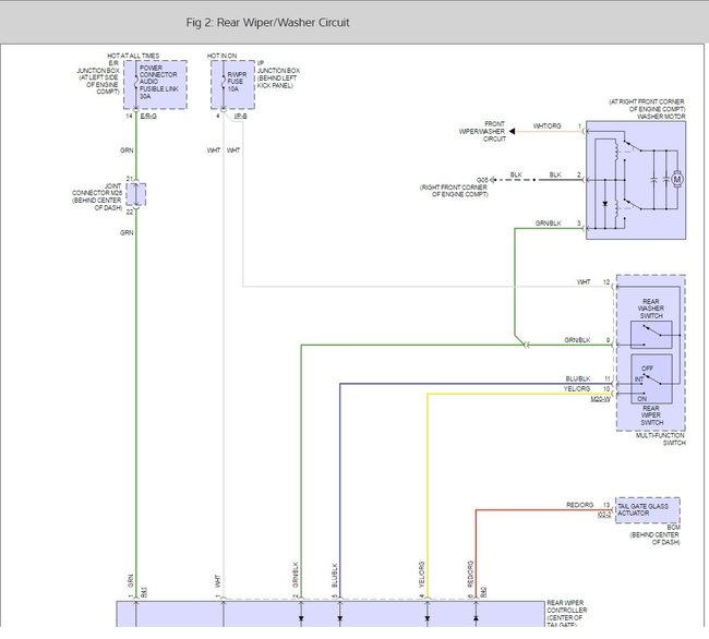
It looks like you have a rear wiper module that has gone out, here is a wiring diagram so you can trace the wires. But I would check the system powers and grounds because an absence of either can cause the motor to stay running. Also there is a trigger from the BCM I would cut that to see if it is a BCM issue.

Please let us know happens so it will help others.

Best, Ken
Was this
answer
helpful?
Yes
No
+3
Thursday, January 5th, 2017 AT 10:03 AM
Tiny
CARLOSH55
  • MEMBER
  • 1 POST
  • 2005 KIA SORENTO
  • V6
  • 2WD
  • AUTOMATIC
  • 100,000 MILES
Rear wiper runs on its own, stays on even when power is shut off. Will stay on for about an hour and then stop. New module, same result, new switch, same result
Was this
answer
helpful?
Yes
No
Thursday, January 5th, 2017 AT 10:03 AM (Merged)
Tiny
HMAC300
  • MECHANIC
  • 48,601 POSTS
Have it scanned for codes it may be the wiper motor control unit in liftgate
Was this
answer
helpful?
Yes
No
+1
Thursday, January 5th, 2017 AT 10:03 AM (Merged)

Please login or register to post a reply.