Fuel filter location

Tiny
ABOJOUD
  • MEMBER
  • 2008 GMC YUKON
  • V8
  • AUTOMATIC
2008 gmc yukon fuel filter location?
Monday, January 24th, 2011 AT 3:03 PM

8 Replies

Tiny
DOCFIXIT
  • MECHANIC
  • 18,828 POSTS
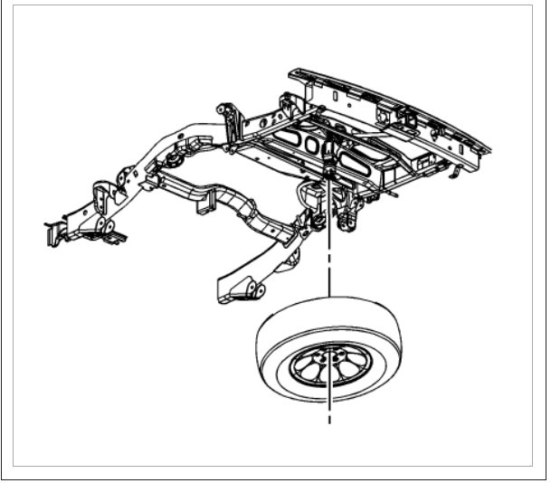
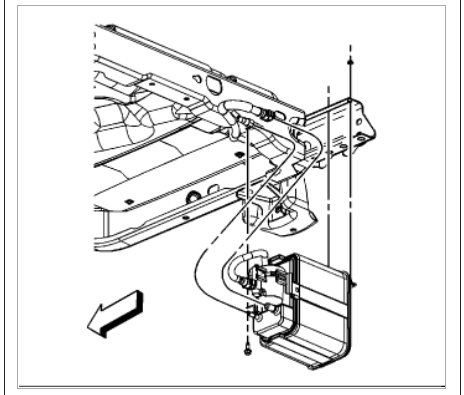
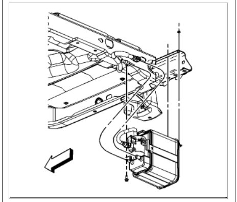
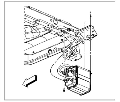
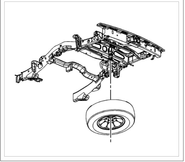
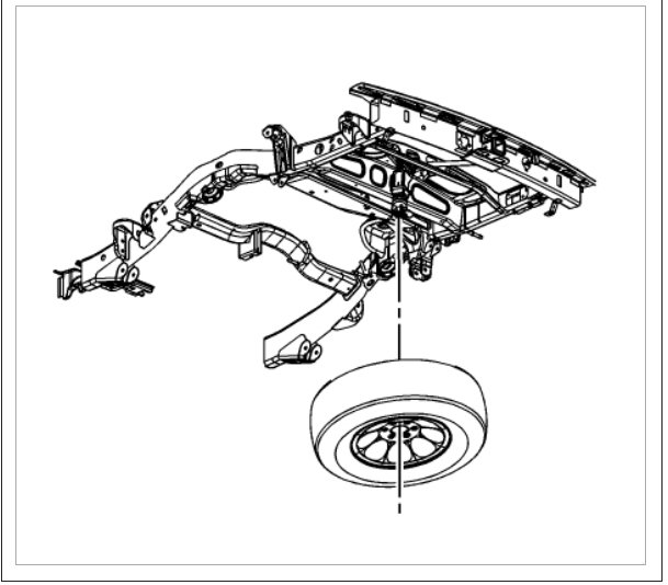
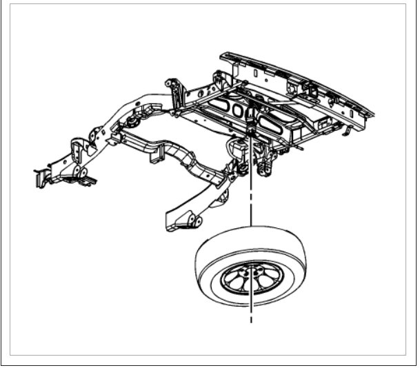
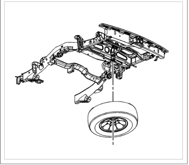
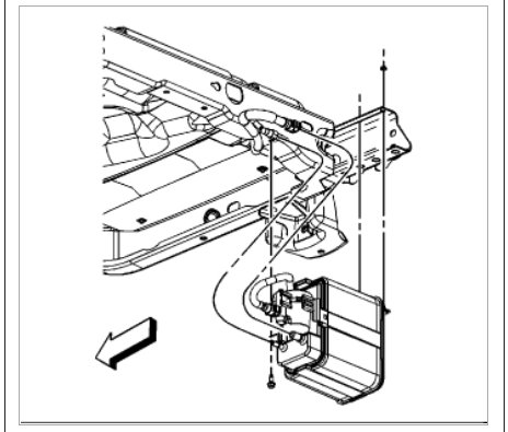
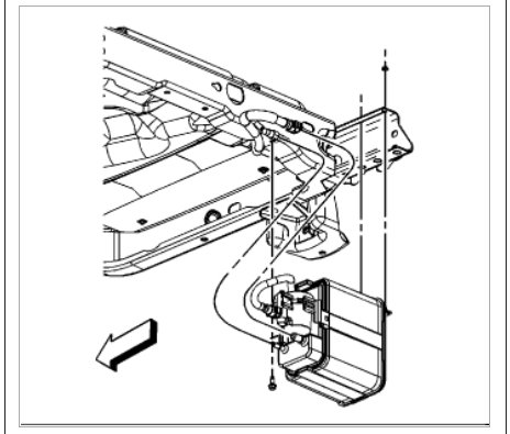
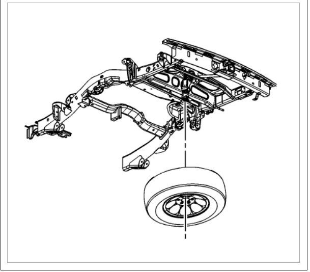
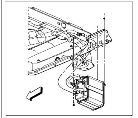
These trucks do not have a fuel filter they have a fuel strainer in the tank which is meant to be a lifetime filter. Here are diagrams to show you what you are in for when doing the job though.

Check out the diagrams (Below). Please let us know if you need anything else to get the problem fixed.

Cheers
Was this
answer
helpful?
Yes
No
+4
Monday, January 24th, 2011 AT 3:40 PM
Tiny
MARCEES
  • MEMBER
  • 1 POST
  • 2004 GMC YUKON
  • 6 CYL
  • 4WD
  • AUTOMATIC
  • 150,000 MILES
Where is the fuel filter on 2004 yukon
Was this
answer
helpful?
Yes
No
-1
Thursday, February 28th, 2019 AT 6:26 PM (Merged)
Tiny
DOCFIXIT
  • MECHANIC
  • 18,828 POSTS
They put it in the fuel tank part of pump module
Was this
answer
helpful?
Yes
No
+1
Thursday, February 28th, 2019 AT 6:26 PM (Merged)
Tiny
BBUGG
  • MEMBER
  • 2 POSTS
  • 2004 GMC YUKON
  • V8
  • 4WD
  • AUTOMATIC
  • 80,000 MILES
Is the fuel filter in the gas tank or below the driver in the frame or somewhere else. I can't find it. Thanks!
Was this
answer
helpful?
Yes
No
Thursday, February 28th, 2019 AT 6:26 PM (Merged)
Tiny
RASMATAZ
  • MECHANIC
  • 75,992 POSTS
Normally the fuel filter on the Yukon is located under the drivers door along the inside of the frame-
Was this
answer
helpful?
Yes
No
Thursday, February 28th, 2019 AT 6:26 PM (Merged)
Tiny
BBUGG
  • MEMBER
  • 2 POSTS
It is in the gas tank! According to the service manager, they have been in there after 2002.
Was this
answer
helpful?
Yes
No
Thursday, February 28th, 2019 AT 6:26 PM (Merged)
Tiny
AALYDA
  • MEMBER
  • 1 POST
  • 2001 GMC YUKON
  • V8
  • 4WD
  • AUTOMATIC
  • 112,000 MILES
Where do I locate the fuel filter so I can change it out.
Was this
answer
helpful?
Yes
No
Thursday, February 28th, 2019 AT 6:26 PM (Merged)
Tiny
RASMATAZ
  • MECHANIC
  • 75,992 POSTS
Check on the Drivers side in line with the end of the Drivers side door mounted just inside the frame.
Was this
answer
helpful?
Yes
No
Thursday, February 28th, 2019 AT 6:26 PM (Merged)

Please login or register to post a reply.